时间:2017-07-06 11:00
人气:
作者:admin
随着电脑、手机、数码相机等电子产品的普及,电子设备间通过互联来传输数据以及快速充电的应用越来越多,这就使USB Type-C和Quick Charge(QC)成为市场发展的新趋势。USB Type-C接口的目标是将不同电子设备之间的互联采用统一的接口,同时可以提供电源和传输数据,也支持音视频和客户个性化的通信协议。而Quick Charge是通过提升输出电压来降低电缆和接头上的损耗以增大输出功率,并通过USB 信号线D+、D-的不同状态来设定输出电压。
因此,要想满足USB Type-C和Quick Charge这两个标准,就需要一款能够根据用电设备的要求进行电压调节的电源控制器。安森美半导体的单电感H桥升降压电源控制器 NCP81239就是非常理想的选择。它可以适配宽输入电压范围和宽输出电压范围,芯片集成的I2C接口可和外部的微控制器(MCU)配合进行输出电压的步进调整,且可在同一个Type-C端口实现多种快充协议,还能对接苹果Lighting 接口快充协议、三星接口快充协议等等。
NCP81239支持宽输入电压范围,提供从150 kHz至1.2 MHz动态可编程的开关频率,集成4个MOSFET驱动,采用双沿电流模式控制,支持输出预偏置启动,自适应死区时间控制防止直通,具有独立的输入和输出电流检测,输出电压(范围0至20V)可以通过I2C 编程,集成过压、欠压、过流和精确的过载保护等完善的保护功能,同时还提供对5 V Vconn电源的保护。

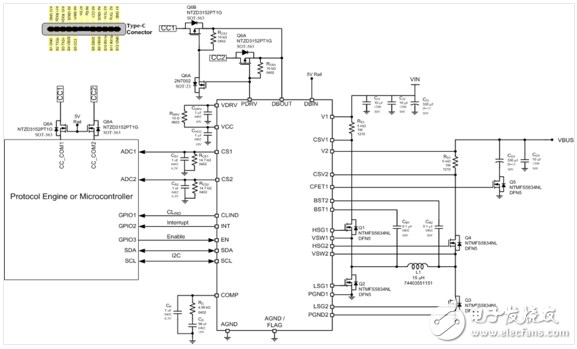
图1:NCP81239典型应用电路图
NCP81239采用双沿电流模式升降压控制,可实现降压模式到升压模式的无缝切换。I²C接口仅用两条信号线实现双向串行通信,开漏极的连接可以方便的在不同逻辑电平间接口,兼容1.8 V,2.5 V,3.3 V和5 V逻辑电平的MCU。
输入输出电流可以通过高边的检测电阻进行检测,检测到的电压分为内部和外部两个通道:内部电流信号用于电流模式的环路控制和限流保护,过流保护可以通过内部寄存器进行设置或屏蔽,内部固定增益为10倍,内部电流值通过模数转换器(ADC)存入对应的寄存器,可以通过I2C读取;外部电流信号可以被MCU读取执行相应的软件操作,外部的阻抗可以设定电流测量的量程,电流检测运放跨导为5mS,外部也可以接电阻电容将电流信号滤成平均值。
NCP81239内置4通道7位ADC,可实现输入、输出之间的A/D转换,相应的值可通过I2C读取内部寄存器的方式进行读取。内部的反馈参考电压通过9位的DAC进行设定,参考电压范围为0 V到2.55 V,输出电压范围同时可以通过外部的分压网络进行设定。由于内部步长有9位ADC,步长比较小,所以便于用MCU I2C接口进行设定补偿电缆压降,从而使负载端电压可保持在设定值的误差范围内,非常适合QC3.0 或USB PD等需要调压的场合。 在USB PD、QC2.0、QC3.0等规格下,如需对输出电压进行动态的设定,会涉及到调压速率。如果调压速度过快会导致电感电流过冲,输出电压过冲或下冲。NCP81239内置寄存器,可通过I2C接口设置,从而控制调压时电压上升和下降的斜率。
NCP81239通过RS1检测输入的峰值电流来进行正向过流保护,限流模式为逐波加打嗝模式。无论在降压模式还是在升压模式,在一个周期中检测到过流时,会立即关断Q1限制输入功率。如果逐波限流的时间达到2mS或FB电压低于300毫伏,则进入快速关断模式,同时关断4个开关,10 mS 后会重新软启动到原来设定的输出电压和电流。过流保护值可以通过I2C或电流检测电阻进行设定,电流检测电阻的选择要保证CSP1-CSN1的电压在过流时也不要超过100mV的运放差模电压范围。如果采用5毫欧检测电阻,对应的峰值过流保护值如下表,默认值7.6 A。

表1:5 m?检测电阻对应的峰值过流保护值(正向过流保护)
对4开关同步整流的升降压控制在轻载模式、重载到轻载的转换过程、输出过压保护、输出从高电压向低电压调整过程中会有反向电流产生。CSP2/CSN2用于反向电流的检测,当反向电流超过限流设定值时,如果输出电压在设定电压范围内,Q4会立即关断防止反方向电流继续增加。如果是在在降压模式下,Q2关断时Q4会重新导通。过流保护值可以通过I2C或电流检测电阻进行设定,电流检测电阻的选择要保证CSP2-CSN2的电压在过流时也不要超过100mV的运放差模电压范围。如果采用5毫欧检测电阻,对应的峰值过流保护值如下表,默认值-8 A。

表2:5 m?检测电阻对应的峰值过流保护值(反向过流保护)
当输出电压高于设定值110%,时间超过一个开关周期,NCP81239会进入过压保护模式。过压保护时,S1关断,S2导通,S3和S4会交替导通将输出电压放电,同时防止反向电流超过设定的反向保护电流值。在输出过压故障下,开关频率会降到50KHz,防止电感饱和,同时降低功率管上的功耗。

图3:输出过压保护图示
传统的同步整流控制在输出有预偏置电压时启动,输出会先放电然后上升。NCP81239在输出有预偏置时,启动时会工作在非同步整流模式,不会对输出放电,适合用于电池负载的场合。
输出电压在设定值+/-5%以内,延迟3.3mS后会发出Power Good 信号。如果输出电压超出设定值的+/-7 %超过一个开关周期,Power Good 寄存器复位,输出中断信号。
NCP81239支持4个I2C地址,可以根据客户的需要在芯片出厂前进行配置,默认型号的I2C地址为E8h/E9h。
此外,NCP81239自身有过热保护,芯片结温超过150度,会关断外部的4个开关,温度降至125度后会重新启动。
安森美半导体提供采用NCP81239的60 W车充、笔记本电脑外接扩展坞、台式机应用、具有Type-C接口的插线板等参考设计,可实现小体积、高能效,满足在USB PD和Quick Charge规格下的不同应用需求。
Type-C接口正在成为电子产品间互联的单一接口,大功率USB PD不同的电压和功率需要对输出电压进行调节。安森美半导体的NCP81239 具有的特色功能和完善的保护功能使其非常适合用于需要宽电压输入、可调电压输出的高可靠应用,如USB PD和Quick Charge 以及电池充电,其独特的控制模式实现了高效的升降压转换,最高1.2MHz的工作频率可以实现小型化的设计。
Samtec应用漫谈 | 新VITA™93.0 QMC™标准为坚