时间:2017-11-22 10:50
人气:
作者:admin
微波旋转连接器是用来把高频信号从一个固定的平台传输到另外一个需要连续旋转的平台上,是相对旋转运动的结构之间用于传递能量或信号的机构,可保持射频信号在连续旋转的过程中连续不断的传输,其应用范围包括传统的空管雷达、防导系统、医疗工程、卫星通讯以及摄像系统等,可以避免传输电缆或线束因360度旋转而相互缠绕在一起,以提高整体可靠性。根据要传输的信号频率范围不同,旋转连接器可通过以下三种方式来实现:(1)接触式传输滑环:该类型产品一般可以传输0-120MHz的频率范围;(2)同轴接触式旋转连接器:一般可以传输0-50GHz的频率范围;(3)非接触式旋转连接器:无论是同轴的旋转连接器,还是波导的旋转连接器都可以采用此种技术实现,并且具有超长的使用寿命,该类型产品的最宽传输频率范围一般是其最高工作频率的20%以内。目前,微波旋转连接器的需求显著特点是小型化设计、优良驻波比和低插损值、旋转时的低振动以及在工作频率范围内通道之间的高隔离度。
常用的同轴电缆特性阻抗为:50Ω和75Ω。以50Ω为例,同轴连接器的特性阻抗(空气介质时)为:

(1)
式中令Z0=50,D为外导体内径,d为内导体外径,ε0为空气介电常数,一般情况下近似取为1。则50Ω连接器的D/d直为:

(2)
若以聚四氟乙烯为介质时,ε0=2.04,则50Ω连接器计算D/d比值近似为3.29。
现有射频同轴连接器多以空气或聚四氟乙烯为介质,内导体多采用铍青铜、锡青铜等铜的合金材料,外导体采用钢或黄铜。因此,本文以SMA连接器为基础,并结合以上理论设计出一种可以连续旋转传输的连接器。
设计步骤总体如下:
(1)根据使用频率选择合适的内外导体直径;
(2)设计内外导体的扼流槽方案及尺寸;
(3)选择合适的输入输出结构,如SMA型等;
(4)由HFSS或MWS等软件进行全尺寸仿真,仿真中最佳频带以驻波比为1.1以下为佳;
(5)若回损和插损性能满足,再进行功率容量分析,否则转入(2)、(3)、(4);
(6)加工制造;
(7)调试与测试;
(8)环境试验和可靠性试验。
根据实际需求,设计一款体积小、结构简单、易于加工制作且频率不小于10GHz的微波旋转连接器。由于SMA型连接器是一款常用且形成国际标准的射频连接器,并得到了广泛的应用,本文以此为模型进行分析设计出满足要求的旋转连接器。由公式(3)可以计算出理论上SMA连接器的截止频率。

(3)
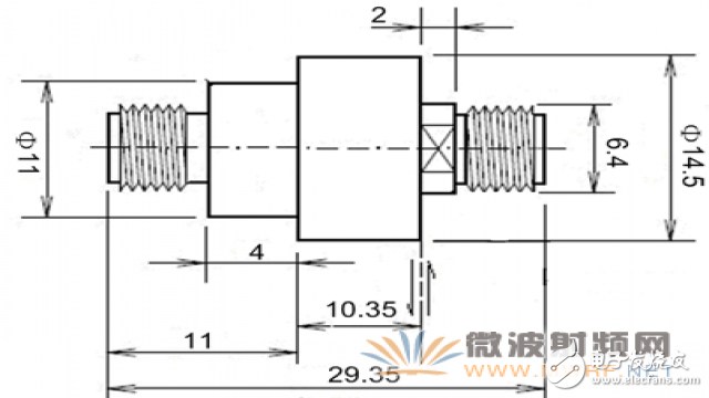
公式(3)中C0为光速,ε0为介质介电常数,选取ε0=2.04,另外由于标准SMA连接器中d=1.27mm,D=4.1mm,则通过计算得fc最大可达20G以上,因此完全满足需求。同时为了尽量减少由内导体截面突变而引起阶梯电容产生的较大反射,旋转连接器内导体外径和SMA内导体外径保持统一为1.27mm。在内外导体扼流槽部分传输介质为空气,经计算此部分外导体内径为2.92mm,其它部分尺寸均与SMA连接器保持一致。最终实现的微波旋转连接器结构如图1所示,其中1为SMA外导体,2为SMA传输介质PTFE,3为SMA内导体,同理4、5、6类似,9为微型轴承,并分别通过端盖7和8固定其内圈和外圈。外形结构如图2所示。


本文依据射频同轴理论设计出的一种单路同轴接触式微小型微波旋转连接器经实际测量,主要指标参数如下:
(1)工作频率:0-15G;
(2)电压驻波比:≤1.25;
(3)电压驻波比跳动:≤0.05;
(4)插入损耗:≤0.5;
(5)峰值功率:1000w;
(6)转速:≤100rpm;
(7)工作温度:-40℃-70℃;
(8)接口类型:SMA-F—SMA-F(50Ω)。
根据实际加工和试验得出设计过程中需要注意以下事项:
(1)内外导体扼流槽不要处在同一平面上;
(2)内外导体扼流槽间隙宽度不大于0.05mm为最佳;
(3)外导体内径由4.1mm过渡到2.92mm的过程中开一宽为0.3mm左右的过渡圆槽为最佳;
(4)为提高接触性能和耐磨性,内外导体接触处镀厚度不小于3μm的金合金镀层,同时在镀层表面涂固体润滑保护剂DJB-823;
(5)经试验,内导体材料选取含镁的铍青铜比普通铍青铜具有更好的硬度、强度和弹性;
(6)经试验,采用脉冲镀合金层与普通电镀相比镀层厚度均匀性一致性更强,致密性和光泽性更好。
(7)内外导体尺寸公差应控制在±0.005mm以内为最佳。
本文根据实际需求,设计出一种同轴式微波旋转连接器,其具有体型小、传输频带宽、成本低、结构简单、易于实现的特点。由于其具有体积小的优势,可以很方便的同接触式导电滑环集成在一起使用,传输高频信号,可大大提高实际使用过程中的集成效率和效果。此外,由于采用接触式传输微波信号,其接触部分主要靠弹性件的弹性强度来保证,实际工作寿命相对较低,因此其更适合在转速相对较低的场合使用。
Samtec应用漫谈 | 新VITA™93.0 QMC™标准为坚