时间:2017-12-25 17:30
人气:
作者:admin
JK触发器是数字电路触发器中的一种基本电路单元。JK触发器具有置0、置1、保持和翻转功能,在各类集成触发器中,JK触发器的功能最为齐全。在实际应用中,它不仅有很强的通用性,而且能灵活地转换其他类型的触发器。由JK触发器可以构成D触发器和T触发器。
JK触发器是一种功能较完善,应用很广泛的双稳态触发器。图9-5(a)所示是一种典型结构的JK触发器——主从型JK触发器。它由两个可控RS触发器串联组成,分别称为主触发器和从触发器。J和K是信号输入端。时钟CP控制主触发器和从触发器的翻转。


当CP=0时,主触发器状态不变,从触发器输出状态与主触发器的输出状态相同。
S当CP=1时,输入J、K影响主触发器,而从触发器状态不变。当CP从1变成0时,主触发器的状态传送到从触发器,即主从触发器是在CP下降沿到来时才使触发器翻转的。
下面分四种情况来分析主从型JK触发器的逻辑功能。
(1) J= l,K= l
设时钟脉冲到来之前(CP=0)触发器的初始状态为0。这时主触发器的R=K
=0,S=J
=1,时钟脉冲到来后(CP=l),主触发器翻转成1态。当CP从1下跳为0时,主触发器状态不变,从触发器的R=0,S=1,它也翻转成1态。反之,设触发器的初始状态为1。可以同样分析,主、从触发器都翻转成0态。
可见,JK触发器在J=1,K=1的情况下,来一个时钟脉冲就翻转一次,即
=
,具有计数功能。
(2) J=0,K=0
设触发器的初始状态为0,当CP=1时,由于主触发器的R=0,S=0,它的状态保持不变。当CP下跳时,由于从触发器的R=1,S=0,它的输出为0态,即触发器保持0态不变。如果初始状态为1,触发器亦保持1态不变。
(3) J=1,K=0
设触发器的初始状态为0。当CP=l时,由于主触发器的R=0,S=1,它翻转成1态。当CP下跳时,由于从触发器的R=0,S=1。也翻转成1态。如果触发器的初始状态为1,当CP=1时,由于主触发器的R=0,S=0,它保持原态不变;在CP从1下跳为0时,由于从触发器的R=0,S=1,也保持1态。
(4) J=0,K=1
设触发器的初始状态为1态。当CP=1时,由于主触发器的R=1,S=0,它翻转成0态。当CP下跳时,从触发器也翻转成0态。如果触发器的初始状态为0态,当CP=1时,由于主触发器的R=0,S=0,它保持原态不变;在CP从1下跳为0时,由于从触发器的R=1,S=0,也保持0态。

JK触发器的逻辑功能表如表9-3所示。
述逻辑关系可用逻辑表达式表示为
这个关系式被称为JK触发器的状态方程,式中
、
分别为CP下降沿时刻之前和之后触发器的状态。
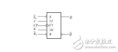
主从JK触发器逻辑符号如图9-5(b)所示,CP端加小圆圈表示下降沿触发。
凡是在时钟信号作用下逻辑功能符合表1所示特性表所规定的逻辑功能者,就叫做JK触发器。

同样,可以根据表1所示写出JK触发器的特性方程,经化简后得到

由表1可以画出JK触发器的状态转换图如图1所示。

Samtec应用漫谈 | 新VITA™93.0 QMC™标准为坚