LM2675 系列稳压器是采用 LMDMOS 工艺构建的单片集成 DC-DC 转换器电路。这些稳压器为降压开关稳压器提供所有有源功能,能够驱动 1A 负载电流,并具有出色的线路和负载调节功能。这些器件提供 3.3V、5V、12V 的固定输出电压和可调输出版本。
这些稳压器需要最少数量的外部元件,使用简单,包括获得专利的内部频率补偿和固定频率振荡器。
*附件:lm2675.pdf
LM2675 系列的工作开关频率为 260kHz,因此允许比低频开关稳压器所需的滤波器组件更小。由于效率非常高(> 90%),印刷电路板上的铜迹线是唯一需要的散热器。
与 LM2675 一起使用的标准电感器系列可从多家不同的制造商处获得。这一特性极大地简化了使用这些先进IC的开关模式电源的设计。数据手册中还包括设计用于开关模式电源的二极管和电容器的选择器指南。
其他特性包括在指定输入电压和输出负载条件下的输出电压容差为±1.5%,振荡器频率容差为±10%。包括外部关断功能,典型值为50μA待机电流。输出开关包括限流和热关断功能,可在故障条件下提供全面保护。
特性
- 效率高达 96%
- 采用 8 引脚 SOIC、PDIP 和 16 引脚 WSON 封装
- 仅需要 5 个外部组件
- 3.3V、5V、12V和可调输出版本
- 1.21V 至 37V 可调版本输出电压范围
- 在线路和负载条件下的最大输出电压容差为 ±1.5%
- 规定的 1A 输出负载电流
- 8V 至 40V 宽输入电压范围
- 260kHz 固定频率内部振荡器
- TTL关断能力,低功耗待机模式
- 热关断和限流保护
参数

方框图

1. 产品概述
- 型号:LM2675,属于SIMPLE SWITCHER®系列,是一款高效(效率高达96%)的1A降压(Buck)DC-DC转换器。
- 关键特性:
- 输入电压范围:6.5V至40V。
- 固定输出电压版本:3.3V、5V、12V,以及可调输出(1.21V至37V)。
- 输出精度:±1.5%容差(全负载和输入电压范围)。
- 开关频率:260kHz固定频率,支持小型滤波元件。
- 保护功能:热关断、电流限制、TTL关断能力。
2. 封装与引脚配置
- 封装选项:
- 8引脚SOIC(D) :4.9mm × 6mm。
- 8引脚PDIP(P) :9.81mm × 9.43mm。
- 16引脚WSON(NHN) :5mm × 5mm,优化散热性能。
- 引脚功能:
- VIN:电源输入,需外接输入电容。
- VSW:开关节点,连接电感和二极管。
- FB:反馈引脚(固定版本直接接输出,可调版本接分压电阻)。
- ON/OFF:使能控制(高电平开启,低电平关断)。
3. 典型应用设计
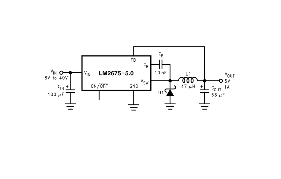
固定输出设计(以5V为例)
- 外部元件要求:
- 电感(L1) :根据负载和输入电压选择(如33μH/1.4A)。
- 输出电容(COUT) :低ESR电容(如68μF钽电容)。
- 二极管(D1) :1A/40V肖特基二极管(如1N5822)。
- 输入电容(CIN) :低ESR电解电容(如330μF/16V)。
- 升压电容(CB) :0.01μF陶瓷电容。
可调输出设计
- 输出电压公式:
VOUT=1.21V×(1+R2R1)VOUT =1.21V**×(1+R1R2**) - 示例:R1=1kΩ,R2=15.4kΩ时,输出20V。
4. 关键性能参数
- 效率:90%(5V输出,12V输入,1A负载)。
- 静态电流:3.6mA(工作模式),50μA(关断模式)。
- 电流限制:1.55A(典型值),保护短路条件。
- 热阻:SOIC封装105°C/W(结到环境)。
5. 布局与散热建议
- PCB设计:
- 缩短高频路径(VIN、VSW、GND)。
- 反馈电阻靠近IC,远离电感噪声。
- 散热:WSON封装需通过PCB铜箔散热,建议连接DAP(Die Attach Pad)至地平面。
6. 设计工具支持
- WEBENCH®工具:提供自动化设计,包括元件选型、效率优化和热仿真。