SWIFT™ 系列直流/直流稳压器、TPS54611、 TPS54612、TPS54613、TPS54614、TPS54615和TPS54616低输入电压高输出电流 同步降压 PWM 转换器集成了所有必需的有源元件。包含在基材上 是真正的高性能电压误差放大器,可在瞬态下提供高性能 条件;欠压锁定电路,用于防止启动,直到输入电压达到 3 V;内部和外部设置的慢启动电路,以限制浪涌电流;和一个强大的好 输出可用于处理器/逻辑复位、故障信号和电源排序。
TPS5461x 器件采用耐热增强型 28 引脚 TSSOP (PWP) PowerPAD™ 封装,消除了笨重的散热器。TI 提供 评估模块和 SWIFT™ 设计器软件工具,有助于快速实现 高性能电源设计,可满足紧迫的设备开发周期。
*附件:tps54615.pdf
特性
- 30mΩ、12A 峰值 MOSFET 开关,可在 6A 连续输出源极和灌电流下实现高效率
- 0.9V、1.2V、1.5V、1.8V、2.5V和3.3V固定输出
电压器件,初始精度为1.0% - 内部补偿,易于使用,元件数量极少
- 快速瞬态响应
- 宽 PWM 频率 – 固定 350 kHz、550 kHz 或可调
280 kHz 至 700 kHz - 负载受峰值电流限制和热关断保护
- 集成解决方案可减少电路板面积和总成本
参数

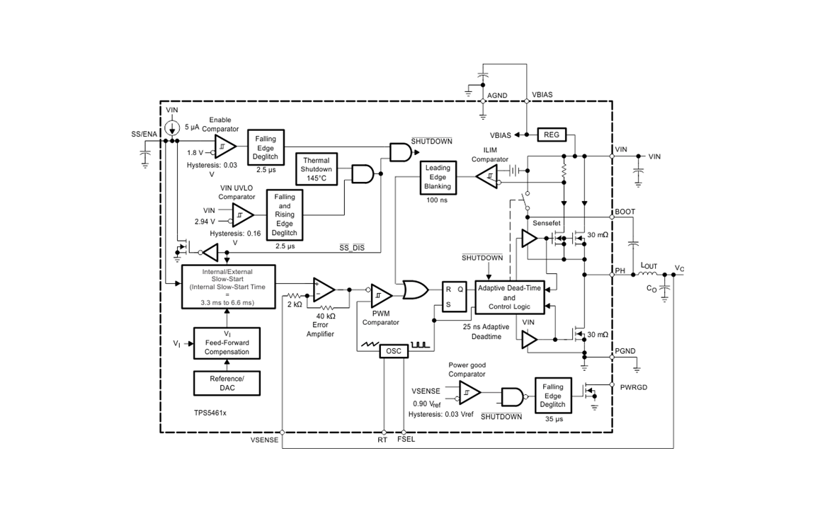
方框图

1. 产品概述
TPS54611-TPS54616是德州仪器(TI)SWIFT™系列DC-DC稳压器,集成同步降压PWM控制器与MOSFET,适用于3V至6V输入电压、6A输出电流的高效电源转换。关键特性包括:
- 高效集成:30mΩ低阻抗MOSFET,支持6A连续输出,效率高达95%(典型值)。
- 多电压选项:提供0.9V、1.2V、1.5V、1.8V、2.5V、3.3V固定输出电压,精度±1%。
- 简化设计:内部补偿减少外部元件,支持350kHz/550kHz固定或280kHz-700kHz可调频率。
- 保护功能:过流保护、热关断及电源良好(PWRGD)监控。
2. 应用场景
- 5V/3.3V分布式电源系统
- FPGA、DSP、ASIC和微处理器的负载点稳压
- 宽带、网络及光通信设备
- 便携式计算机/笔记本
3. 核心设计特性
- 封装与散热:28引脚HTSSOP(PWP)PowerPAD™封装,无需散热片,通过PCB铜层散热。
- 控制逻辑:电压模式PWM控制,集成误差放大器,支持快速瞬态响应(10-20μs恢复时间)。
- 功能模块:
- UVLO:输入欠压锁定(启动阈值2.95V,滞后160mV)。
- 慢启动:内部3.3ms-6.6ms软启动,可通过外部电容扩展。
- VBIAS稳压器:为内部电路提供2.7V稳定偏置电压。
4. 电气参数
- 输入范围:3V-6V(绝对最大值7V)。
- 开关频率:350kHz(FSEL≤0.8V)、550kHz(FSEL≥2.5V)或通过RT引脚电阻调节。
- 电流限制:7.2A(3V输入)至12A(6V输入),100ns前沿消隐。
- 热关断:150°C触发,10°C滞后。
5. 典型应用电路
- 输入滤波:10μF陶瓷电容(靠近VIN)+ 220μF电解电容。
- 输出滤波:4.7μH-10μH电感 + 470μF低ESR电容。
- 布局建议:分离模拟/功率地,最小化PH节点面积,PowerPAD需焊接至PCB散热层。
6. 性能曲线
- 效率曲线:5V输入时>90%(负载3A),3.3V输入时>85%。
- 瞬态响应:3A阶跃负载下输出电压偏差<50mV。
7. 型号差异
| 型号 | 输出电压 | 慢启动时间 | 封装 |
|---|
| TPS54611 | 0.9V | 3.3ms | HTSSOP-28 |
| TPS54616 | 3.3V | 6.1ms | HTSSOP-28 |
8. 文档支持
- 包含完整引脚定义、电气特性表、热阻数据及典型应用原理图。
- 提供SWIFT™ Designer软件工具辅助设计。
该系列器件通过高集成度和优化布局,显著减少PCB面积与总成本,适用于高密度电源系统设计。