LM2594xx 系列稳压器是单片集成电路,为降压开关稳压器提供所有有源功能,能够驱动 0.5A 负载,并具有出色的线路和负载调节功能。这些器件提供 3.3 V、5 V、12 V 的固定输出电压和可调输出版本,并采用 8 引脚 PDIP 和 8 引脚表面贴装 SOIC 封装。
这些稳压器需要最少数量的外部元件,使用简单,具有内部频率补偿、固定频率振荡器以及改进的线路和负载调节规范。
*附件:lm2594.pdf
新产品 LMR36506 降低了 BOM 成本、提高了效率、更小的解决方案尺寸,并具有许多其他功能。
标准系列电感器(通孔型和表面贴装型)可从多家不同制造商处获得,并针对 LM2594xx 系列进行了优化。该特性大大简化了开关模式电源的设计。
其他特性包括在输入电压和输出负载条件下确保输出电压容差±4%,振荡器频率容差±15%。包括外部关断功能,典型值为85 μA待机电流。自我保护功能包括输出开关的两级降频电流限制和过温关断,可在故障条件下提供全面保护。
该LM2594HV适用于需要高达 60 V 输入电压的应用。
特性
- 3.3V、5V、12V和可调输出版本
- 可调版本输出电压范围:1.2 V 至 37 V(HV 版本为 57 V),在线路和负载条件下最大 ±4%
- 采用 8 引脚表面贴装 SOIC 和 8 引脚 PDIP 封装
- 确保 0.5A 输出电流
- 输入电压范围高达 60 V
- 仅需要四个外部组件
- 150kHz 固定频率内部振荡器
- TTL 关断能力
- 低功耗待机模式,I Q 典型值 85 μA
- 高效率
- 使用现成的标准电感器
- 热关断和限流保护
参数

方框图

产品概述
LM2594/LM2594HV是德州仪器(TI)生产的SIMPLE SWITCHER®系列降压型开关稳压器,具有以下关键特性:
- 输入电压范围:4.5V-40V(LM2594),4.5V-60V(LM2594HV)
- 输出电流:0.5A
- 开关频率:150kHz固定频率
- 输出电压版本:3.3V/5V/12V固定输出及可调版本(1.2V-37V/57V HV)
- 封装形式:8引脚SOIC和PDIP
主要特性
- 高效率设计:
- 典型效率达80%-88%
- 低静态电流(典型85μA)
- 简化设计:
- 保护功能:
- 应用领域:
- 高效降压(Buck)稳压器
- 线性稳压器的预稳压器
- 正负电压转换器
技术规格
- 输出电压精度:±4%(全温度范围)
- 工作温度范围:-40°C至+125°C
- 热阻:150°C/W(SOIC),95°C/W(PDIP)
- ESD保护:±2000V(HBM)
设计指南
- 外围元件选择:
- 输入电容:推荐低ESR电解或钽电容(47-68μF)
- 输出电容:82-220μF低ESR电容
- 二极管:推荐1A肖特基二极管(如1N5819)
- 电感:根据负载电流和输入电压选择(22-330μH)
- PCB布局建议:
- 保持功率路径短而宽
- 输入电容靠近IC放置
- 注意开环电感的磁场干扰
- 热设计考虑:
- 使用大面积铜箔散热
- 多层板可改善散热
- 避免使用插座以降低热阻
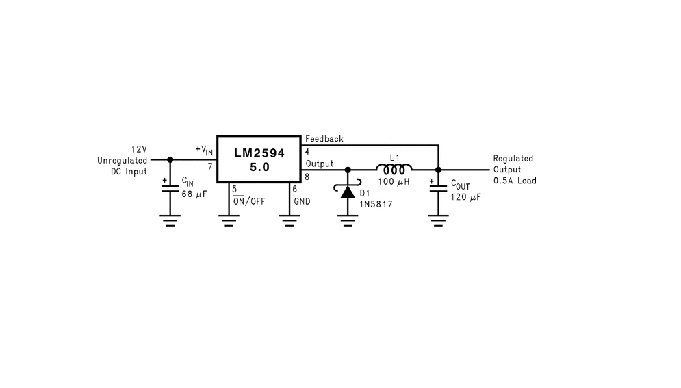
典型应用电路
- 固定输出降压电路:
- 适用于3.3V/5V/12V输出
- 简化设计,元件数量最少
- 可调输出电路:
- 通过外部电阻分压网络调节输出电压
- 输出电压范围1.2V-37V(57V HV)
- 负压转换电路:
- 可将正输入电压转换为负输出电压
- 需要额外二极管和特殊布局考虑