LM2574xx 系列稳压器是单片集成电路,为降压(降压)开关稳压器提供所有有源功能,能够驱动具有出色线路和负载调节的 0.5A 负载。这些器件提供 3.3 V、5 V、12 V、15 V 的固定输出电压和可调输出版本。
这些稳压器需要最少数量的外部元件,使用简单,包括内部频率补偿和固定频率振荡器。
*附件:lm2574hv.pdf
LM2574xx 系列是常用三端子线性稳压器的高效替代品。由于其高效率,印刷电路板 (PCB) 上的铜走线通常是唯一需要的散热器。
针对 LM2574 使用进行了优化的标准电感器系列可从多家不同的制造商处获得。该特性大大简化了开关模式电源的设计。
其他特性包括在规定的输入电压和输出负载条件下的输出电压容差为 ±4%,振荡器频率为 ±10%。包括外部关断功能,具有50μA(典型值)待机电流。输出开关包括逐周期电流限制,以及热关断功能,可在故障条件下提供全面保护。
特性
- 可调版本输出电压范围:1.23 V 至 37 V(高压版本为 57 V)在线路和负载条件下最大 ±4%
- 指定 0.5A 输出电流
- 宽输入电压范围:40 V,高压版本高达 60 V
- 仅需要四个外部组件
- 52kHz 固定频率内部振荡器
- TTL关断能力,低功耗待机模式
- 高效率
- 使用现成的标准电感器
- 热关断和限流保护
参数

方框图

1. 产品概述
LM2574/LM2574HV是德州仪器(TI)推出的SIMPLE SWITCHER®系列单片降压稳压器,具有以下核心特性:
- 输入电压范围:
- LM2574:4.5V至40V
- LM2574HV:4.5V至60V(高压版本)
- 输出电流:0.5A
- 输出电压选项:固定3.3V/5V/12V/15V及可调版本(1.23V至37V/57V HV)
- 效率:高达88%(典型值)
- 开关频率:52kHz固定频率
2. 关键特性
- 集成功能:内置频率补偿、固定振荡器、热关断及电流限制保护。
- 简化设计:仅需4个外部元件(电感、二极管、输入/输出电容)。
- 低功耗:待机电流典型值50μA(ON/OFF引脚控制)。
- 热管理:PCB铜箔即可满足散热需求。
3. 应用场景
- 高效降压(Buck)稳压器
- 线性稳压器的预调节器
- 正负电压转换器(Buck-Boost)
- 板载开关电源
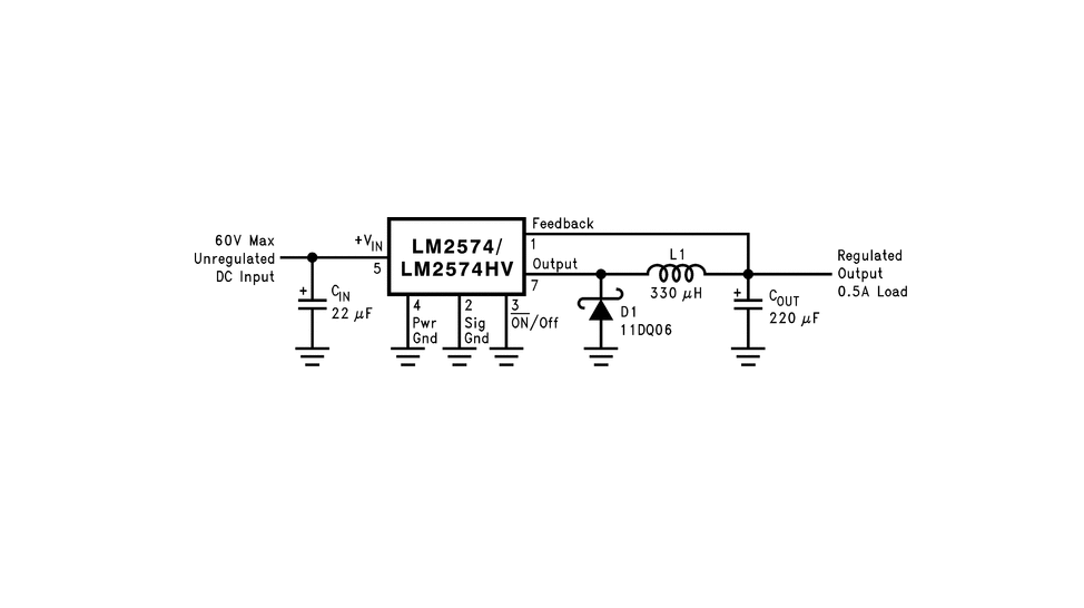
4. 设计要点
- 电感选择:根据负载电流和输入电压选择68μH至2200μH范围(连续/断续模式)。
- 输出电容:推荐100μF至470μF低ESR电解电容以降低纹波。
- 二极管:需使用快速恢复或肖特基二极管(如1N5817、MBR150)。
- 布局建议:缩短高频回路路径,单点接地优化EMI性能。
5. 典型电路
- 固定输出:直接连接FB引脚至输出(固定电压版本)。
- 负压生成:支持Buck-Boost配置(如-12V输出)。
6. 封装与热性能
- 封装选项:8引脚PDIP、14引脚SOIC(NPA)。
- 热阻:θJA(SOIC)77.1°C/W,θJA(PDIP)60.4°C/W。
7. 版本更新
- 新增TPS560430作为新一代替代方案(更小尺寸、更高效率)。
- 修订历史包含电气参数修正及文档结构调整。
8. 附加资源
- WEBENCH®在线工具支持定制设计。
- 提供PCB布局指南(AN-1229)以优化噪声抑制。
文档结构
包含特性描述、电气参数、典型应用电路、热设计及封装信息,适用于电源系统工程师快速实现高可靠性设计。