TLV62585 器件是一款高频同步降压转换器,针对紧凑的解决方案尺寸和高效率进行了优化。该器件集成了能够提供高达 3 A 输出电流的开关。在中到重负载下,转换器以脉宽调制 (PWM) 模式运行,开关频率典型值为 1.5 MHz。在轻负载时,该器件会自动进入省电模式 (PSM),以在整个负载电流范围内保持高效率。在关断模式下,电流消耗降至 2 μA 以下。
内部补偿电路允许紧凑的解决方案和小型外部元件。内部软启动电路限制启动期间的浪涌电流。其他功能,如短路保护、热关断保护、输出放电和电源正常等,均内置。
*附件:tlv62585.pdf
该器件采用 2mm × 2mm QFN 或 1.6mm x 1-6mm SOT563 封装。
特性
- 效率高达 95%
- 低 R
DS(开启) 电源开关 56 mΩ / 32 mΩ - 2.5V 至 5.5V 输入电压范围
- 0.6V 至 V 的可调输出电压
在 - 省电模式可实现轻负载效率
- 100% 占空比,实现最低压差
- 35μA 工作静态电流
- 1.5MHz 典型开关频率
- 短路保护 (HICCUP)
- 输出放电
- 电源良好输出
- 热关断保护
- 采用 2mm × 2mm QFN 或 1.6mm x 1.6mm SOT563 封装
参数

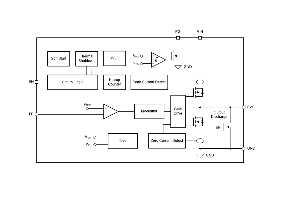
方框图

1. 产品概述
TLV62585是一款高效率、高频率的同步降压DC/DC转换器,适用于需要紧凑解决方案和高效率的应用场景。该转换器集成了低导通电阻(RDS(ON))的功率开关,提供高达3A的输出电流,并支持2.5V至5.5V的输入电压范围。
2. 主要特性
- 高效率:可达95%,适合各种负载条件。
- 低RDS(ON) :高侧和低侧MOSFET的RDS(ON)分别为56mΩ和32mΩ,降低功率损耗。
- 宽输入电压范围:支持2.5V至5.5V的输入电压。
- 高频率操作:典型开关频率为1.5MHz,支持小型电感和电容。
- 轻载效率:自动进入Power Save Mode(PSM),提高轻载条件下的效率。
- 全面保护:包括短路保护(HICCUP)、过温保护和输出放电功能。
3. 应用领域
- 通用点载电源
- 电池供电应用
- 无线路由器
- 固态硬盘
- 机顶盒
- 多功能打印机
- 电机控制
4. 功能描述
- Power Save Mode:在轻载条件下自动降低开关频率,减少电流消耗。
- 100%占空比:支持最低压降操作,适用于低输入输出电压差的应用。
- 软启动:内置软启动电路,限制启动时的浪涌电流。
- 短路保护:采用HICCUP模式,防止持续短路损坏器件。
- 过温保护:当结温超过阈值时自动关断,保护器件免受过热损害。
5. 设计要点
- 输出电压设置:通过外部反馈电阻分压器设置所需的输出电压。
- 电感选择:根据最大输出电流和期望的纹波电流选择合适的电感值。
- 电容选择:推荐使用低ESR的陶瓷电容,以减小输出电压纹波。
- 布局考虑:遵循数据手册中的布局指南,确保良好的散热和信号完整性。
6. 封装与订购信息
TLV62585提供两种封装选项:2mm×2mm的QFN封装(TLV62585RWT)和1.6mm×1.6mm的SOT563封装(TLV62585DRL和TLV62585PDRL)。具体封装尺寸、引脚配置和订购信息请参考数据手册中的封装选项附录。
7. 社区资源与支持
- TI E2E™在线社区:提供技术交流、问题解答和设计支持。
- WEBENCH® Power Designer:支持定制电源设计,简化设计流程。