TPS62851x 是引脚对引脚 0.5A、1A、2A(连续)和 3A(峰值)高效率、易于使用的同步降压直流/直流转换器系列。它们基于峰值电流模式控制拓扑。低电阻开关允许高达 2A 的连续输出电流和 3A 的峰值电流。开关频率在内部固定为 2.25 MHz,也可以与 1.8 MHz 至 4 MHz 范围内的外部时钟同步。在 PWM/PFM 模式下,TPS62851x 会在轻负载时自动进入省电模式,以在整个负载范围内保持高效率。TPS62851x 在 PWM 模式下提供 1% 的输出电压精度,这有助于设计具有高输出电压精度的电源。SS/TR 引脚允许设置启动时间或跟踪外部源的输出电压,这允许对不同的电源轨进行外部排序并限制启动期间的浪涌电流。
TPS62851x 采用 8 引脚 1.60mm × 2.10mm SOT583 封装,可提供高功率密度解决方案。
*附件:tps628511.pdf
特性
- 功能安全
- 输入电压范围:2.7 V 至 6 V
- 输出电压范围为 0.6 V 至 5.5 V
- 1% 反馈电压精度(全温度范围)
- T
J = –40°C 至 +150°C - 0.5A、1A、2A(连续)和 3A(峰值)器件系列
- PWM 中的开关频率:2.25 MHz
- 1.8 MHz 至 4 MHz 的外部同步
- 强制 PWM 或 PWM/PFM作
- 静态电流:17 μA(典型值)
- 可调软启动时间长达 10 ms
- 精确的 ENABLE 输入允许:
- 100% 占空比模式
- 有源输出放电
- 带窗口比较器的电源正常输出
参数

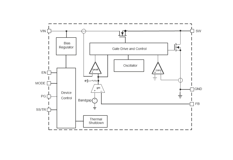
方框图

概述
TPS628511是一款由Texas Instruments(TI)生产的同步降压DC/DC转换器,属于TPS62851x系列。该系列转换器提供0.5A、1A(TPS628511)、2A(连续)和3A(峰值)的输出电流选项,适用于各种电源管理应用。
主要特性
- 输入电压范围:2.7V至6V
- 输出电压范围:0.6V至5.5V
- 反馈电压精度:1%(全温度范围)
- 开关频率:内部固定为2.25MHz,可同步至1.8MHz至4MHz的外部时钟
- 工作模式:PWM/PFM自动切换,以提高轻载时的效率
- 软启动时间:可调至10ms
- 启用输入:精确控制,支持用户定义的低电压锁定和精确时序
- 功率正常输出:带有窗口比较器
- 热关断保护:防止过热损坏
应用领域
- 电机驱动
- 工厂自动化和控制
- 建筑自动化
- 测试和测量
- 多功能打印机(MFP)
- 通用点负载(POL)
功能描述
- 启用(EN)引脚:通过比较应用于EN引脚的电压与固定阈值(1.1V)来控制转换器的启用和禁用。支持通过外部RC网络实现上电延迟。
- 模式/同步(MODE/SYNC)引脚:设置转换器工作在PWM或PFM模式。当引脚置高时,强制进入PWM模式;置低时,根据负载电流自动在PWM和PFM之间切换。同时支持外部时钟同步。
- 软启动/跟踪(SS/TR)引脚:通过连接外部电容器控制输出电压的启动斜坡时间,也可用于跟踪主电压。
- 功率正常(PG)输出:一个开漏输出,用于指示输出电压是否在调节范围内。
性能指标
- 效率:在不同输入电压和输出电流下,效率可达90%以上。
- 负载调节:PWM模式下,负载调节率为0.05%/A。
- 线路调节:PWM模式下,线路调节率为0.02%/V(IOUT=1A,VIN≥VOUT+1V)。
封装与尺寸
- 封装类型:SOT583,8引脚,尺寸为1.60mm × 2.10mm(包括引脚)。
典型应用电路
文件提供了详细的典型应用电路图,包括电感、输入和输出电容的选择指南,以及电阻分压器的设计用于设置输出电压。
布局指导
为了确保最佳性能,文件强调了PCB布局的重要性,并提供了布局指南和示例,包括输入电容和输出电容的放置、敏感信号的布线等。
结论
TPS628511是一款高性能、易于使用的同步降压DC/DC转换器,适用于需要高效率、小尺寸和灵活电源管理的各种应用。通过其丰富的特性和灵活的配置选项,设计师可以轻松地将其集成到各种电源系统中。