ISO5852S-Q1 器件的电压为 5.7kV RMS ,用于 IGBT 和 MOSFET 的增强型隔离式栅极驱动器,具有分离输出 OUTH 和 OUTL,提供 2.5A 拉电流和 5A 灌电流。输入侧由 2.25V 至 5.5V 单电源供电。输出侧允许的电源范围从最小 15 V 到最大 30 V。两个互补 CMOS 输入控制栅极驱动器的输出状态。76 ns 的短传播时间提供了对输出级的精确控制。
*附件:iso5852s-q1.pdf
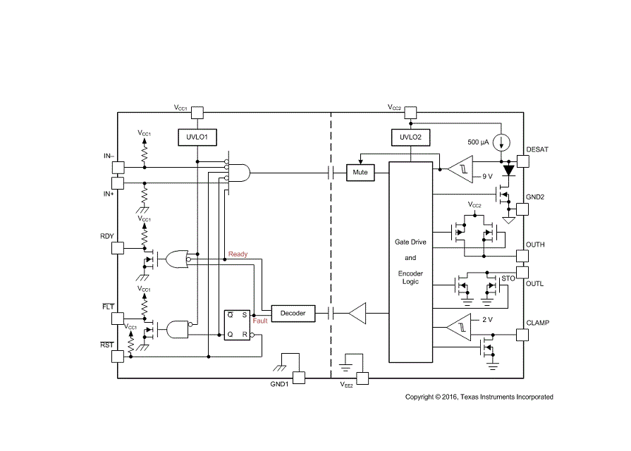
内部去饱和 (DESAT) 故障检测可识别 IGBT 何时处于过流状态。检测到 DESAT 后,静音逻辑立即阻断隔离器的输出并启动软关断程序,该程序禁用 OUTH 引脚,并在 2 μs 的时间跨度内将 OUTL 引脚拉至低电平。当 OUTL 引脚相对于最大负电源电位 V 达到 2 V 时EE2 系列时,栅极驱动器输出被用力拉至 VEE2 系列电位,立即关闭 IGBT。
当去饱和有效时,故障信号通过隔离栅发送,将输入侧的 FLT 输出拉低并阻止隔离器输入。Mute logic 在 soft-off-off period 期间被激活。FLT 输出条件被锁存,只有在 RDY 引脚变为高电平后,才能通过 RST 输入端的低有效脉冲进行复位。
当 IGBT 在双极输出电源正常工作期间关闭时,输出硬钳位至 V EE2 系列 .如果输出电源是单极的,则可以使用有源米勒箝位,允许米勒电流通过低阻抗路径吸收,从而防止 IGBT 在高压瞬态条件下动态导通。
栅极驱动器的运行就绪状态由两个欠压锁定电路控制,用于监控输入侧和输出侧电源。如果任一侧的电源不足,则 RDY 输出变为低电平,否则此输出为高电平。
ISO5852S-Q1 器件采用 16 引脚 SOIC 封装。器件的额定工作环境温度范围为 –40°C 至 +125°C 环境温度。
特性
- 适用于汽车应用
- 符合 AEC-Q100 标准,结果如下:
- 器件温度等级 1:-40°C 至 +125°C 环境工作温度范围
- 设备 HBM 分类等级 3A
- 器件 CDM 分类等级 C6
- V 时的最小共模瞬态抗扰度 (CMTI) 为 100kV/μs
厘米 = 1500 伏 - 分离输出,可提供 2.5A 峰值拉电流和
5A 峰值灌电流 - 短传播延迟:76 ns(典型值)、
110 ns(最大值) - 2A 有源米勒箝位
- Output Short-Circuit Clamp
- 短路期间的软关断 (STO)
- 去饱和检测时的故障警报在 FLT 上发出信号,并通过 RST 复位
- 输入和输出欠压锁定 (UVLO),带就绪 (RDY) 引脚指示
- 有源输出下拉和默认低电平输出,具有低电源或浮动输入
- 2.25V 至 5.5V 输入电源电压
- 15V 至 30V 输出驱动器电源电压
- CMOS 兼容输入
- 抑制短于 20 ns 的输入脉冲和噪声瞬变
- 隔离浪涌耐受电压 12800-V
PK - 安全相关认证:
- 8000 伏
PKV物联网和 2121-VPKVIORM符合 DIN V VDE V 0884-10 (VDE V 0884-10):2006-12 的增强隔离 - 5700 伏
RMS隔离 1 分钟,符合 UL 1577 标准 - CSA 组件验收通知 5A、IEC 60950-1 和 IEC 60601-1 终端设备标准
- 符合 EN 61010-1 和 EN 60950-1 的 TUV 认证
- GB4943.1-2011 CQC 认证
- 所有认证均按照 UL、VDE、CQC、TUV 完成,并计划通过 CSA 认证
参数

方框图

概述
ISOS-Q是一款由Texas Instruments(TI)生产的高共模瞬态免疫(CMTI)隔离IGBT和MOSFET栅极驱动器。该驱动器具有.A的峰值源电流和A的峰值沉电流,适用于汽车和工业应用中的隔离栅极驱动需求。
主要特性
- 高CMTI能力:最小CMTI达kV/μs,在V_CM=V条件下,确保在恶劣电磁环境中稳定工作。
- 强化隔离:提供.kV RMS的隔离电压,满足安全标准,适用于强化绝缘应用。
- 灵活供电:输入侧支持.V至.V的单电源供电,输出侧支持V至V的电源范围。
- 短路保护:内置短路保护和软关断功能,防止器件在短路条件下损坏。
- 低传播延迟:典型传播延迟为ns,最大ns,提供快速响应能力。
- 多种保护功能:包括输入/输出欠压锁定(UVLO)、故障报警、输出短路钳位等。
功能描述
输入与输出
- 输入接口:CMOS兼容输入,支持TTL电平信号。
- 输出接口:提供OUTH和OUTL两个互补输出,分别用于驱动IGBT或MOSFET的栅极。
- 短路钳位:在短路条件下,输出自动钳位至安全电平,防止器件损坏。
保护机制
- UVLO保护:输入和输出侧均具备UVLO功能,确保在供电不足时自动关断输出。
- 故障报警:检测到故障时,FLT引脚输出低电平信号,并通过RDY引脚指示设备状态。
- 软关断:在短路或故障条件下,通过软关断程序安全地关闭输出。
其他功能
- 可编程死区时间:通过外部电阻设置死区时间,防止半桥或全桥电路中的上下桥臂直通。
- 活性米勒钳位:在单电源供电时,通过钳位输出防止因米勒效应导致的误触发。
应用领域
ISOS-Q适用于需要高隔离电压和快速响应能力的栅极驱动应用,包括:
- 汽车应用:如电动汽车(EV)和混合动力汽车(HEV)的功率模块。
- 工业电机控制:如工业电机驱动器、工业电源供应器等。
- 太阳能逆变器:用于太阳能发电系统中的逆变器电路。
- 感应加热:在需要高频感应加热的应用中提供可靠的栅极驱动。
布局指南
- 输入/输出电容:在输入和输出电源引脚附近放置旁路电容,以减小电源噪声和干扰。
- 信号完整性:注意高速信号线的布局和走线,避免信号反射和串扰。
- 隔离区域:确保隔离屏障周围的PCB区域干净无铜,以维持高隔离电压。
- 热设计:合理规划散热路径,确保栅极驱动器在高温环境下稳定工作。