UCC21331 是具有可编程死区时间和宽温度范围的隔离式双通道栅极驱动器系列。它采用 4A 峰值拉电流和 6A 峰值灌电流设计,用于驱动功率 MOSFET、SiC 和 IGBT 晶体管。
UCC21331 可配置为两个低侧驱动器、两个高侧驱动器或一个半桥驱动器。输入侧通过 3kVRMS 隔离栅与两个输出驱动器隔离,具有最小 125V/ns 的共模瞬态抗扰度 (CMTI)。
*附件:ucc21331.pdf
保护功能包括:电阻器可编程死区时间、同时关闭两个输出的禁用功能,以及拒绝短于 5ns 的输入瞬变的集成去毛刺滤波器。所有电源均具有 UVLO 保护。
凭借所有这些高级功能,UCC21331 器件可在各种电源应用中实现高效率、高功率密度和稳健性。
特性
- 通用:双低侧、双高侧或半桥驱动器
- 结温范围 –40 至 +150°C
- 高达 4A 的峰值拉电流和 6A 峰值灌电流输出
- 共模瞬态抗扰度 (CMTI) 大于 125V/ns
- 高达 25V VDD 输出的驱动电源
- 切换参数:
- 33ns 典型传播延迟
- 5ns 最大延迟匹配
- 6ns 最大脉宽失真
- 10μs 最大 VDD 上电延迟
- 所有电源的 UVLO 保护
- 快速使能,用于上电排序
参数

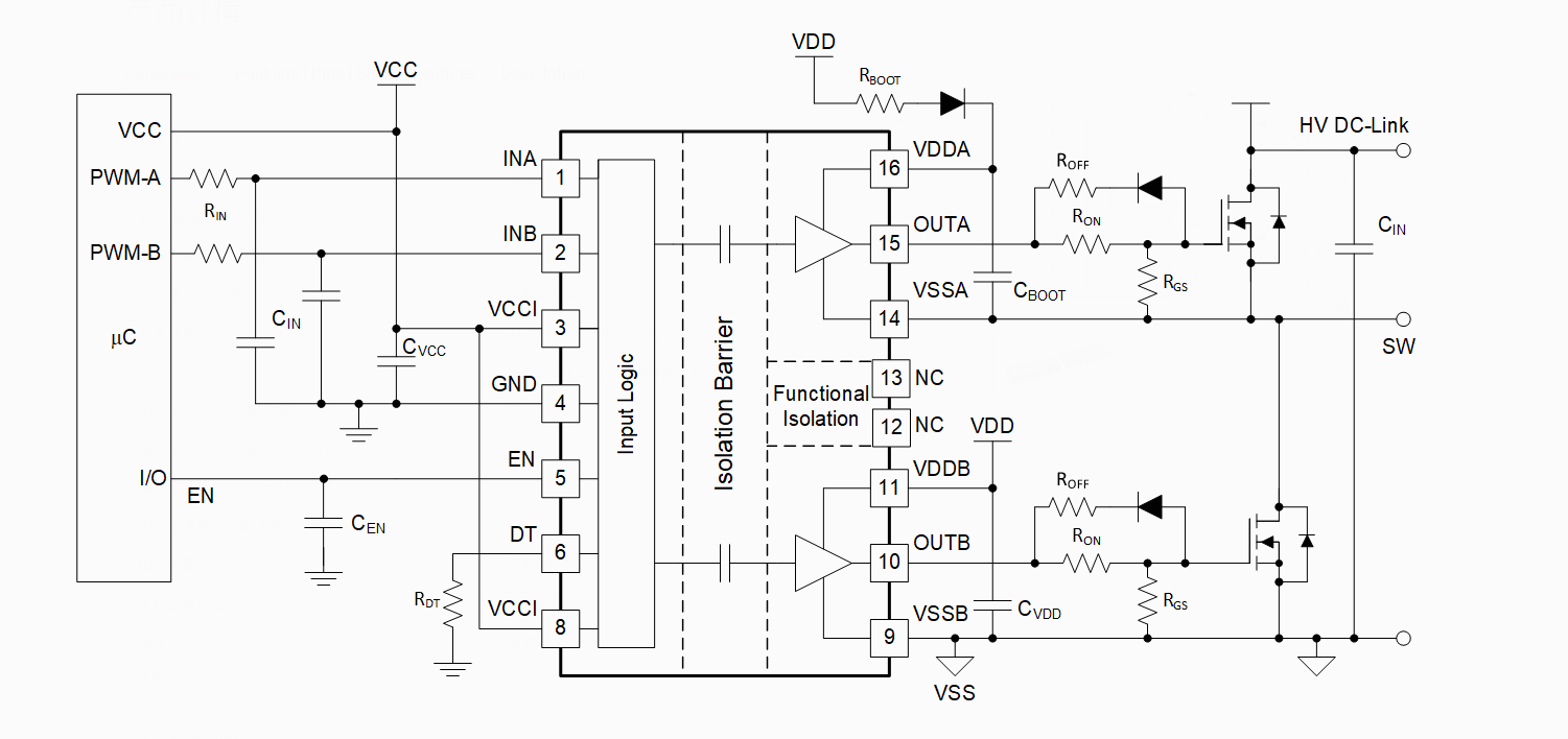
方框图

一、产品概述
- 产品名称:UCCx
- 类型:A, A, .kV RMS隔离双通道栅极驱动器
- 应用:适用于车载电池充电器、高压DC-DC转换器、电机驱动和逆变器等
二、主要特性
- 灵活配置:可作为双低侧、双高侧或半桥驱动器
- 宽温度范围:结温范围-°C至+°C
- 高输出能力:
- 高共模瞬态免疫(CMTI):大于V/ns
- 宽输入电压范围:VCCI = .V至.V
- 宽输出驱动电压:VDDA/VDDB = V至V,带UVLO选项
- 快速开关性能:
- 典型传播延迟:ns
- 最大延迟匹配:ns
- 最大脉冲宽度失真:ns
三、保护功能
- UVLO保护:所有电源均具备欠压锁定功能
- 可编程死区时间:通过外部电阻设置
- 禁用功能:可通过禁用引脚同时关闭两个输出
- 去抖动滤波器:集成去抖动滤波器,拒绝短于ns的输入瞬态
四、电气特性
- 供电电压:
- VCCI:.V至.V
- VDDA/VDDB:V至V(带UVLO选项)
- 电气参数:
- 输入高/低阈值电压
- 输出高低电平电压
- UVLO阈值及滞回
- 传播延迟、上升/下降时间
- 可编程死区时间范围
五、功能描述
- 隔离与驱动:
- 输入侧与输出侧之间通过kV RMS隔离屏障隔离
- 可配置为双低侧、双高侧或半桥驱动器
- UVLO保护:
- 输入侧(VCCI)和输出侧(VDDA/VDDB)均具有UVLO保护,防止电压过低时损坏器件
- 输入与使能:
- 输出阶段:
- 高速源和沉电流能力,支持快速开关
- 可编程死区时间,防止射穿
六、应用信息
- 典型应用:
- 车载电池管理系统
- 高压DC-DC转换器
- 电机驱动器
- 不间断电源(UPS)
- 设计考虑:
- 输入滤波器设计
- 外部自举二极管及电阻选择
- 栅极驱动电阻选择
- 死区时间设置
- 布局与热管理
七、布局与热管理
- 布局指南:
- 将旁路电容靠近VDD和VCCI引脚放置
- 增大高压侧和低侧栅极驱动器之间的爬电距离
- 使用PCB切口防止隔离性能受损
- 热管理:
八、文档与支持
- 相关文档:提供产品数据表、应用笔记、半导体和IC封装热指标应用报告等
- 支持资源:包括TI EE支持论坛、文档更新通知等
九、封装与尺寸
- 封装类型:SOIC(引脚)
- 尺寸:具体尺寸信息请参考数据表中的封装图
该文档全面介绍了UCCx栅极驱动器的技术规格、功能特性、应用指南、布局与热管理要求,以及相关的支持资源和封装信息。