时间:2025-02-10 10:37
人气:
作者:admin
在智能手机领域,摄像头性能一直是用户关注的焦点,随着AI技术的融入,手机摄影已经进入了一个全新的时代。三星刚发布的AI手机S25,凭借其强大的AI影像功能,再次刷新了人们对手机摄影的认知。
而在这款手机摄像头的背后,隐藏着一颗关键的“隐形功臣”——7路LDO PMIC DIO8018。这颗芯片如何为S25的AI影像赋能?今天,我们将揭开它的神秘面纱。
什么是7路LDO PMIC DIO8018?
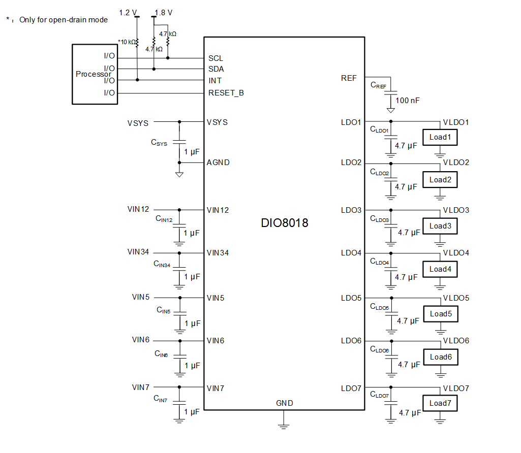
DIO8018是帝奥微电子发布的一款7路低压差线性稳压器(LDO)电源管理集成电路(PMIC),专为摄像头供电设计。它能够为多个摄像头提供稳定、高效的电源输出,同时具备高可靠性的特点。DIO8018具有2路1.5A大电流供电的低压差LDO,可以给高像素摄像头的DVDD供电;以及5路用于噪声敏感电源的92dB高PSRR LDO电源轨,可以给摄像头的AVDD提供超低纹波及噪音的稳定供电。另外,DIO8018具有很低的Dropout,LDO1/2在输出1.2V/1.5A时,Dropout典型值仅120mV,意味着输入与输出间的压差可以尽量小,从而减少功率损耗,提升整体效率。在三星 A1手机 S25 中,DIO8018 被用于摄像头的供电系统,为 Al影像功能提供了坚实的电力保障。

图:DIO8018应用框图
1.稳定供电,确保AI算法高效运行
AI影像功能依赖于复杂的算法,例如场景识别、夜景优化、人像虚化等。这些算法需要摄像头传感器和AI芯片协同工作,而DIO8018通过其7路LDO输出设计,能够为摄像头模组提供稳定的电压支持。稳定的电源供应确保了AI算法的高效运行,让每一张照片都能展现出最佳效果。
2.多路输出,满足多摄像头协同需求
三星AI手机S25配备了多颗摄像头,包括主摄、超广角、长焦和前摄。这些摄像头在AI场景中需要同时工作,例如在AI夜景模式下,多颗摄像头会协同捕捉图像信息。DIO8018的7路LDO输出设计,能够同时为多颗摄像头供电,确保它们在高负载下依然稳定运行,从而提升AI影像的整体表现。
3.为AI视频拍摄提供电力保障
除了拍照,AI视频拍摄也是三星AI手机S25的一大亮点。例如,AI视频防抖、AI实时背景虚化等功能都需要摄像头模块在高负载下持续工作。DIO8018通过其高效的电源管理能力,为摄像头提供了持续的电力支持,确保AI视频拍摄的流畅性和稳定性。
三星S25的AI影像功能之所以能够如此强大,离不开DIO8018这颗“隐形功臣”的支持。无论是AI场景识别、AI夜景优化,还是AI视频拍摄,DIO8018都为其提供了稳定、高效的电力保障。正是这种强大的硬件支持,让三星S25的AI影像功能达到了行业领先水平,为用户带来了前所未有的拍摄体验。
未来,随着AI技术的不断进步,帝奥微将继续深耕AI手机、AI服务器、AI眼镜等AI领域,致力于设计出更多高性能、创新的模拟芯片精品。