时间:2022-11-09 08:54
人气:
作者:admin
一.电源线噪声
电网中各种用电设备产生的电磁骚扰沿着电源线传播所造成的,电源线的噪声分为两大类:共模干扰和差模干扰。
1.共模干扰(Common-mode Interference):两导线上的干扰电流振幅相等,而方向相同者称为共模干扰。(任何载流体与地之间不希望有的电位)

共模干扰的消除
共模扼流圈工作原理如下:

共模扼流圈
当电路中的正常电流通过时,电流在同相位绕制的电感线圈中产生反向的磁场而相互抵消,此时正常信号电流主要受线圈电阻的影响(和少量因漏感造成的阻尼);当共模电流流过线圈时,由于共模电流的同向性,会在线圈类产生同向的磁场而增大线圈的阻抗,使线圈表现为高阻抗,产生较强的阻尼效果,以此衰减共模电流达到滤波的目的。


共模电容的工作原理和差模电容的工作原理是一致的,都是利用电容的高频低阻性,使高频干扰电路短路,而低频时电路不受任何影响。只是差模电容是两极之间短路,而共模电容是线对地短路。
消除共模干扰的方法包括:
(1).采用双绞线并有效接地。
(2).强电场的地方还需要采用度锌管屏蔽。
(3).布线时远离高压线,更不能将高压电源线和信号线捆在一起走线。
(4).不要和电控所共用同一个电源。
(5).采用线形稳压电源或高品质的开关电源(纹波干扰小于50mV)
(6).采用差分式电路
2.差模干扰(Differential-mode Interference):两导线上的干扰电流,振幅相等,方向相反称为差模干扰。(任何两个载流体之间不希望有的电位差)
(电容C的容量范围大致是2200pF-0.1uF,为减小漏电流,电容量不宜超过0.1uF)

差模干扰的消除

当干扰信号频率越高时,Zc越小,效果越明显,而低频时电路不受任何影响。(电容C的容量大致是0.01-0.47uF)
任何电源线上传导干扰信号,均用差模和共模信号来表示,差模干扰在两导线之间传输,属于对称性干扰;共模干扰在导线与地(机壳)之间传输,一般指在两根信号线上产生的幅值相等,相位相同的噪声,属于非对对称性干扰。在一般情况下,差模干扰幅度小、频率低、所造成的干扰较小;共模干扰幅度大、频率高,还可以通过导线辐射,所造成的干扰较小。
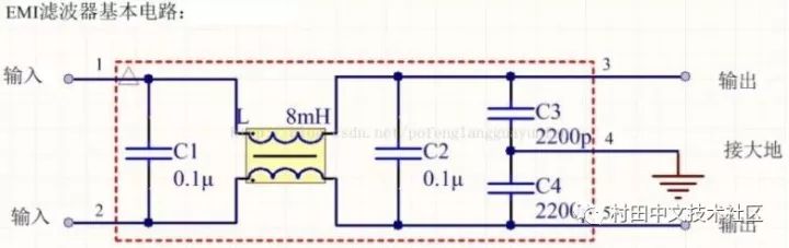
3.滤波器

该五端器件有两个输入端,两个输出端和一个接地端,使用时外壳应该接到大地。
L抑制共模干扰,对差模干扰不起作用。

其中两条红线是火线和零线N的共模干扰电流回路,称为漏感电流回路。
L相对于N为220V,外壳如果不接地,存在110V的电压
对地漏电流计算:
Icd=2*pi*f*C*Uc
其中Icd为漏电流;f为电网频率;
Icd=ICYL+ICYN
=50*110*2*3.1415926*(2200p)*2
=0.15mA
漏电流与C成正比,这样安全性高(但是C取的太小,漏电流太小又起不到消除干扰的目的),一般为几百微安到几毫安。
接地线的电阻越高,使用者面临的风险越大,如果一个人触碰了破损接地线的设备,漏电流将流经人体到达大地。

常用的四种简易的EMI装置
为降低成本和减小体积,开关电源一般采用简易的EMI滤波器,主要包括共模扼流圈L和滤波电容,以下四种可以根据情况进行选择:



上图R为放电电阻,可将C1上积累的电荷放掉,避免因电荷积累而影响滤波特性,断电后还能使电源的进电端不带电,保证使用的安全性。

二.输入电流畸变造成的噪声
开关电源普遍采用桥式整流,电容滤波的装置。在没有PFC功能的输入级,由于整流二极管的非线性和滤波电容的储能功能,使得二极管的导通角变小,输入电流变成一个峰值很高、时间很短的尖峰脉冲电流。给系统带来了谐波干扰,并且降低了功率因数。
三.开关管及变压器产生的干扰
开关管是开关电源的核心器件,同时也是干扰源。当开关管的频率升高,开关管的开关频率升高,会给整个系统增加干扰,此时如果吸收回路的二极管或者电容电阻的参数选择不当的时候也会给整个系统带来干扰。
开关电源工作过程中,由初级滤波大电容、高频变压器初级线圈和开关管构成一个高频电流回路,该回路造成一个较大的辐射噪声。
四.输出整流二极管产生的噪声
理想的二极管在承受反向电压时截至,不会有反向电流通过。而实际二极管,当二极管正向导通时,PN结类的电荷被积累,当二极管承受反向电压时,PN结类的电荷释放并形成一个反向恢复电流,它恢复到零点的时间与结电容的大小有关。可以在二极管两端并联RC,用来吸收噪声。
五.分布及寄生参数引起的开关电源的噪声
开关电源的分布参数是多数干扰的内在因素,开关电源和散热器之间的分布电容、变压器初次级之间的分布电容、原副边的漏感都是噪声源,此外在高频信号下的元件都有高频特性。高频工作时导线变成了发射线、电容变成了电感、电感变成了电容、电阻变成了共振电路。
审核编辑:汤梓红