时间:2025-08-04 17:40
人气:
作者:admin
电流测量精度和可靠性对于光伏逆变器系统至关重要,因为这决定了功率级的控制精度并进一步影响能量收集效率。对于高压光伏逆变器系统,穿孔式电路板安装霍尔效应电流传感器(或例如磁性电流传感器)具有固有的隔离特性,并且测量不会干预测量电路,从而为接线和安装提供了便利。
闭环霍尔效应电流传感器可提供高精度、快速响应、低灵敏度和低非线性误差,传感器需要额外的磁芯、线圈和大功率放大器来驱动线圈,这使得闭环霍尔效应电流传感器与开环霍尔效应电流传感器相比,具有更复杂的结构、更大的尺寸、更高的功耗和更高的成本。因此,考虑到性能与复杂性之间的权衡,开环穿孔电路板安装霍尔效应电流传感器长期以来广泛用于光伏逆变器系统。
但是,开环穿孔霍尔效应电流传感器通常无法在使用寿命和温度范围内实现高精度。同时,由于磁芯可能发生脆性损坏,该传感器在安装和运输过程中很容易发生故障,从而降低了系统可靠性。如果开环霍尔效应电流传感器可以像闭环电流传感器一样提供足够的精度、响应能力、灵敏度和非线性性能,则效果会非常好。更好的选择是使用TMCS112x 和 TMCS113x 等封装内霍尔效应电流传感器。TI 出品的封装内霍尔效应电流传感器具有高精度和低漂移的特性,无论时间、温度如何变化,都能实现精确的电流测量。此外,一体式封装设计还有利于紧凑的设计,不会影响隔离性能,且不会增加系统的复杂性或成本。近年来,光伏逆变器系统出现了使用封装内霍尔效应电流传感器来替代传统穿孔传感器的趋势,这有利于太阳能系统性能、功率效率和可靠性。
采用霍尔效应电流检测的太阳能应用场景
用霍尔效应电流检测功能的常见太阳能应用场景包括串式逆变器、住宅逆变器、混合逆变器、微型逆变器、光伏电源优化器和中央逆变器的智能汇流箱等。
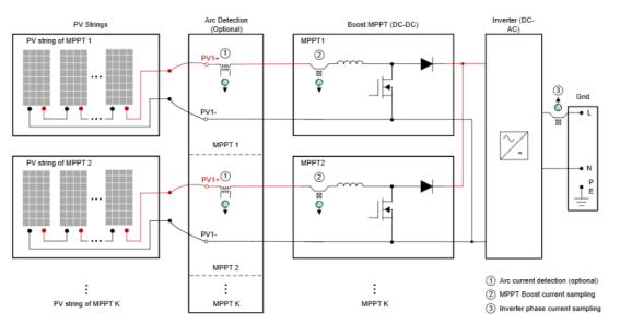
串式逆变器通常是部署在工商业系统和公用系统中的三相逆变器。功率等级通常大于50kW。图 1 示出了典型的三相串式逆变器方框图,其中使用霍尔效应电流传感器来测量以下电流。
Ÿ 串电流采样。
Ÿ 电弧电流检测(可选)。
Ÿ MPPT 升压电流采样。
Ÿ 三相电流采样。

图1 具有霍尔效应电流传感器的三相串式逆变器方框图
1.1 串电流采样
除了串电流显示功能外,串电流采样还用于I-V 曲线扫描和诊断,以实现智能维护工作。PV 发电厂具有大量的 PV 串。同时,一个 PV 串也由多个 PV 模块(PV 电池板)组成。事实上,任何 PV 模块或电气连接都可能存在导致发电损耗的潜在故障或风险。例如,阴影、防尘和玻璃面板破裂可能导致串中的电流失配。二极管短路、电缆断开、潜在诱导降级 (PID) 和发热点可能导致串开路电压过低。
PV 系统面临的挑战是如何准确快速地找到和处理这些故障或风险。传统的方法是离线手动检验,效率极低、成本高昂。目前流行的方式是在线 I-V 曲线扫描与诊断,以提高 PV 系统故障识别的效率和准确性。
图2 展示了正常和异常 I-V 曲线扫描和诊断的示例。由于 PV 系统的异常可导致 I-V 特性曲线发生不同的变化,因此 I-V 曲线监控结果可用于分析 PV 系统运行期间的潜在故障或风险。因此,串电流和电压采样的精度是决定最终故障诊断精度的关键因素之一,也间接决定了发电效率。这对于商业-工业 PV 发电厂和公用事业 PV 发电厂非常重要,因为输出对它们而言很重要。
还要注意,串式逆变器中的最大功率点跟踪(MPPT) 通常在 PV 阵列级实现,而 I-V 曲线扫描在单串级实现。

图2 正常和异常 I-V 曲线扫描和诊断示例
1.2 电弧电流检测(可选)
电弧故障断路器(AFCI) 是太阳能系统中的一项新兴要求,也逐渐成为某些国家/地区法律法规中的强制性要求。根据 UL 1699B,要求将 AFCI 用于太阳能设备以防止危险,尤其是在 PV 面板安装中发生的火灾。需要进行电弧电流检测来收集和分析 PV 串和逆变器之间的直流电流上存在的交流噪声电流,然后区分电弧和非电弧事件。
电弧电流范围从几十mA 到几安培,频谱可低至几 KHz,并且最高可达几百 KHz。这样的频率要求电流传感器具有高灵敏度、高带宽和低噪声水平。电流互感器 (CT) 可在初级高电流侧和次级低电流侧之间提供高测量精度和安全隔离。该器件已广泛用作电弧电流检测传感器。但 CT 存在着缺点,即 CT 具有负载功率损耗并占用很大的 PCB 尺寸。封装内霍尔效应电流检测设计也逐渐成为电弧电流检测的新趋势之一。
1.3 MPPT 升压电流采样
如图1 所示,MPPT 级通常使用升压拓扑实现。对 PV 阵列电压和电流采样,作为控制输入信号以实现 MPPT。通常会对平均电感器电流进行采样,并且 MPPT 控制频率远低于开关频率。MPPT 升压电流采样的精度与串电流采样的精度同样至关重要,因为这决定了 MPPT 的精度,而 MPPT 的精度最终会影响发电效率。
1.4 三相电流采样
逆变器三相电流采样包括逆变器的交流电流(R 相、S 相、T 相)和相应的直流分量。三相电流采样和信号调节的典型方框图如图 2-3 所示。相电流由 DSP ADC 采样,以用于统计逆变器功率级控制和发电信息。相电流的交流分量将被滤除,仅保留直流分量并进行放大,然后由 DSP ADC 采样,以用于直流分量抑制控制。
对于并网逆变器,理论上只允许交流电流注入电网。但实际上,逆变器输出电流不可避免地包含一些直流分量,这会对电网、电网负载和电网设备造成损害。因此,不太可能完全移除逆变器的直流分量,但需要将其控制在特定的低范围内。诸如IEEE 1547-2018 等标准定义了电网侧交流电流中直流分量的限值,例如低于额定输出电流的 0.5%。
三相电流采样的精度对于逆变器功率级控制、发电统计和直流组件抑制非常重要。尤其是对于直流分量过大的问题,若使用具有高精度和低漂移的霍尔效应电流传感器,可以在开始时很有利于解决问题。
电流传感器精度的另一个相关问题是无功发电。对于有功发电,电流环路的基准由电压环路生成。电流传感器的误差可以通过电流控制器极大地缓解,在这种情况下,直流母线电压检测的精度非常重要。但对于无功发电,无功电流的基准直接由MCU 生成。因此,如果电流传感器不准确,逆变器的输出电流不能是设定值。使用高精度 TI 霍尔效应电流传感器也很有利于解决此类问题。

图 3 三相电流采样和信号调节的典型方框图
住宅逆变器通常是指部署在住宅系统中的单相逆变器和三相逆变器。单相逆变器的功率等级通常小于10KW,而三相逆变器的功率等级则通常为 10KW 至 50KW。三相住宅逆变器的系统架构与前面讨论的串式逆变器的系统架构非常相似。
最大的区别在于,住宅逆变器的独立MPPT 输入数量要小得多,并且每个 MPPT 的 PV 串数量可以是 1 或 2,具体取决于功率等级。例如,50kW 三相住宅逆变器具有 4 个 MPPT 输入和总共 5 到 8 个 PV 串输入。对于单相逆变器,这方面要简单得多。例如,10KW 单相住宅逆变器具有 3 个 MPPT 输入和总共 3 个 PV 串输入。图 4 示出了具有霍尔效应电流传感器的典型单相住宅逆变器方框图。
考虑到逆变器功率等级和目标应用场景,与串式逆变器相比,住宅逆变器在串电流采样和MPPT 升压电流采样中没有严格的高精度要求。由于住宅系统通常相互独立,并且部署规模很小,因此即使较低电流采样精度会导致一些发电输出损失,也不是什么大问题。而对于相电流采样,住宅逆变器具有与串式逆变器相同的高精度要求和相应原因。

图4 具有霍尔效应电流传感器的单相住宅逆变器方框图
光伏混合逆变器是一种将传统光伏逆变器的优势与电池功率转换系统相结合的器件。这一过程使用户能够有更多的替代方案来生产、储存和使用更环保的电力。混合逆变器不仅能够连接多个PV 串并将直流电转换为交流电,还能够支持直接将直流电送入电池储能系统 (BESS)。通过集成电池功率转换系统(例如双向直流/直流转换器),混合逆变器通过直流母线耦合消除了不必要的直流到交流功率转换,从而降低了损耗。
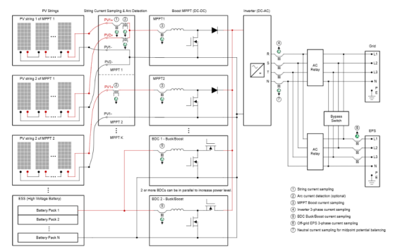
混合逆变器主要用于住宅和小型工商业应用场景。单相混合逆变器的功率等级通常小于10KW。三相混合逆变器的功率等级通常从几 KW 到几十 KW 不等。图 2-5 示出了具有霍尔效应电流传感器等的典型三相混合逆变器方框图。
Ÿ 串电流采样。
Ÿ 电弧电流检测(可选)。
Ÿ MPPT 升压电流采样。
Ÿ 逆变器三相电流采样。
Ÿ 双向转换器(BDC) 电流采样。
Ÿ 离网紧急电源(EPS) 三相电流采样。
Ÿ 用于中点电势平衡的中性线电流采样。
与上述串式逆变器或住宅逆变器相比,由于ESS 和离网 EPS 功能,混合逆变器具有更多的霍尔效应电流传感器。此外,对于频繁停电的市场(如非洲),混合逆变器还支持从柴油发电机获取能源。柴油发电机端口存在额外的离网三相电流采样。

图5 具有霍尔效应电流传感器的三相混合逆变器方框图
3.1 BDC 电流采样
图5 显示了采用高压电池的逆变器。对于高压电池(通常为 150V 至 600V)BDC 充电和放电,通常使用非隔离式 2 级降压/升压拓扑。霍尔效应电流传感器可用于电感器电流采样,以实现控制和保护目的。此外,平均电感器电流等于也可用于电池功率统计功能的电池电流。
对于低压电池(通常为40V 至 60V)BDC 充电和放电,通常需要隔离式拓扑,例如 DAB 和 CLLLC 等。霍尔效应电流传感器可用于初级侧电流、次级侧电流和谐振回路电流采样。阅读此应用简报功率转换系统 (PCS) 中的隔离式双向直流/直流转换器,了解更多信息。
3.2 离网EPS 三相电流采样
EPS(也称为备用电源)可提高混合逆变器的多功能性。EPS 使逆变器能够在并网模式和离网模式(岛模式)下工作。在并网模式下,太阳能首先进入备用负载和正常负载。多余的能量将储存在电池中或进入电网。同时,在 PV 和电池的电能小于备用负载功率的条件下,电池或电网或者两者都可以为备用负载供电。备用负载的最大输出功率(例如,最大输出电流)能力可能大于逆变器的额定交流输出功率。以市场上常见的 25KW 三相混合逆变器为例,该逆变器支持最高 37.9A 的交流输出电流,而在并网模式下,支持 43KW 的最大输出功率(63A 最大输出电流),用于备用负载。在离网模式下,混合逆变器可在电网中断或紧急情况下从太阳能或电池获取能量,从而确保无中断供电。
与逆变器三相电流采样不同,理论上而言,EPS 三相电流采样不用于功率级控制,也不需要考虑直流分量抑制,因为对于备用负载,即使超出范围也不会对电网、电网负载和电网设备造成损坏。但是,该方法用于备用负载功耗统计数据,使用具有高精度和低漂移的霍尔效应电流传感器可提高计量精度和可靠性。
3.3 用于中点电势平衡的中性线电流采样
混合逆变器中存在另一个重要的霍尔效应电流传感器,用于中点电势平衡的中性线电流采样。在专为三相设计的系统中,每个相位上的负载需要保持不变。但是,在一些三相家用或商业应用场景中(例如在德国和奥地利),会同时使用三相和单相负载,这可能会导致三相之间的功耗不平衡。这意味着一个或两个相位可能比其他相位有更高的功率需求。这会导致中性线电压不平衡,从而导致电网和电网设备出现问题。要为系统中的单相负载供电,意味着每个相位的输出功率取决于相应的负载消耗,不能相同,混合逆变器通常具有不平衡的输出功能。光伏逆变器供应商通常有一些特性说明,例如在供应商数据表中,在备用模式和电网模式下支持100% 不平衡输出(甚至可达 110%)。
如果三相负载平衡,则中性线中不需要任何电流,并且平衡了中点电势,例如达到总线电压的一半。相反,如果负载不平衡,则中性线拉电流或灌电流会导致中点电势变化。这种情况需要补偿中点电势不平衡。
图6 显示了 2 个分相电容器的传统方式。中性点是具有等效电容的两个大型电解电容器 C1 和 C2 的中点。中性线电流继续为一个分相电容器充电,同时将另一个电容器放电特定的一段时间,以保持中点电势平衡。尽管实际上两个分相电容之间存在一些小电容或电压不匹配,但该设计易于实现,并且仍广泛用于串式逆变器和住宅逆变器,其中电网三相输出必须平衡。但是,对于明显的不平衡输出,中性线电流中的直流分量会导致严重的电压不匹配,进而导致逆变器故障关断保护。

图6 用于三相逆变器中点电势平衡的 2 个分相电容器设计
与串式或住宅逆变器不同,混合逆变器有第四个桥臂(也称为平衡电桥,逆变器因而被称为三相四桥臂逆变器),可主动控制中点电压,使逆变器支持不平衡输出,如图2-7 所示。第四个开关桥臂的控制与三相逆变器去耦。平衡电桥控制涉及中性线电流采样,可以在其中使用霍尔效应电流传感器。

图7 使用 12V 负载系统进行测试
分相混合逆变器专门设计用于将单相功率输出拆分为两个独立的相位。这通常适用于电网支持分相的情况,例如在北美(115V/230V) 和日本 (100V/200V) 市场。分相逆变器具有与三相混合逆变器相同的不平衡负载输出需求。图 8 示出了具有霍尔效应电流传感器的典型分相混合逆变器方框图。

图8 具有霍尔效应电流传感器的分相混合逆变器方框图
图9 所示为具有第四桥臂(也称为平衡电桥)的 HERIC 逆变器,其可主动控制中点电压,使逆变器能够支持分相(非平衡负载)输出。

图9 用于分相逆变器内中点电势平衡的平衡电桥设计
微型逆变器是一种主要用于住宅用例的终端设备,微型逆变器的额定功率范围可为几百瓦到几千瓦。微型逆变器可以灵活应用于小型屋顶和阳台,集成了BESS 来为家用电器产生和存储电力,这有助于更高效地节省电费。
封装内霍尔效应电流传感器可用于微型逆变器应用,以大幅减小PCB 尺寸并提高系统的可靠性。图 10 示出了具有霍尔效应电流传感器的典型微型逆变器方框图,例如,
Ÿ 交流电流采样
Ÿ 谐振回路电流采样
交流电流采样主要检测注入电网的50Hz 电流,此电流信息也可用于保护直流/交流转换器的功率器件。微型逆变器的交流电流采样具有与前几节中提到的相同高精度和低漂移要求。
谐振回路电流采样通过判断此电流,可以实现精确的同步整流器晶体管导通或关断以及过流保护。因此,该电流信息的时序对于提高效率非常重要,需要高带宽和低传播延迟的霍尔传感器。

图10 具有霍尔效应电流传感器的微型逆变器方框图
电源优化器是一种通常与串式逆变器搭配使用的终端设备。电源优化器提供模块级监控功能、快速关断功能和模块级MPPT 功能,可提高 PV 系统的安全性并有助于为整个 PV 串生成更大的功率,尤其是在这些串处于部分遮蔽和其他异常情况下时。
电源优化器使用降压和4 开关降压/升压的常见拓扑。降压拓扑通常使用分流电阻器和放大器的低侧电流采样。而 4 开关降压/升压转换器通常使用高侧电流采样。优化器的输入端连接到一个 PV 板或两个串联的 PV 板,共模电压最高可达 150V,其中 2 个 PV 板串联。封装内霍尔效应电流传感器是 4 开关降压/升压优化器的理想选择。如图 11 所示。出于电流环路控制和保护目的,对电感器电流进行采样。

图11 使用 12V 负载系统进行测试
智能汇流箱(也称为PV 流箱,简称 PVS)用于中等到大规模 PV 电网连接发电系统中的中央逆变器。为了减少 PV 串和逆变器之间的连接线路,简化维护并提高可靠性,在 PV 串和逆变器之间添加了 PVS。根据中央逆变器尺寸,智能汇流箱通常支持 16/18/20/24/32 通道,并且在箱中对所有 PV 串电流进行采样。图 12 示出了采用霍尔效应电流传感器的智能汇流箱应用场景。与串式逆变器一节中所述的串式电流采样一样,智能汇流箱的电流监控功能也需要高精度来实现高故障诊断精度和发电效率。

图12 采用霍尔效应电流传感器的智能汇流箱应用场景
表1 汇总了光伏逆变器系统以及有助于分析封装内霍尔效应电流传感器使用情况的关键信息,如表 2 所示。

表1 光伏逆变器系统总结

表2 封装内霍尔效应电流传感器使用统计信息
注:
Ÿ 对于逆变器相电流采样,是否可以使用封装内霍尔效应电流传感器取决于逆变器的功率等级(电流额定值)。封装内霍尔效应电流传感器可能会在大功率逆变器中出现温度问题。
Ÿ 该表数据基于采用高压电池的逆变器的降压/升压 BDC。在该表中,没有示出带低电压电池的逆变器的隔离式拓扑(例如 DAB 和 CLLLC 等),其具有更多电流传感器。
Ÿ 柴油发电机和电弧检测是可选功能,相应的电流传感器数量未包含在总数量中。柴油发电机端口存在额外的离网相电流采样。电弧电流传感器的数量等于PV 串的总数。

表3 光伏逆变器系统示例

表4 封装内霍尔效应电流传感器使用统计信息示例
总结
随着对太阳能和ESS 的持续投资和开发,更准确和更可靠的电流检测技术可以让电网在收集能量时更安全、更高效。德州仪器 (TI) 的封装内基于霍尔效应的技术(例如 TMCS112x 和 TMCS113x)不仅可以提供高精度和低漂移,能够在整个生命周期和温度范围内实现精确的电流测量,而且易于使用且成本低廉,因此广泛用于替代传统的穿孔霍尔效应电流传感器。本应用手册概述了可使用封装内霍尔效应电流传感器的常见太阳能应用场景。
关于德州仪器
德州仪器(TI)(纳斯达克股票代码:TXN)是一家全球性的半导体公司,从事设计、制造和销售模拟和嵌入式处理芯片,用于工业、汽车、个人电子产品、企业系统和通信设备等市场。我们致力于通过半导体技术让电子产品更经济实用,让世界更美好。如今,每一代创新都建立在上一代创新的基础上,使我们的技术变得更可靠、更经济、更节能,从而实现半导体在电子产品领域的广泛应用。
上一篇:水压传感器选择时的考虑因素