时间:2025-08-29 13:48
人气:
作者:admin
MEMS麦克风以其极致的小巧、卓越的性能、强大的稳定性和极具竞争力的成本,席卷了从消费电子到工业物联网的各个角落。无论是打造清晰通话的TWS耳机,赋予智能设备“听”的能力,还是在嘈杂环境中精准拾音,MEMS麦克风都扮演着至关重要的角色。本指南将带您深入浅出地探索MEMS麦克风的核心世界,我们将拨开技术迷雾,聚焦实际应用,为您解析MEMS麦克风从设计到应用的一系列注意事项和应用指南。无论您是硬件工程师、声学设计师、产品经理,还是对前沿科技充满好奇的爱好者,这份指南都将为您提供实用、落地的知识,助您充分发挥MEMS麦克风的潜能,让您的声音产品“听得更清,做得更棒”!
MEMS麦克风简介
MEMS结构分类
Top结构:性能低,SMT引入异物风险低,如果做高性能需通过特殊结构实现。
Bottom:性能高,SMT引入异物风险高,需注意防护。

主要部件和功能说明

过程和存储建议
•MEMS产品对洁净度要求较高,建议在10万级以上净化车间组装生产;
•产品周转过程中需注意音孔防护,禁止洗板操作;
•产品保存期限:在ESD包装袋未打开,环境条件:30 ºC,70% R.H.的情况下,可在客户代理商端存储12个月;

整机PCB焊盘和网板设计
•建议整机PCB焊盘与MIC焊盘比例为1:1;
•推荐钢网厚度范围为0.08-0.1mm,钢网开孔与PWB焊盘比例为0.8:1或者0.9:1,以将锡珠含量降至最低;
•MIC音孔周围地环网板建议采用3段式设计,连接筋宽度0.12-0.15mm,在保证地环闭合的同时降低气泡产生概率;
•MIC方形焊盘和圆形焊盘建议采用分段式设计,网板开孔面积占焊盘面积的75-80%,以降低气泡产生概率;

整机PCB线路设计建议
模拟MEMS整机线路设计建议
•靠近VDD端对GND增加滤波电容C1,建议电容值0.1μF,可以降低电源端纹波干扰;
•输出端增加隔直电容C2,可以减小MIC输出直流电压对Codec影响。其值可根据以下公式计算得出
3dB cut-off frequency=1/2πRLC2,其中RL负载电阻


•针对单端MIC,为降低干扰,建议采用伪差分电路。

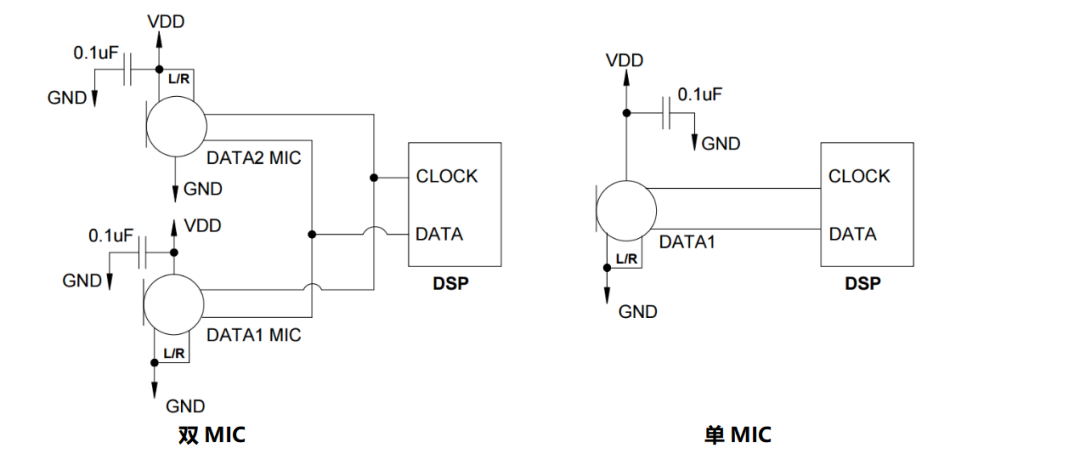
数字MEMS整机线路设计建议
•可通过对L/R引脚的设置实现单声道或者双声道的使用,一般情况下,单MIC使用时,建议客户将L/R引脚接地,避免电源噪声的影响;
•双MIC使用时,可将两个MIC的输出并联走一条输出线,适合多MIC阵列应用场景,节约I/O口资源。
•建议在靠近每个麦克风VDD端放置一个0.1-1uF电容,消除电源纹波;
CLK走线长度较长时,需要在靠近codec端串联50-100Ω匹配电阻,消除信号反射;
•不要在DATA上加上拉/下拉电阻,可通过增加buffer电路来提升驱动能力;
•禁止信号线(CLK/DATA)长距离相邻并行走线,会导致高频信号干扰;

静电防护设计建议
静电分为接触和空气两种方式,各自设计电路参考如下:
接触静电:MIC本身具备一定防静电能力,若不能满足整机需求,建议在VDD和OUT增加TVS,稳压管或压敏电阻来提升抗静电能力。
空气静电:针对各管脚的静电,建议同接触静电线路;针对音孔的静电,主要靠增加静电泄放路径,即增加接地路径,以便静电可以通过GND泄放掉。

射频干扰设计建议
手机射频干扰、蓝牙2.4GHz干扰、以及WiFi 5-6GHz干扰为主要的射频干扰源,已成为MEMS选型必须要考虑的因素。通过滤波线路和抗干扰金属壳设计,可以有效提升抗射频干扰能力。同时,针对客户端遇到的问题,可以参考如下步骤优化:
1)确定干扰是传导还是辐射
2)定位干扰位置
3)通过增加滤波、隔离、屏蔽等方式优化

SMT贴片建议
吸取建议
•Bottom结构可以直接吸取外壳表面,注意避开边缘位置;
•Top结构吸取时注意避开音孔位置

整机PCB分板建议
•PWB或FPC分板时建议使用防护胶贴住MIC音孔或使用治具密封,预防分切产生的粉尘进入MIC内部;
•分板后禁止使用气枪直接吹击残留碎屑,如果必须进行清洁,可采用以下两种方式:
1)使用无尘布擦拭,擦拭过程注意静电防护和MIC防护
2)必须使用气枪吹击时,建议吹击条件:气压<0.3Mpa,气枪内径>2mm,吹击距离>5cm,吹击时间<5S;

返工推荐建议
•Bottom结构MIC,热风枪垂直对准MIC约15S,距离1-2cm;
•Top结构MIC,热风枪60°对准MIC远离音孔的位置约15S,距离1-2cm,音孔贴可泄气的高温膜防护;

整机声音通道设计建议
•机壳声孔开孔直径尽量大(≥φ1.0mm),厚度尽量薄(≤1mm);
•胶套和密封垫声音通道直径尽量大(Top类大于音孔0.5mm);
•声孔增加mesh或其他声阻材料,可以降低高频谐振峰幅度,得到更平坦的频响曲线。
•声音通道长度尽量短(<3mm),建议L型管道设计,既可以减小异物引入风险,又能保证频响平坦性;
常见声音通道设计


•Bottom结构MIC整机板设计需要开孔,为保证频响曲线的平坦性,开孔不易过小,但考虑到地环焊接面积以及异物引入风险,开孔也不易过大,建议值参考下表:


装配建议
•整机小板固定建议
通过锁螺丝或卡扣方式固定在整机上,此过程会产生一定的应力,作用在MEMS上,导致灵敏度变化甚至破膜问题。建议MIC放置在整机小板的中间位置,同时避开螺丝孔或卡扣等应力集中点,锁螺丝时需均匀用力,避免局部用力过大。

•声音通道装配建议
整个声音通道必须保持密封,任何声音泄露都可能引起回声、噪声及频响问题。
回声问题多数是由垫圈密封不严引起的,垫圈处的声泄露会让喇叭的发声及其它噪声进入机壳内部从而被MIC拾取,也会导致其它噪声源产生的音频噪声被MIC拾取,从而引起回声或噪声问题。

整机测试建议
•对于密闭腔测试环境,需保证工装与MIC声孔密封贴合,避免漏气影响频响曲线。
•如果需要金咪校准声腔,建议使用标准金咪。没有标准金咪的话,需使用各厂家的麦克风单独做金咪,不同厂家金咪不可通用,以免引起灵敏度差异。
•数字麦克风如果采用DA转换方式测试灵敏度,则不同DA转换板之间会有差异,建议与客户系统进行对标。