时间:2025-08-18 17:19
人气:
作者:admin
近年来,国家能源局提出的“千家万户沐光行动”,鼓励老百姓和中小企业在屋顶装光伏,推动着分布式光伏快速下沉到城乡屋顶。2025年3月份国家能源局印发《关于进一步组织实施好“千家万户沐光行动”的通知》中指出,要引导农村分布式光伏就地消纳,以及高度重视农村分布式光伏发电项目的运维工作。
屋顶光伏由于离人近,线路老化或者设备故障都可能引发火灾或者触电。农村自家屋顶光伏发电自家优先消化,多余的再并入电网。如何在农村低成本运维的条件下,保证逆变器的安全、稳定运行,成为行业的关注焦点。
光伏逆变器(PV inverter或solar inverter)可以将光伏(PV)太阳能板产生的可变直流电压转换为家用/商用的市电频率交流电(AC)的逆变器。这个电可以自用或并入电网。
逆变器要把直流电变为交流电,必须精准知道输入直流电流有多大,因为光伏板的发电效率随光照、温度变化,光伏逆变器通过MPPT(最大功率点跟踪)实时“找”到能发最多电的点,提升发电效率,因此,电流测不准,MPPT会失效,发电量就少。由于屋顶分布式光伏朝向比较固定,易受到阴影遮挡,以及气候变化等因素的影响,输出电流存在波动大、谐波干扰强的特点,这对逆变器的电流检测提出了更高要求。
一个高效可靠的逆变器,离不开准确的电流采样,这需要电流传感器要有宽动态范围、高抗干扰能力、以及隔离检测能力。应对晴天到阴天、满发到低发的快速切换,抵御逆变器内部开关频率带来的电磁干扰。以下是一些方案对比:
对比项 | 传统电磁式传感器 | AN3V霍尔电流传感器 |
精度稳定性 | 温度漂移±3%~5% | 全温区±1.6%(TCG参数) |
响应速度 | 毫秒级,跟不上快速变化的电流 | 250kHz带宽+2.5μs跟踪时间 |
抗干扰 | 易受电磁噪声影响,数据波动大 | 电气隔离设计,抗干扰能力强,超低噪声:1.3mVRMS |
安全冗余 | 隔离耐压≤2.5kV | 4.3kV耐压+8kV浪涌防护 |
环境适应性 | 耐温一般≤85℃,屋顶高温易罢工 | 工作温度-40℃~105℃,不怕晒 |
安装难度 | 体积大,需预留更多空间 | 紧凑设计,适配小体积逆变器 |
方案类型 | 精度 | 隔离性 | 动态响应 | 屋顶适配性 |
分流器 | ±0.5% | 无隔离 | 快 | 高温易漂移 |
磁通门 | ±0.2% | 中等隔离 | 慢(ms级) | 体积过大 |
AN3V | ±1% | >8mm爬电距离 | 2.5μs | -40℃~105℃ |
AN3V可安装部署在MPPT控制环节和并网检测环节,帮助逆变器实现高效与稳定运行。

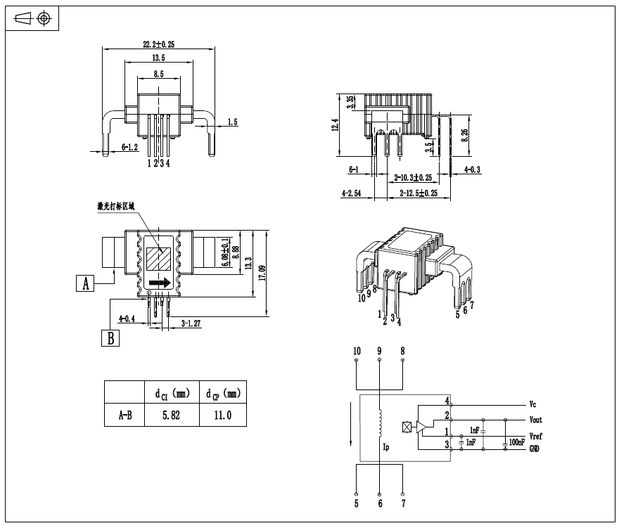
AN3V PB35/55系列,是芯森电子专为大电流检测场景精心打造、全新量产的开环霍尔电流传感器产品。
该系列产品精准聚焦电源、光伏、储能等行业领域,深度契合这些领域对电流测量所提出的高可靠性与高
一致性的严苛需求。AN3V系列新品主要包括AN3V PB35/PB55等多个型号,覆盖从80A到200A的额定测量范围。不仅保证了测量精度,还大幅提升了动态测量范围,可靠性提升,线性度优异。

n EC 60664-1:2020
n IEC 61800-5-1:2022
n IEC 62109-1:2010

“千家万户沐光行动”为分布式光伏的发展按下了快进键,也对逆变器的监测与保护提出了更高要求。像AN3V这样优秀的国产传感器,凭借高精度稳定性、高压隔离、宽动态范围、抗干扰设计等特性,成为分布式逆变器稳定并网的技术基石。