时间:2025-08-26 10:34
人气:
作者:admin
以下文章来源于一个小小可爱的PingPong球,作者RamboLiu
霍尔电流传感器作为隔离式电流检测产品,凭借其无插损以及高性价比与稳定性在市场广泛应用,霍尔传感器又分为开环与闭环传感器,闭环采用主动式中和磁场原理可以还原线路的电流从而实现更高精度的检测,前面文章有介绍过电流传感器的分类以及精度计算方式。
分流器具有高精度、高温度稳定性、高性价比等优点,但是存在插入损耗,并且无隔离功能,需要串接于电路当中,同时对于非地端的电流检测,需要增加隔离运放配合作为电流信号采集。
霍尔传感器与分流器或精密电阻属于竞争与共用的关系,Littelfuse随着产品线不断扩充,已经兼具高精度电阻与霍尔电流传感器,本章简单分享现有开环霍尔电流传感器产品作为参考。
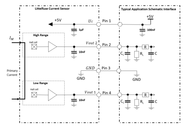
CH1S01xB系列
双通道模拟信号输出设计,可以实现不同量程的高精度检测,由于线性误差会对小电流检测产生很大的误差,因此区分大小电流两个量程可以有效提高整个电流范围内的检测精度,下图的引脚2与3为双通道输出脚。量程1100A,采用5V供电, 参考电压2.5V,工作温度范围-40~125°C,线性误差0.5%,增益误差1.2%,高线性误差可以提高小电流精度。


下方为命名规则对应的不同构造与量程范围。

CH1B02xM系列
单通道模拟信号输出,集成铜排,量程1500A,采用5V供电, 参考电压2.5V,工作温度范围-40~125°C,线性误差0.8%,增益误差1%。



CH1B032B系列
单通道数字信号输出,集成铜排,量程1500A,采用5V供电工作温度范围-40~85°C,采用CAN通信。


CH1B02xB系列
双通道模拟信号输出,集成铜排,量程1500A,采用5V供电, 参考电压2.5V,工作温度范围-40~125°C,线性误差0.8%,增益误差1%。


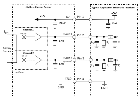
从如下结构可以看出,输出方式有三种,其中一种为单通道输出,第二种为两个量程测量,第三种为双通道输出同一个量程,实现冗余设计。

CH1P01xM系列
PCB案子方式,单通道模拟信号输出,集成铜排,量程900A,采用5V供电, 参考电压2.5V,工作温度范围-40~125°C。



霍尔传感器典型应用框图,作为三相输出电流检测:

本章简单分享开环霍尔传感器产品系列,最大量程到1500A,输出有模拟信号与数字信号,同时有单路输出与双路输出,双路输出中又分为不同量程与同样量程的冗余设计,可见通过不同的设计可以使其满足应用需求。
同步附上精密电阻产品系列供参考。
