时间:2025-07-11 15:11
人气:
作者:admin
一、多光谱传感器概述
多光谱传感器通过分光技术将光分为窄波段,经探测器转换为电信号,处理后提取目标多光谱特征,通过不同谱段反射/辐射差异识别物质特性。由光学(成像、分光元件)、控制和显示部分(信号处理、图像呈现)组成,具备多波段探测、高光谱分辨率、非接触测量等特点,应用于农业、环境、医疗、工业、遥感、安防等领域。
二、实现原理与技术应用
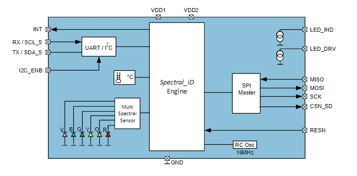
1、雷卯EMC小哥绘制多光谱传感器工作原理图如下:

2、多光谱技术的广泛应用
应用领域 | 核心技术(光谱通道 / 波长) | 典型案例及主要成效 |
农业 | 8 通道 VIS(400-700nm)+ 1 通道 NIR(750nm,测叶绿素) | 富士苹果智能采收(山东烟台试点):采收时机判定误差 ≤ 1 天,过熟损耗降低 32% |
农业 | 7+1 通道(红边 730nm、近红外 900nm) | 大疆农业无人机 T60 麦田管理:单架次覆盖 15 公顷,氮肥用量减少 15% |
医疗 | 可见光(400-700nm)+ 红外 850nm | 飞利浦新生儿重症监护仪:心率误差 ≤ 3 次 / 分,呼吸暂停预警响应 < 3 秒 |
医疗 | 400-1000nm(500nm 黑素、570nm 血红蛋白) | 佳能医疗皮肤成像系统:早期黑色素瘤识别准确率 88%,较目视检查提升 25% |
环境监测 | 5 通道(蓝 450nm / 绿 550nm / 红 650nm / 红边 730nm / 近红外 840nm) | 中科院南京地理所 水体监测:提前 72 小时 预警蓝藻水华,应急成本降低 55% |
环境监测 | 热红外 8-14μm + 短波红外 1.5-1.8μm | 华为 & 森林消防 火情预警:早期火情平均发现时间缩短至 12 分钟,年度有效预警 12 起(某省试点) |
工业检测 | UV254nm + 可见光 + IR1310nm(适配 3nm 制程) | 台积电 3nm 产线(ASML 设备集成):0.1μm 级 缺陷检出率 99.5%,检测效率提升 35% |
工业检测 | 线阵 CCD(450-1000nm) | 宁德时代锂电池极片检测:良品率从 95% 升至 98%,单 GWh 成本节省 100 万元 |
安防 | 红外 10μm + 可见光 | 海康威视变电站热缺陷系统:故障预警提前率 90%,年度停电事故减少 65% |
消费电子 | 3200 万像素紫外多光谱(365nm 为主波段) | 华为 Mate 70 Pro+:支持荧光装饰拍摄、文物防伪标记识别,拓展 “荧光涂鸦” 创意拍摄玩法 |
消费电子 | 绿光 525nm + 红光 660nm + 红外 940nm(PPG 技术) | 华为 Watch GT5:-20℃环境下 心率数据准确率 96%,光电容积脉搏波(PPG)精度提升 22% |
三、雷卯针对多光谱传感器电路静电浪涌防护指南
1、测试认证标准
浪涌抗扰度:按 IEC 61000-4-5,输入24V电源端口,线-线 ±2kV、线-地 ±4kV,通过10/700μs 波形测试。
静电放电(ESD):遵循 IEC 61000-4-2,接触放电 ±8kV、空气放电 ±15kV;医疗设备需达接触 ±6kV、空气 ±8kV,通过 YY 0505 认证。
2、核心接口防护

如上图示多光谱传感器芯片接口主要包含电源输入口VCC,信号接口I2C/UART,及外部接口(USB/以太网)。
输入电源防护:
24V工业电源需兼顾浪涌与过流保护:
浪涌防护:推荐 TVS 器件 LM1K24CA(封装 SMB,VC=35V,残压低),保护水平达 2KV;
过流防护:SMD1812 系列 PTC(6-60V,0.1-3.5A),响应速度快,可重复使用;
反极性保护:肖特基二极管 SK56C(60V/5A),降低电源接反时的损坏风险。
或者使用常规方案:前级GDT 2R090-5S+MOV ,后级用TVS再精细钳位。
信号接口防护
UART接口:雷卯采用单颗器件防护,节约空间, 保证信号完整性,ULC3304P10,ULC0524P,满足IEC61000-4-2,等级4,接触放电30kV,空气放电30kV。

电源轨静电防护
针对模拟电源(3.3V),雷卯采用ESD0321CW(DFN0603 封装,30pF 电容,21A 泄放电流);
针对数字电源(1.8V)雷卯采用ESD1821C(DFN0603,25pF,18A),降低电源纹波与静电干扰。
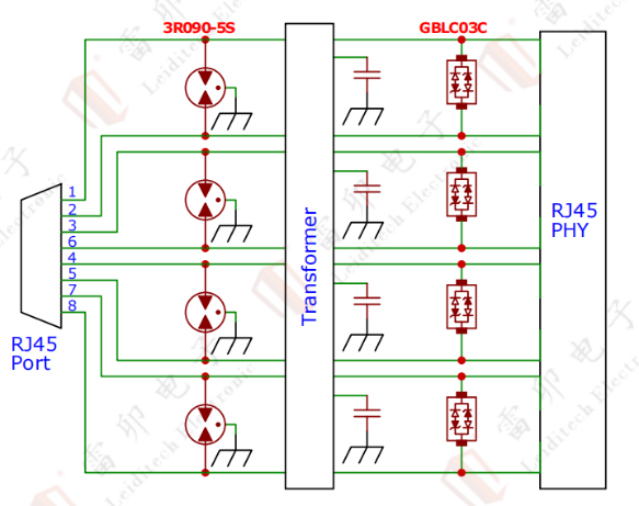
千兆网络防雷击浪涌保护方案
雷卯针对用于室外的1000M网口浪涌保护,采用二级防护,变压器前级采用GDT 3R090-5S泄放大电流,变压器后端采用ESD GBLC03C精细钳位,结电容小于0.6pF,保证信号高温完整性,满足IEC61000-4-2,等级4,接触放电30kV,空气放电30kV。 IEC61000-4-5 10/700μs,40Ω,6kV,±5次,此方案高温传输不丢包。

雷卯针对多光谱传感器常见端口防护推荐料号 | |||||
| 类型 | 品牌 | 型号 | 描述 | 封装 | 应用 |
| ESD | Leiditech | ESD1821C | 1.8V,Bi,25PF,18A | DFN0603 | 1.8V VCC电源静电防护 |
| ESD | Leiditech | ESD0321CW | 3.3V,Bi,30PF,21A | DFN0603 | 3.3V VCC电源口防静电 |
| ESD | Leiditech | ULC0524P | 5V,Uni,0.8PF,5A | DFN2510P10 | UART接口防静电 |
| ESD | Leiditech | ULC3304P10 | 3.3V,Uni,0.4PF,5A | DFN2510P10 | UART高速接口防静电 |
| ESD | Leiditech | SMC12 | 12V,Bi,45PF,35A | SOT23 | I2C静电防护 |
| ESD | Leiditech | GBLC03C | 3.3V,Bi,0.6Pf,20A | SOD-323 | 千兆网络静电防护 |
| ESD | Leiditech | SR05W | 5V.Uni,3PF,20A | SOT-143 | USB2.0接口静电防护 |
| GDT | Leiditech | 3R090-5S | 90V,5KA | 3R | 千兆网络户外防雷 |
| PTC | Leiditech | SMD1812系列 | 6-60V,0.1-3.5A | SMD1812 | 24V电源过流防护 |
| TVS | Leiditech | LM1K24CA | 24V,Vc=35V | SMB | 24V电源雷击浪涌防护 |
| Schottky | Leiditech | SK56C | 60V 5A | SMC | 24V电源反极性防护 |
雷卯电子(Leiditech)致力于成为电磁兼容解决方案和元器件供应领导品牌,供应ESD、TVS、TSS、GDT、MOV、MOSFET、Zener、电感等产品。雷卯拥有一支经验丰富的研发团队,能够根据客户需求提供个性化定制服务,为客户提供最优质的解决方案。