时间:2024-05-10 09:06
人气:
作者:admin
MEMS传感器具有体积小、重量轻、成本低、可靠性高等优点,可广泛应用于航空航天、导航与制导控制以及生物医疗和生物医学等相关领域。随着MEMS技术的不断发展与成熟,低成本、安装体积小、中精度的惯性测量组合在实际应用中展现出重要价值。
据麦姆斯咨询报道,面向系统的小型化需求,北京航天发射技术研究所和中国人民解放军93160部队的研究团队设计了一种基于MEMS的惯性测量组合,并通过建立误差参数模型,对惯性测量组合的误差进行了标定补偿。实验结果表明,该惯性测量组合可以实现载体3个轴的视加速度以及绕轴运动的角速度等传感器信息的输出,主要性能指标满足设计需求,未来有望在小型无人机、稳定平台等领域进行应用。相关研究成果以“基于MEMS的惯性测量组合设计与实现”为题发表在《自动化与仪表》期刊上。
该惯性测量组合包含以MEMS陀螺仪和石英加速度计为核心器件组合而成的惯性测量单元(IMU),以及通讯板和电源模块。IMU是惯性测量组合的核心模块,包括1个三轴MEMS陀螺仪和3个石英加速度计,它可以实时向外输出载体沿3个载体轴的视加速度以及绕载体轴运动的角速度。利用数字信号处理(DSP)芯片对MEMS陀螺仪和加速度计的信号进行采集,通过建立误差模型进行误差标定补偿,标定后的组合能够实时对外输出三轴角速度和加速度等传感器信息。

图1 惯性测量组合结构示意图

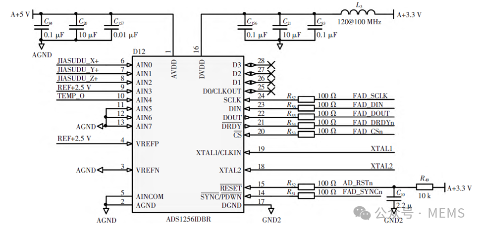
图2 惯性测量组合原理框图
通讯板是惯性测量组合的数据处理中心,一方面完成陀螺仪和加速度计等传感器的数据解析和信号采集工作,另一方面对采集数据进行滤波和误差补偿,最终按照通讯协议完成与上位机软件之间的交互。与以往的定点DSP相比,该器件的精度高、成本低、功耗小、外设集成度高、数据以及程序存储量大,适用于各种控制类工业设备。

图3 通讯板电路原理框图
为了提高加速度计的采样精度,通讯板集成了电流-频率转换电路(I/F电路)的功能。采用模数转换(A/D)采样方式,将高精度A/D转换器应用于加速度计输出信号测量,可以通过新型模数转换器和数字信号处理理论解决“小体积、大动态”的问题。

图4 加速度计A/D采样电路
根据系统运行的硬件平台和软件功能,惯性测量组合的软件主要实现MEMS陀螺仪和3个加速度计的信号采集,进行滤波处理后按规定的频率上传给上位机,软件主要由串口通信模块、参数输入输出模块、信号滤波模块、数据采集模块、数据存储模块和CRC校验模块等组成。

图5 软件工作流程
由于惯性测量组合在制造和安装等过程中不可避免的会带来一定的误差,需要建立误差模型对误差进行标定补偿。在对惯性测量组合进行误差参数标定之后,研究人员对惯性测量组合的主要性能指标进行了验证。结果表明,陀螺仪的零偏重复性和稳定性达到10°/h(1σ),加速度计的零偏重复性达到40 μg(1σ),稳定性达到15 μg(1σ)。
表1 惯性测量组合主要性能指标(1σ)
综上所述,这项研究针对设备需求小型化的特点,基于MEMS传感器设计了一款中精度、低成本、高可靠性的惯性测量组合,该惯性测量组合可以实现载体三轴角速度和加速度等传感器信息,精度指标满足实际使用需要,未来有望应用于小型无人机、稳定平台等领域。
论文信息:
DOI: 10.19557/j.cnki.1001-9944.2024.02.027
审核编辑:刘清