时间:2024-06-03 10:41
人气:
作者:admin
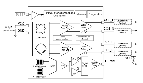
TMAG6181-Q1 是一款基于各向异性磁阻 (AMR) 技术的高精度角度传感器。该器件集成信号调节放大器,并提供与所施加平面磁场的方向相关的差分正弦和余弦模拟输出。该器件还在 X 轴和 Y 轴上具有两个独立的霍尔传感器,用于跟踪旋转情况。
TMAG6181-Q1
具有宽工作磁场 (20mT – 1T),可实现灵活的机械放置以及低延迟 (< 2µs)
输出,适用于转子位置检测等高速应用。通过使用一个睡眠引脚,使器件能够进入两种低功耗模式(睡眠模式和低功耗圈数计数模式),快速启动时间
(<40µs) 有助于实现低功耗应用。该器件集成一个圈数计数器来记录旋转圈数,并使用 TURNS 引脚上的 PWM 来传输圈数计数器值。
TMAG6181-Q1 提供广泛的诊断功能,专为功能安全应用而设计。该器件可在 –40°C 至 150°C 的宽环境温度范围内保持稳定一致的性能,同时具有超小的热漂移和寿命误差。
*附件:TMAG6181 数据手册.pdf
审核编辑 黄宇