时间:2023-09-22 11:02
人气:
作者:admin
背景介绍
办公、刷剧、网购、手游...2022年,蓬勃的全球数字经济活动,总共产生了近100ZB的数据,其中相当比例终端流量是通过无线连接传输,WiFi更是其中的“主渠道”。旺盛的需求,带动WiFi设备年出货量达到40亿台量级,WiFi技术标准,也不断取得重大升级,近年来,IEEE 802.11标准组织相继发布WiFi 6E/WiFi 7规范,引入了6GHz频段、320MHz带宽、Multi-RU、MIMO等一系列全新特性,数据传输速率直逼30Gbps,超高速率与低延时,进一步夯实了承载VR/AR、工业控制等全新用例的基础。
随着WiFi7新技术走向商用,也亟待破解一系列技术挑战,系统级热管理在其中尤为关键,以WiFi网络核心设备—路由器为例,目前业已上市的路由器产品主控芯片已普遍向四核2GHz和GB级内存升级,天线及网口的数量、规格也大幅度提高,并内置专门针对电竞等应用的智能加速引擎。尽管IEEE规范中提供了一系列功率限制选项,但实际应用负载下,OFDMA与MU-MIMO等新技术带来的传输损耗、以及更高规格的以太网芯片、主控芯片TDP,依然使传统被动散热设计难以为继,风冷主动散热日益成为刚需,也成为决定系统能否稳定、持续运转的关键咽喉点(Choke Point)。
上海申矽凌微电子科技股份有限公司(简称申矽凌)作为一家IC设计公司,专注于传感器芯片以及混合信号芯片的产品研发。近期推出了系统级风扇管理芯片CTF230X系列,内置振动多点温度传感器,可实现风扇转速监控、环境温度闭环控制、风扇工况诊断及电压监测。可广泛应用于WiFi 路由器、PC笔记本以及工业应用等目标场景。
产品介绍
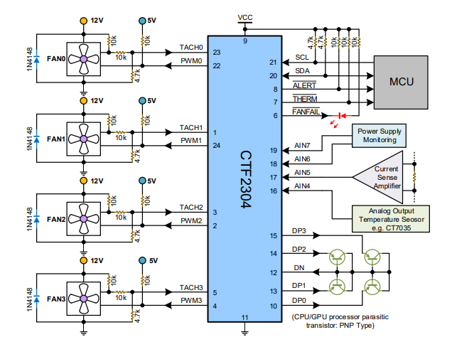
CTF230X热管理系列芯片CTF2301A/B、CTF2302以及CTF2304可提供不同通道的温度测量和风扇控制监测功能。
支持根据测量温度自动控制风扇转速(Auto Temp)的闭环模式,允许其作为独立设备运行,即使MCU或系统锁定,风扇也可以继续受到控制(基于温度测量)。同样,风扇控制芯片也支持独立控制模块,通过对TACH引脚检测到风扇的转速后再由上位机独立控制风扇的PWM占空比。两种方式可灵活适配客户的系统需求。这项技术在闭环控制状态下,既可以简单地根据芯片的温度自动映射到对应的12个风扇档位,也可以在特定的22.5kHz PWM控制频率下实现高达0.39%精度的控制。

图1.CTF2304典型应用图
产品特性
ProductAdvantages/
工作电压:3.0V至5.0V
与SMBus/I2C兼容的数字接口
支持警报响应地址(ARA)和数据包错误检查(PEC)
支持测量数据的块读取
多个从属地址选项
从地址由(“ALERT”)引脚和(“THERM”)引脚的上拉电阻决定。
本地温度传感器
±1.0°C精度,0.0625°C分辨率
远程温度传感器
±2.0°C精度,0.0625°C分辨率
温度范围:-40°C至+125°C
PWM控制器
PWM频率:10Hz至40kHz
占空比:0%至100%,8位
自动风扇转速控制回路
带滞后的可编程THERM极限温度,ALERT高/低极限
智能FANFAIL检测
值得一提的是,CTF230X系列远程通道既可以用于温度和电机转速监测,也可以配置为单端或差分输入的电压感测,新特性也为其产品应用场景的拓展打开了空间。在风扇控制之外,相关产品还可以拓展对电源电压的监测功能,进一步实现系统级芯片的内涵。
审核编辑:刘清