时间:2023-08-29 09:03
人气:
作者:admin
芯森AN3V PB50是一款基于ASIC技术开发的开环霍尔技术的电流传感器,是一种微型、低功耗、结构紧凑、隔离绝缘的关键电流测量元器件,能够将电路中的电流转换为可测量的电信号,输出信号为电压,固定增益,供电电压+5V,精度<1%,工作温度范围-40~105°C,零点电压±5mV,体积极小,主要用于空间有限的场景如电源模块、电池管理、交流变频调速、伺服电机等。安装方式为PCB+电流排,可国产替代HLSR系列电流传感器。

AN3V PB50开环霍尔电流传感器使用方法:

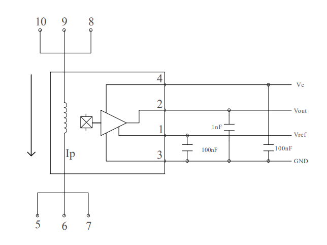
以电路连接图示范,将AN3V PB50插入电路后,5-10用于感应原边电流Ip,4为供电电压,2为输出电压,1为参考端电压,3号接地保护。
AN3V PB50开环霍尔电流传感器优势及特点:

AN3V PB50开环霍尔电流传感器的应用场景:
AN3V PB50开环霍尔电流传感器的典型应用场景之一为永磁同步伺服电机。交流永磁伺同步伺服系统一般由控制系统、变频器和电机组成。在这种高精度、宽调速伺服驱动中,伺服系统电流检测元件基本选择AN3V PB50这种可编程、低功耗、结构紧凑的产品。一般的系统结构框图如下所示:

AN3V PB50开环霍尔电流传感器在伺服电机中的主要作用:
电流采样:将电流信号转换为数字信号,提供给控制电路进行采样和处理。
电流反馈:将实际电流与预设值进行比较,从而实现电流的反馈控制。
保护和故障诊断:可以提供过流保护、短路保护等保护措施,并在故障发生时提供诊断信息,确保系统的稳定性和可靠性。通过使用AN3V PB50开环霍尔电流传感器,可以实现对车载SMPS电源中电流的精确测量和控制,从而提高输出电压的稳定性和可靠性,保护系统的安全和稳定运行。
电流转换:将AC电流转化为DC电流或者DC电流转换为AC电流。
关于我们:天津芯森电子科技有限公司坐落于天津市宝坻区京津中关村科技城,是一家专业从事电流、电压传感器研发、生产、销售和服务为一体的国家高新技术企业。公司霍尔及磁通门技术电流、电压传感器主要对标瑞士LEM集团,德国VAC,日本Tamura,美国Allegro和Honeywell等国际厂家产品。根据客户需求,自主研发了系列电流、电压传感器。电流传感器测量范围从5mA到5000A,电压传感器从10V到6400V,广泛应用于光伏,风能,储能、新能源汽车、充电桩和工控设备等领域。
审核编辑:汤梓红