时间:2023-08-08 08:27
人气:
作者:admin
生产不同产品必须建立新的产线?
传感器信号传输存在数据隔离的瓶颈?手动改传感器配置就可能导致产线停产?.…
这些传统工业自动化的痛点在产业转型不断深化的今天来看异常显著。为了克服此类挑战,IO-Link技术应运而生,它的出现为传感器和执行器提供高速、双向的数字数据通信,给工厂车间带来优秀的灵活性和可配置性,也将智能带入了边缘。
IO-Link是什么?
IO-Link是一种标准化技术(IEC 61131-9),独立于现场总线、开放式的点到点的通信,是适用于工业控制中最底层的设备(如简单的传感器/执行器)的工业通讯接口,使得设备可以集成到几乎任何现场总线或者是自动化系统中。

图:IO-Link系统
IO-Link系统由许多IO-Link从站设备(具有IO-Link协议的传感器/执行器,具有IO-Link 协议的集线器与普通的传感器/执行器组合),通过标准电缆,连接到IO-Link主站组成。其能够将传统的二进制或模拟传感器变成智能传感器,不再只是收集数据,还允许用户根据获取的有关线上其他传感器的健康和状态的实时反馈,以及需要执行的操作,在远程更改其设置。IO-Link技术通过一个通用物理接口,使传感器变得可以互换,该接口使用协议栈和IO器件描述(IODD)文件来实现可配置的传感器端口。它切实做到即插即用,并且能够实时重新配置参数。
可以说IO-Link是推动制造业改革的核心,能够提供持续诊断,帮助实现灵活制造,从而改善工厂吞吐量,提高运营效率。据相关组织预测,目前行业使用支持IO-Link标准的节点已超过2.7亿个,而这个数字仍在不断攀升。

图:IO-Link nodes增长趋势
IO-Link的三大优势
将智能带入边缘
IO-Link在工厂车间的最边缘提供传感器和执行器,具有高达 230kbps 的双向数字数据通信接口。这使他们能够测量、监控和影响生产线的每个阶段。更多的边缘决策意味着更少的数据传输到控制室的PLC,从而节省时间和能源。例如,通过使用IO-Link接口中的引脚2(I/Q)作为数字输出(DO),除了C/Q数据线外,传感器还可以读取来自二进制传感器的输入信号,同时驱动LED以标记已超过阈值,而无需用户输入即可做出此决定。
简化安装过程
IO-Link使用标准化接口,用工业环境中常用的方便的 M12 连接器取代传统的模拟、二进制和串行接口。此外,升级设施以使用 IO-Link 的成本很低,因为它使用标准的非屏蔽布线安装。IO-Link 还向后兼容串行输入/输出 (SIO) 二进制信号,这意味着支持 IO-Link 的传感器可以使用标准数字输入通信通道与现有 PLC 通信。一旦 PLC 模块升级为与 IO-Link 主站连接,IO-Link 通道上的 C/Q 线路就可以与工厂车间的设备进行双向通信。IO-Link与现场总线无关,这意味着它可以在各种工业网络架构中无缝使用。
减少停机时间
IO-Link支持实时诊断信息流,使工程师能够在问题导致过程中断之前识别并快速解决问题,并允许技术人员快速更换有故障的传感器。自调试设备和自动参数设置是支持IO-Link的设备的一项功能,这使得这项任务更加容易。在许多情况下,技术人员不再需要访问工厂车间,因为配置更新可以从控制室远程执行。例如,当生产线需要针对不同的产品进行调整时,可以实时重新配置工艺参数,最大限度地减少停机时间,并更快地恢复全面生产。
ADI的IO-Link特色产品
在智能制造升级的过程中,IO-Link技术起着至关重要的作用。ADI多年深耕工业领域,在IO-Link技术上早早开始了投入,2009年ADI就加入IO-Link联盟,至今已经拥有非常完整的IO-Link产品系列。其中IO-Link主机和器件收发器产品系列提供强大灵活的方法,由PLC提供智能改为由厂区的传感器提供,进一步优化生产线并简化整个生产流程。

双通道IO-Link主站收发器:MAX14819A
MAX14819A是一款低功耗、双通道、IO-Link主站收发器,带有传 感器/执行器电源控制器,完全符合最新的IO-Link和二 进制输入标准与测试规范,即IEC 61131-2、IEC 61131-9 SDCI和IO-Link 1.1.3。该主站收发器还包括两个辅助Type 1/Type 3数字输入(DI)通 道。MAX14819A可配置为使用外部UART或IC上的集成帧处理器工作。

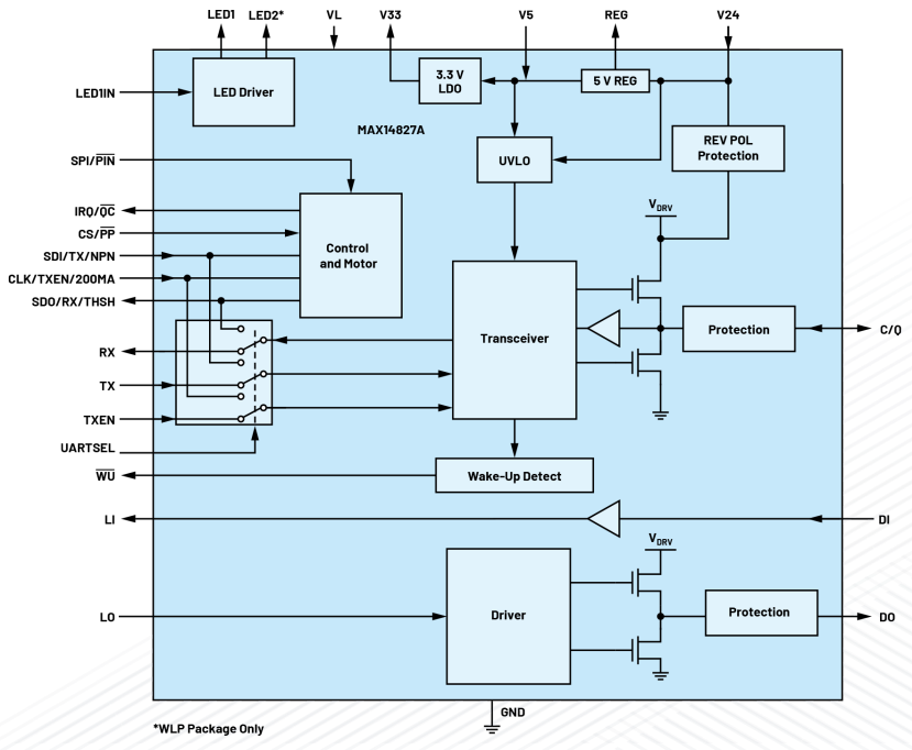
双通道250 mA IO-Link收发器:MAX14827A
MAX14827A集成了工业传感器常见的高压功能,包括驱动器和稳压器。MAX14827A具有两个超低功耗驱动器和有源极性反接保护功能 。额定工作电压为普通24 V电源电压,最高可达60 V。由于能够耐受高压,因此瞬态保护得以简化,允许使用微型TVS。

引脚控制、低功耗、双通道IO-Link从站收发器:MAX14829
MAX14829双通道低功耗IO-Link从站通过基于引脚的接口实现控制、配置和监测。引脚控制逻辑输入允许与开关传感器配合使用,后者不使用微控制器。提供三线UART接口来执行IO-Link操作,该接口能够连接UART。MAX14829具有100 mA至330 mA可选的驱动电流。

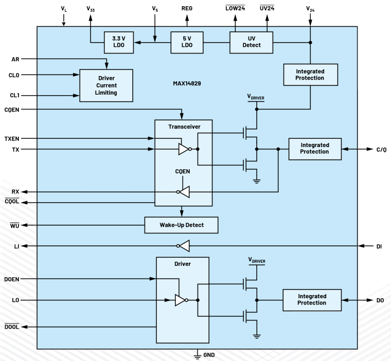
带DC-DC转换器和浪涌保护双通道IO-Link从站收发器:MAX22513
MAX22513双通道低功耗IO-Link从站收发器具有可选择的控制接口、内部高效率DC-DC降压调节器、两个内部线性稳压器和集成浪涌保护以实现可靠通信。该器件具有低导通电阻驱动器(C/Q和DO/DI)、可选择的驱动器限流值和过流保护功能,可降低小型传感器应用的功耗。
具有集成保护功能的IO-Link收发器:MAX22515MAX22515低功耗工业收发器在工业应用中既可用作IOLink从站,也可用作非IO-Link传感器收发器。MAX22515采用可选的控制接口(引脚模式或I2C)、两个集成式线性稳压器和集成式浪涌保护,实现可靠通信。该收发器包含一个C/Q输入-输出通道和一个数字输入(DI)通道。
原文转自亚德诺半导体
上一篇:物联网发展趋势和前景