时间:2023-08-21 09:24
人气:
作者:admin
在现代电子设备中,各种传感器、芯片和模块之间的通信至关重要。而I2C(Inter-Integrated Circuit)总线作为一种简单、高效的串行通信协议,已经成为连接各种设备的首选之一。本文将深入探讨I2C总线的工作原理与应用,带您了解这个在电子领域中扮演着重要角色的通信技术。
一、简介
I2C(Inter-Integrated Circuit)总线是一种由Philips公司开发的两线式串行总线,用于连接微控制器及其外围设备。I2C总线产生于在80年代,最初为音频和视频设备开发。
由于其简单性,如今方泛用于微控制器与各种功能模块的连接,可以说是学单片机的人,入门之后,必定要涉及到的。
I2C 总线实际上已经成为一个国际标准在超过100 种不同的IC 上实现,而且得到超过50 家公司的许可,正因为其简单和应用广泛,因此其功能也越来不满足人们的要求,其速度也从原来的100Kbit/S,增加了快速模式,其速度达400Kbit/S,再后来也增加了高速模式,其速度更达3.4Mbit/S。
二、功能和特点
I2C总线是一种用于IC器件之间连接的双向二线制总线,所谓总线它上面可以挂多少器件,并且通个两根线连接,占用空间非常的小,总线的长度可高达25英尺,并且能够以10Kbps的最大传输速率支持40个组件。
它的另一优点是多主控,只要能够进行接收和发送的设备都可以成为主控制器,当然多个主控不能同一时间工作。
I2C总线有两根信号线,一根为SDA(数据线),一根为SCL(时钟线),任何时候时钟信号都是由主控器件产生。
I2C总线在传送数据的过程中,主要有三种控制信号:起始信号,结不信号,应答信号。
起始信号:当SCL为高电平时,SDA由高电平转为低电平时,开始传送数据;
结束信号:当SCL为高电平时,SDA由低电平转为高电平时,结束数据传送;
应答信号:接收数据的器件在接收到8bit数据后,向发送数据的器件发出低电平信号,表示已收到数据。这个信号可以是主控器件发出,也可以是从动器件发出。总之由接收数据的器件发出。
这些信号中,起始信号是必需的,结束信号和应答信号,都可以不要。
三、基本操作
下面我们以ATMEL公司的AT24C02来介绍I2C的基本操作。
AT24C02是美国ATMEL公司的低功耗CMOS串行EEPROM,它是内含256×8bit存储空间,具有工作电压宽(2.5~5.5V)、擦写次数多(大于10000次)、写入速度快(小于10ms)等特点。他在系统中始终为从动器件。
对AT24C02的操作主要有:字节读,字节写,页面读,页面写
首先发送起始信号,如下图,起始信号后必须是控制字。

控制字格式如下,其中高四位为器件类型识别符(不同的芯片类型有不同的定义,EEPROM一般应为1010),接着三位为片选,也就是三个地址位,最后一位为读写控制位,当为1(Input)时为读操作,为0(Output)时为写操作。

控制字后就是相应的操作,读或写,一定不要结束,因为这个操作还没有完成,如果结束就等于放弃操作。
先来看写操作,写操作分为字节写和页面写两种操作,对于页面写根据芯片的一次装载的字节不同有所不同,AT24C02为8字节,每写一个字节后,地址自动加1。
关于页面写的地址、应答和数据传送的时序参见图3,字节写可以看成是只有一个字节的页面写,也就是写一个数据后停止。
注意:写一次需要一定时间,一般为10ms,要等侍这个操作完成,时序如下图。

说明:对于AT24C02,在控制字后还必须写入地址,这个地址是以后读写的起始地址。
读操作有三种基本操作:当前地址读、随机读和顺序读。三种操作方法类似,只是读的数据个数不同,可连续读8个字节,图4给出的是顺序读的时序图,图中共读了四个数据,需要注意的是当前的地址,如果不是想要的,可以用写操作,重新写入地址。
非常重要的是,每读一个数据后,必须置低SDA,作为应答,否则,只能读一个数据,后面的数据,因为收到不应答信号,AT24C02就会认为出错,停止操作。
特别提醒的是,当SCL为低电平时,数据是可变的,因些只有SCL为高电平时,才能读数。
四、例程序(51汇编,测试单片机为AT89C51,12M晶振)

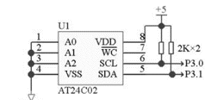
电路连接如图5,其中A0,A1,A2为地址线,本例中全部接地,因此全部为0。由于SCL和SDA为漏极开路输出,所以在使用时,需加上拉电阻。
五、结束语
在I2C总线的应用中应注意的事项总结为以下几点 :
严格按照时序图的要求进行操作;
若与口线上带内部上拉电阻的单片机接口连接,可以不外加上拉电阻;
程序中为配合相应的传输速率,在对口线操作的指令后可用NOP指令加一定的延时;
为了减少意外的干扰信号将EEPROM内的数据改写可用外部写保护引脚(如果有),或者在EEPROM内部没有用的空间写入标志字,每次上电时或复位时做一次检测,判断EEPROM是否被意外改写。
通过本文的介绍,我们对I2C总线的工作原理和应用有了更深入的了解。无论是在嵌入式系统、物联网设备还是传感器网络中,I2C总线都发挥着至关重要的作用。它简单、高效的特点使得设备之间的通信变得更加便捷和可靠。随着技术的不断进步,我们相信I2C总线在未来的应用领域中将继续发挥着重要的作用,连接着各种智能设备,为我们创造更加便利和智能的生活。
审核编辑:彭菁