时间:2023-08-09 15:49
人气:
作者:admin
本文介绍了使用 8051 微控制器的双向访客计数器的设计和工作。主要目的是设计一个系统,其中进入或离开房间的人数被跟踪并显示在屏幕上。
当一个人进入房间时,计数会增加,而当一个人离开房间时,计数会减少。红外感应机制用于感应访客的存在,整个计数操作由微控制器完成。
但是,在了解该电路之前,请先了解 如何将 16 x 2 LCD 显示器连接到 8051 微控制器 ,因为我们将在该项目中使用此概念。
该电路基于红外传感工作。红外或简称 IR 传感器是分别用作发射器和接收器的设备,使用红外光源和光电探测器(例如光电二极管或光电晶体管)。
在这个项目中,我们使用红外 LED 作为红外发射器,并使用光电二极管作为红外接收器。在房间入口的两端,放置了两组由红外 LED 和光电二极管组成的红外传感器。
微控制器接收每个传感器的输出。由于光电二极管是反射型红外传感器,因此在正常工作时,来自 LED 的红外光不会落在其上。在这种情况下,传感器的输出将是逻辑低信号。
如果发生任何中断(由于任何人穿过路径),光电二极管将开始接收红外光并开始导电。因此,传感器的输出将是逻辑高信号。
每个传感器对从低到高的转变由微控制器检测,并且相应地计数将增加或减少。

以下是该电路中使用的元件及其相应值的列表。光电晶体管





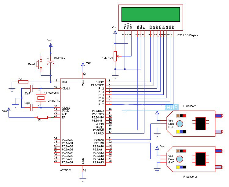
电路设计的核心在于微控制器接口的设计。这里,我们使用微控制器 AT89C51,它是 8051 系列微控制器。
微控制器 AT89C51 通过 PORT2 引脚(分别为 P2.0 和 P2.1)连接到红外传感器对。下图显示了本项目中使用的反射式红外传感器模块的电路图。

通过为 LED 和光电二极管选择正确的电阻值来创建传感器电路。与 IR LED 串联的是一个 150 欧姆的限流电阻。
一个10K串联电阻用于连接反向偏置的光电二极管。分压器由光电二极管和 10K 电阻器组成,输出馈送到运算放大器 (Op – Amp) 的同相输入端。
在反相输入端连接了一个 10K POT。红外传感器的灵敏度可以通过调节此 POT 来改变。计数数据显示在 16 x 2 LCD 面板上。 LCD 的数据线连接到微控制器的PORT1 引脚。
控制引脚(即 RS、RW 和 E)连接到 P3.6、GND 和 P3.7 引脚。 10KΩ POT 连接到对比度调节引脚,即 LCD 的引脚 3。
设计的另一个重要方面涉及设计振荡器电路和复位电路。振荡器电路的设计选择了 11.0592 MHz 石英晶体和两个陶瓷电容器(每个 33pF)。
复位电路设计选用10KΩ电阻和10μF电解电容,保证复位脉冲宽度为100ms,复位引脚压降为1.2V。
让我们看看这个带有 8051 微控制器的双向访客计数器是如何工作的。
当系统开启时,堆栈指针和所有其他变量最初由微控制器初始化。然后扫描输入引脚(P2.0 和 P2.1)。
同时,当红外传感器前面没有物体时,红外 LED 发出的光不会落在第一对传感器的光电二极管上,并且光电二极管不会导通。
因此,红外传感器的输出为低电平。换句话说,端口 P2.0 和 P2.1 被设置为逻辑低电平。当人站在红外传感器前面时,红外 LED 发出的红外光会从传感器上反射并落在光电二极管上。
结果,光电二极管开始导通,传感器的输出变为高电平。换句话说,端口 P2.0 和 P2.1 被设置为逻辑高电平。
当发生转换时,即首先在端口 P2.0 处接收到逻辑高电平信号,然后在端口 P2.1 处接收到,微控制器将此解释为感测到前面的人或物体通过或进入的中断。红外 LED 和光电二极管。
计数值根据软件增加,并且该值显示在 16 x 2 LCD 显示屏上。
如果微控制器在 P2.1 和随后的 P2.0 上检测到逻辑高电平,则假定该人正在离开房间并根据程序降低微控制器的电压。
该程序确保仅当两个传感器检测到人员时计数才会增加或减少。