时间:2023-06-01 15:17
人气:
作者:admin
汽车座椅的舒适性是影响用车体验的一个非常直观因素,座椅位置的调节能为驾驶者提供舒适、便于操作或休息的人体姿态;传统的需手动调节座椅已经逐渐被替代,霍尔传感器和电机的使用让驾驶者轻松的实现了对座椅位置的自动控制和调节。
汽车的电动座椅主要由内部电机、霍尔传感器、座椅位置调节机构、电机驱动电路和单片机组成;其中,电机与座椅位置调节机构相连组成动力部分,而单片机则分别与电机控制电路和霍尔传感器相连组成自动控制部分,本文主要介绍高灵敏度双极霍尔开关AH502用于座位位置的控制。

功能框图
AH502是一款基于BCDMOS技术设计的高灵敏度双极霍尔开关芯片,芯片包括温度补偿、比较器和输出驱动器。此外,机械应力对芯片的磁性参数影响很小,适用于工业环境和汽车应用,芯片符合AEC-Q100汽车电子行业测试标准。
霍尔开关AH502用于汽车座位位置性能参数:
•AH502工作电压:2.7V~30V,低功耗2.5mA;
•AH502的ESD 高达:±12KV,有较强的抗机械应力特性;
•AH502工作温度范围:-40℃~150℃,满足车规级工作环境温度;
•AH502电源引脚具有反向电压保护;
•AH502有3种封装形式:TO92S、Small-SOT23、SOT23-3L,且封装符合ROHS;

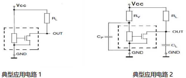
典型应用电路 1(见上图):RL =4700 Ω,典型应用电路 2(见上图):电源线上有干扰或辐射干扰时的电路图, 建议在芯片附近串联一个电阻 RV以及两个电容CP和CL。例如:RV=100欧姆,CP=4.7nF,CL=1nF。
注:如涉及作品版权问题,请联系删除。