时间:2023-02-01 11:53
人气:
作者:admin
共享单车服务与管理已成为如今的热门话题。目前在全球180多个城市中运营将近1000万辆共享单车,每日提供2500万次骑行服务。若是在共享单车上安装LoRa传感器,LoRa技术和LoRaWANTM开放协议可为共享单车提供了广域的可靠连接,就可以利用城市中的LoRa网关∕基地台来掌握车辆位置。

这些单车都配备了GPS/GLONASS追踪器,它们通过云将数据传输到网上应用中,锁定单车的位置,云端后台智能监控、记录运动轨迹、异常预警。在更长距离的应用中将大大减少基础设施的投资成本。即使在偏远地区和密集建筑群中也能为共享单车提供规范监管系统。
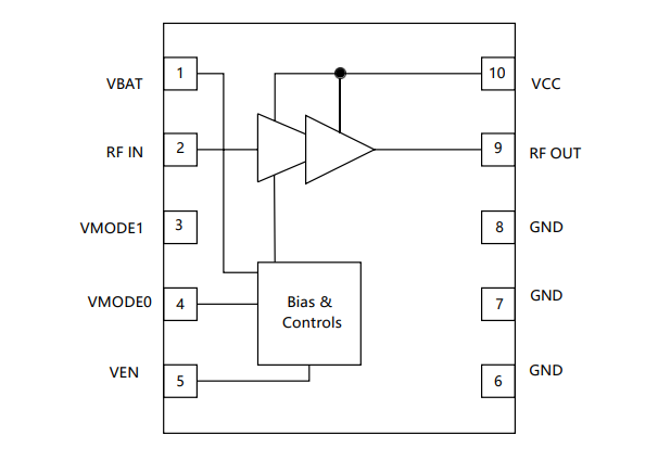
地芯科技GC0609是一款高性能、高功率PA(功率放大器),可以为共享单车LoRa传感器可提供800-9G0MHz ISM的频段范围,在最大输出功率下具有高 PAE,地芯科技GC0609性能优势如下:
•输出功率:>30dBm;
•单端50Ω输入和输出端口;
•高/低功率模式可控制;
•工作电压:4.0V;
•集成全部片上匹配电路;
•采用LGA 2.5mmx2mmx0.75mm封装;

功能框图
地芯科技GC0609在共享单车LoRa传感器的应用中具有高效率、低温变化、高可靠性和坚固性。除了智慧城市领域的应用外,LoRa传感器技术凭借远距离、低功耗和易于部署,在农林、畜牧、工商业应用中都能协助构建物联网应用。
注:如涉及作品版权问题,请联系删除。