时间:2023-03-28 17:37
人气:
作者:admin
MH254单极性低功耗霍尔开关
一芯片概述
MH254是一款多种封装、CMOS工艺的单极性低功耗霍尔传感器;
工作电压1.65-6V之间,可适用单节电池和5V供电;
芯片推挽输出,工作温度为-40℃至+85℃;
封装型号为TO-92S、TSOT-23、SOT-553、DFN2020-3、DFN1x1x0.4。
二芯片特点
CMOS工艺制成
低功耗,芯片功耗最低3.6uA
工作电压1.65-6V
高斯值范围:30-50 Gauss
推挽输出工作模式
ESD静电电压:HBM>±4KV(min)
多种封装,单极性输出
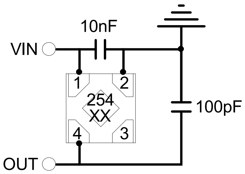
三芯片电路
TO-92S封装电路图


TSOT-23封装电路图


SOT-553封装电路图


DFN2020-3封装电路图


DFN1x1x0.4封装电路图

四感应波形

MH254EUA/ST/SQ/SS
MH254ESN
五应用案例TWS真无线蓝牙耳机的应用案列


