时间:2021-11-01 14:04
人气:
作者:admin
随着物联网技术的快速发展,在智能楼宇中应用的超声波智能水表对高性能的超声波传感器需求日益明显,为进一步提升超声波智能水表的测量性能,奥迪威从感知层出发,推出新一代水表流量传感器——US0078。
与市面上同类竞品相比,这款产品具有更稳定的电性能和更强的耐压能力,灵敏度高,快速达到峰值,信号更易处理,有助于提高超声波水表的测量精度,为超声波智能水表迭代升级提供更具竞争力的硬件基础。

图1)奥迪威水表流量传感器US0078
奥迪威水流量传感器高性能,主要体现在:
01
快速达到峰值,灵敏度高,信号易处理
从图2奥迪威US0078与同类传感器回波对比分析图可知,奥迪威水表流量传感器只需8个波即可到达峰值完成起振,对比12个波达到峰值的其它产品少了4个回波信号的时间,用时更短,灵敏度更高。

图2)奥迪威US0078(左)与同类传感器(右)回波对比分析
从波形来看,奥迪威US0078接收回波的各个波峰之间的差异明显,相邻信号波之间的差别大于同类传感器,易于辨别第一、第二、第三或更多回收的信号波,在感知层面降低信号处理难度,有利于简化水表测量的算法,为水表研发、制造企业降本增效奠定核心硬件基础。
02
电性能在高低温下零流量漂移值更稳定
表1是奥迪威US0078与同类传感器的电性能在低温和高温环境的零流量漂移值对比。在零流量情况下,奥迪威US0078在10℃低温环境中,接收幅值为432mV;在60℃高温环境中,接收幅值369mV,幅值变化比例为14.64%,另外两款同类竞品的幅值变化比例分别是19.32%和24.66%,幅值变化明显低于市场同类产品,说明其电性能在高低温下零流量漂移值高度稳定,且高于行业水平。
|
项目/产品名称 |
奥迪威US0078 |
友商产品A |
友商产品B |
|
低温(10℃) 接收幅值 |
432mv |
360mv |
288mv |
|
高温(60℃) 接收幅值 |
369mv |
290mv |
217mv |
|
幅值变化 |
14.64% |
19.44% |
24.66% |
表1)奥迪威US0078与同类传感器的电性能在低温和高温环境的零流量漂移值对比
03
最大耐压可达4.8MPa,可靠性强
对奥迪威水表流量传感器US0078进行静态水压试验,试验条件为保持15min施加水压4.8Mpa,对比试验前后各项测试参数发现,产品性能始终保持稳定,符合规格要求。此外,奥迪威US0078可长期在2.5MPa环境下持续工作,满足楼宇用水时间长、高峰期水压大、承压要求高的需求。
|
项目/产品名称 |
US0078 |
|
谐振频率 |
2110±30KHz |
|
谐振阻抗 |
60±30Ω |
|
自由电容 |
600±20%pF |
|
接收幅值 |
350~550mV |
|
最大输入电压 |
5Vp-p |
|
耐压 |
2.5Mpa |
|
工作温度 |
0~+90℃ |
|
储存温度 |
-25~+90℃ |
表2)奥迪威水表流量传感器US0078性能参数
04
尺寸小,符合各国饮用水标准
从表2奥迪威水表流量传感器US0078性能参数可知,产品的谐振频率为2110±30KHz,可实现宽量比水表的要求;工作温度范围大,耐温高达90℃,有效抵挡高、低温环境,适用于不同纬度的地区。同时,产品制作材料通过各国饮用水标准,如WRAS、ACS、KTW等,安全卫生。另外,产品出厂前必须进行逐一性能检测,确保各项性能参数都规定范围内,具有良好的一致性,因此,产品装配前无需做配对测试,即可成对使用,有效简化智能水表的装配流程,提高水表厂商的运营效率。

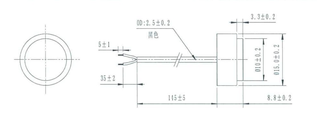
图3)奥迪威水表流量传感器US0078尺寸规格
图3是奥迪威水表流量传感器US0078外形尺寸,安装直径为10mm,精度误差±0.2mm,体积小,加工精度高,可有效减少安装误差。
小结
总的说来,奥迪威水表流量传感器US0078灵敏度高,快速达到峰值,电性能在高低温下零流量漂移值高度稳定,一致性好。产品体积小,外观尺寸精度高,减少安装误差,且具备耐高、低温度,耐高湿,耐高压等特性,满足宽量程比水表的要求,产品批次一致性好,安全卫生,已广泛应用于家居、楼宇、城市建设等领域的智能水表中。
拓展:奥迪威水表流量传感器其它产品
|
项目/产品名称 |
US0072 |
US0075 |
|
谐振频率 |
1090±20KHz |
955±20KHz |
|
谐振阻抗 |
35~120Ω |
550±250Ω |
|
自由电容 |
1130±20%pF |
400±20%pF |
|
接收幅值 |
350~550mV |
290±70mV |
|
最大输入电压 |
5Vp-p |
5Vp-p |
|
耐压 |
2.5Mpa |
2.5Mpa |
|
工作温度 |
0~+90℃ |
0~+90℃ |
|
储存温度 |
16.8mm |
10mm |
原文标题:应用于智能水表的高性能超声波传感器
文章出处:【微信公众号:奥迪威传感器】欢迎添加关注!文章转载请注明出处。
上一篇:浅析智能传感器技术原理
下一篇:精密位移传感器技术比较