时间:2022-05-24 18:10
人气:
作者:admin
摘要
本火电厂灰霾监测系统由安徽理工大学电气工程专业的孙昌设计开发完成,通过采用机智云物联网云平台,融合Zigbee技术、传感器技术和4G移动通信技术,实现对火电厂多种污染源的数据采集,污染源分布状况的实时监测以及网络共享和数据存储。与传统监测设备相比,避免了布线复杂、污染源定位难、监测区域受限制等难题,并在很大程度上减轻了人力物力的投资,为火电厂灰霾的实时监测提供了较高的实用价值。
正文内容
目前,我国灰霾监测站点以国控站点为主且存在着站点设备耗资较大、节点单一等问题。对于诸如火电厂等大型工矿企业的排污监控往往采取较为传统的人工测量手段,需要相关技术人员依靠工作经验对监测点进行选址或使用测量精度相对较低的便携式测量仪器。如此办法采样效率低,耗时费力,无法保障数据的准确性、实时性及充分性。本系统设计将物联网技术应用于火电厂灰霾参数监测系统中,通过基于机智云物联网云平台实现对火电厂灰霾的实时监测,可实时监测烟气排放,掌握区域周围空气质量状况,能够帮助相关管理部门对火电厂排污进行有效管控和治理。根据需求提出以Zigbee构成无线传感网络的设计方案,完成了火电厂灰霾监测系统样机的设计与制作,采用4G网络将监测数据实时发布到机智云物联网云平台进行网络共享和数据存储。系统总体结构设计
基于无线传感器网络的火电厂灰霾监测系统的总体架构如图1所示。终端部分是由Zigbee传感节点构成的数据采集无线自组网模块,污染源数据经由汇聚节点接收和转发上传到4G网关以接入互联网,海量数据经由网络传输上传到PC端、移动手机以及物联网云平台。

图1 系统总体架构
传感器子节点集成了各种气体传感器、MCU以及Zigbee路由器。网络内部任意节点均可当选为路由节点,这归结于路由算法和实际应用需求以及现场环境,路由节点负责接收每一个传感器节点的数据信息,与网关节点实现通信,将监测区域污染源数据打包上传至网关模块;网关模块的功能相对复杂且灵活,可以根据系统需求进行定制,网关是传感器网络接入互联网的中转站。
本设计的火电厂灰霾监测系统的网关模块设计需求是实现污染源数据的预处理,同时应用4G通信将数据上传至机智云云平台。云平台主要实现数据的存储和可视化处理。
云服务器/云平台选择
云服务器可以为网络系统提供简单高效、安全可靠的计算服务,与传统物理服务器相比,其在计算及数据处理能力上具有十分明显的优势,并且云服务器扩展升级方便,成本可控。
云服务器平台众多,包括阿里巴巴、百度云、机智云、腾讯云和许多其他产品的选择。其中,机智云物联网所提供的机智云云平台是一种专门面向工业物联网的应用平台,其为国内多个企业、物联网开发人员和科研机构提供云服务。机智云以分布式云服务器为基础,以在web表单提供服务为主旨,能极强地保障数据的安全可靠,其配备维护简单的专用带宽,能够灵活适用于各种规模大小的系统。云服务器相较于传统的服务器具有诸多优势,其在系统的稳定性上具有十分明显的优势,其独有的弹性管理模式适用于用户的多样化需求,其安全性是有所保障的,并且其对数据的海量存储能力适应了当下大数据的开发环境。系统的稳定性表现在,如果发生意外的停机,系统的所有数据可以随网络迅速迀移并存储;系统具有较好的弹性,表现在用户可以使服务器的CPU、内存、带宽等,并且可以灵活拓展系统容量;安全性指的是,云服务器为用户提供病毒查杀和攻击保护。
综上所述,机智云云平台是一个易于处理大数据量、高并发的、可扩展性的网络服务器,用户的产品可以通过机智云平台无缝地接入云端,机智云持续提供管理系统。
系统硬件模块及电路设计
Zigbee模块作为系统终端监视设备,负责收集各种气体源数据,建立一个安全的和稳定的硬件系统,以获得各种有效的数据的基础上。下面将对火力发电厂灰霾监测系统的硬件进行详细设计,设计传感器网络电路,以及网关电路设计。火电厂灰霾监测管理系统的感知层主要由数据传输机构和采集机构可以组成。系统搭载温湿度传感器,PM2.5、PM10、CO、SO2、和NO2传感器。
系统总体架构火电厂灰霾监测系统的硬件是整个监测系统的基础,整体结构如图2所示。
图2 系统整体结构系统的硬件结构主要由传感器节点、汇聚节点、网关节点三部分构成,以下对三个部分进行详细设计,包括硬件选型和电路图的绘制。
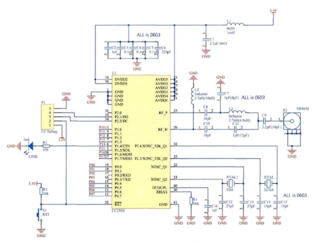
硬件电路设计基于无线传感器网络的火电厂灰霾监测系统的终端节点由Zigbee模块构成,模块的主控芯片是CC2530,其最小硬件系统由电源模块、传感器接口、USB调试接口以及时钟电路组成。
图3CC2530核心板1)CC2530最小系统CC2530的最小系统进行电路设计。在供电部分,AVDD1-AVDD6是模拟电源,连接2V-3.3V模拟电源;DVDD1和DVDD2属于数字电源,连接2V-3.3V数字电源;RBIAS外接精密电阻,产生偏置电流。
图4 CC2530最小系统
CC2530有两个UART口,其中P0.2和P0.3是UART0,P0.4和P0.5是UART1。在本文的设计中,UART0负责协调器与网关节点的通信。UART1用于串口调试。2)功能底板的电路设计
CC2530外围电路的设计包括USB串口模块、JTAG下载模块两个部分,一般情况下还有按键功能的设计。
USB串口模块电路设计
本文选择CH340G作为USB串口模块的转换芯片,实现USB转RS232。芯片使用需要下载驱动。CH340G模块电路设计如图5所示。
图5CH340G模块电路
JTAG下载模块电路设计
JTAG模块用于程序的下载和ZStacK协议栈的分析测试。JTAG电路设计如图6所示。
图6JTAG电路
射频模块电路设计
射频模块用于信号的传输和放大,射频电路设计如图7所示。
图7 射频电路
3)传感器监测模块选型
本文基于无线传感器网络的火电厂灰霾监测系统的检测对象包括PM2.5、PM10、CO、SO2、和NO2,下面将对具体传感器进行选型。
细颗粒物检测模块
使用第二代Sharp GP2YIO51AUOF传感器测量PM2.5、PM10细颗粒物,可以区分香烟和室外粉尘,实现PM2.5及PM10浓度数据的采集。GP2YIO51AUOF传感器结构,如图8下所示。
图8GP2YIO51AUOF传感器结构
细颗粒物传感器接口电路设计
细颗粒物监测模块不需要依赖太多的外围电路。只需连接电源5V、接地和串口即可工作,如图9所示。串口与引脚之间的连线不得超过2.5米。

图9GP2YIO51AUOF与CC2530接线图
灰霾等级指标
根据PM2.5监测的灰霾等级标准设置PM2.5浓度的报警阈值。
表1 PM2.5标准指标
气体传感器
针对CO、SO2、和NO2等浓度的监测采用了ZE12型电化学模组。
气体模块接口电路设计
本系统中选用了串口数字输出方式。由P0发送采集数据指令,CO、NO2、SO2传感器分别与P0.4、P0.5、P0.6相连接,用来接收传感器输出的气体浓度信息。电路连接如图10所示。
图10ZE12传感器与CC2530接线图
气体指标
其中CO气体的探测范围是0~12.5ppm,其他气体探测范围是0~2ppm。详细指标如表2。
表2气体传感器技术指标4)系统供电电路设计
由于Zigbee模块被放置在室外环境下,所以节点采用太阳能供电的方式。充电电池选择5V锂电池,选用CN3163作太阳能充电控制电路。
图11太阳能供电电路本设计采用5V锂电池用于系统模块的供电,5V电压可以直接给PM2.5传感器、气体传感器供电。CC2530芯片所需电源为3.3V,需要对5V电压进行转化,做降压处理,本文采用XC6206对作DC-DC转换。
图12系统供电电路 5)Zigbee传感器节点PCB设计结合以上电路原理图的设计,设计了Zigbee模块的PCB电路图,将Zigbee模块硬件放于室外时需要加装塑料外壳,用于做防水处理,也可以保证内部元器件的使用寿命,Zigbee模块的PCB电路图如图13所示。
图13传感器节点PCB电路图
网关节点硬件设计网关节点主要由Zigbee协调器、液晶屏模块、4G模块构成,主要功能是实现处理和发送采集的数据至机智云云平台。网关模块主控芯片采用STM32F103RE。4G模块采用芯讯通公司的SIM7600CE ,其内部搭载的TCP/IP 支持系统与Internet相连,可以将数据上传至物联网云平台。1)主控制器电路设计
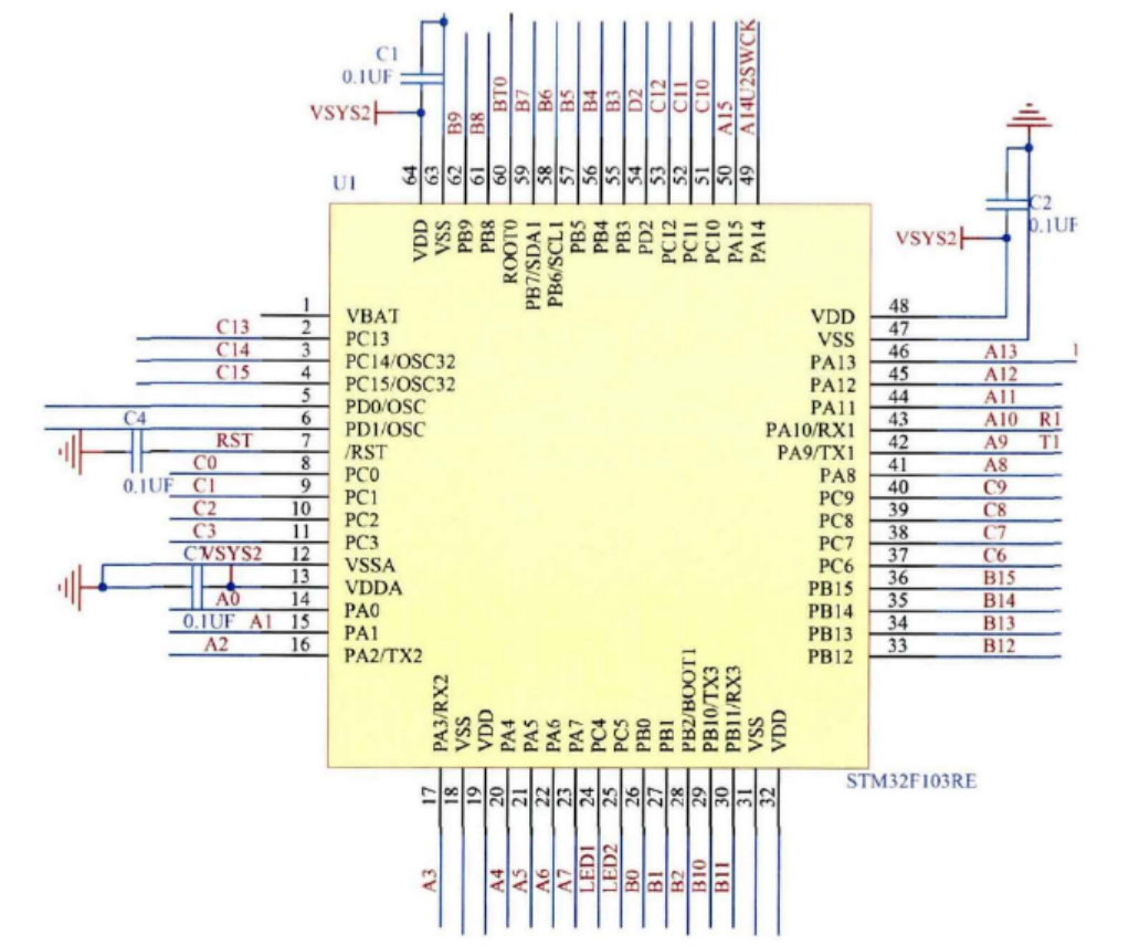
处理器是整个系统的核心,其他模块都需要通过处理器来驱动。本文设计的基于无线触感器网络的火电厂灰霾检测系统采用STM32F103RE芯片。
STM32处理器最小系统原理图
主控芯片为STM32F103RE,时钟电路由晶振Y1、电容C 5、电容C6构成8MHz时钟,接到CPU的PD0和PD1,该电路主要用于提供外部高速时钟,用来驱动芯片内核。
图14STM32F103RE处理器最小系统原理图
图15STM32F103RE时钟电路
STM最小系统下载调试接口原理图
本文采用一种区别于JTAG模式的ST-Link下载调试接口,该接口只需要占用两个接口资源。U2SWD的2号脚U2SWCK接STM32的PA14,3号脚的U2SWIO接STM32的PA13,这两个引脚不可作为通用输入输出接口复用,调试接口电路图如图16所示。

图16网关模块下载调试接口原理图
网关节点硬件实现
网关节点设计的PCB电路图如图17所示。
图17网关节点PCB电路图2)主控板电源设计本设计选取MIC29302做电压转换,将12V锂电池电压降为3.3V、3.8V分别给CPU和4G模块供电。电路图设计如图18所示。
图18网关节点电源电路 3)液晶屏接口电路设计网关模块配置了LCD屏,可以方便管理人员实时观测污染源变化情况。该LCD为串口形式,节约接口资源,LCD的电路设计图如图19所示。
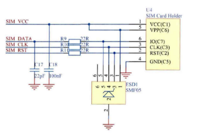
图19液晶屏接口电路4)4G模块电路设计4G模块选用SIM7600CE模块,其电路设计包括SIM7600CE接口电路、SIM卡电路和串口电路组成。
SIM7600CE接口电路

USIM卡电路

4G模块PDB电路
系统软件设计——设备接入云平台
机智云物联网云平台具有数据处理和存储的功能,可以在网络上共享数据,机智云云平台具有web端和移动设备APP,当用户将自己的终端设备注册到云平台后,会相应地获得设备所对应的二维码,可以通过手机APP绑定设备,获取设备的监测数据,并监测设备的运行状态。具体的操作流程如下:
首先进入机智云官网,注册设备并获得认证,可以获得对应的二维码,如图23所示。
图23使用APP扫码绑定虚拟设备
当虚拟设备登录后,会在日志中显示并记录登录信息,如图24所示。

图24设备上线
接下来,测试虚拟设备和移动应用程序来发送数据。在虚拟设备中,分别填写每个数据点的值,然后单击按钮将数据发送给应用程序。用于每个数据点的值分布的虚拟设备如图25所示。
图25APP端样式图及数据曲线图
实现数据上传云平台功能将终端设备注册后接入网络并上传数据,登录机智云官方网站,选择自己创建的基于无线传感器网络的火电厂灰霾监测项目,查看设备日志。当观察到设备列表的状态为联机,就表明设备成功接入到机智云云平台。点击“查看”按钮,可以查看通讯日志、运行记录等设备相关信息,见图26。
图26机智云平台的设备记录详情
实现APP移动应用程序查看上载的数据并控制设备设备成功接入云平台后,可以通过APP移动应用查看当前设备的监控信息,如图27所示。这里要说明的是,针对扩展类型数据变量,其在应用程序中以十六进制ASCII码的形式表示。
图27手机APP显示界面系统整体调试与功能测试
下面对整体系统的功能进行实际验证,具体的工作内容是给终端节点分配传感器硬件,将调试成功的程序烧录到各个硬件模块中去,最后测试各个模块的数据采集情况,并检测数据是否成功发送到协调器端。

图28系统节点实物搭建
本文设计的基于无线传感器网络的火电厂灰霾监测系统分为两部分,一部分是面向监测对象火电厂的传感器网络部分,该部分主要负责进行污染源数据的采集;其次还有网关模块所负责的网络传输功能,负责将数据上传至机智云物联网云平台进行共享和存储。
图29传感器节点实物
对于终端节点的测试进行了长期的观测和记录,结果表明在设备供电情况稳定的状态,终端设备始终保持稳定运行状态,数据传输的质量和传输效率保持在稳定水平。
通过对系统整体测试的统计分析,结果表明系统能够稳定运行。在很长一段时间,可以精确测量二氧化硫浓度的阴霾指数,PM2.5浓度和PM10浓度,得到空气中温度和湿度的信息,以及地理位置的设备,支持云端查看监控信息,APP远程监控设备,发送报警信息等。系统达到了统一设计的要求。系统总结
本文结合物联网技术设计了基于机智云云平台和4G通信的火电厂灰霾监测系统的设计方案。Zigbee技术的使用,解决了传统监测模式节点单一,成本高昂的弊端。完成了4G模块在嵌入式系统中的设计,通过移动LTE网络将污染源监测数据实时上传到机智云物联网云平台,实现数据的网络共享和远程监测。
实验证明,本系统能够实现多种污染源的采集,与传统监测设备相比,避免了布线复杂、污染源定位难、监测区域受限制等难题,并在很大程度上减轻了人力物力的投资,为火电厂灰霾的实时监测提供了较高的实用价值。
上一篇:雷达(Radar)发展史