时间:2023-06-18 09:50
人气:
作者:admin
红外接近传感器通常用于检测物体或范围内或接近范围内的任何障碍物,而无需任何物理接触。它在防盗报警器、自动灯等家庭安全应用中发挥着巨大作用。除此之外,它们还可以用作非接触式开关来打开和关闭任何设备。
红外传感器:
通常,红外传感器主要由用于产生红外光束的红外二极管和用于检测它们的光电二极管或光电晶体管组成。红外二极管发射红外光,该红外光从红外光束路径中的物体表面反射。反射光束将被光电二极管或光电晶体管捕获。通过这种方式,传感器可以感知其范围内是否存在任何物体。此外,红外光对人眼是不可见的,这使得它更适合这样的应用。
您可以使用运算放大器作为比较器,并使用由红外发射器和接收器制成的红外传感器来制作自己的红外接近传感器。在本电路中,我们使用了名为QRE1113的红外传感器模块。它采用封闭式包装,使精度更高。我们还将使用LM358运算放大器(Op-Amp)作为比较器。
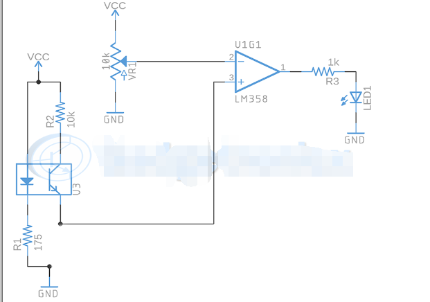
红外接近传感器电路:

电路工作原理:
它从 QRE1113 模块中的红外二极管开始,发射红外光束,然后到运算放大器比较器。在该电位计中,VR1连接到比较器的反相输入端。该电位计为比较器提供基准电压源。而运算放大器的同相端子连接到光电晶体管的发射器。
当任何物体进入红外光束的路径时,它会被反射。反射的红外光束将击中光电晶体管的基极。来自击射光束的光子激活晶体管,来自集电极的电流流过基极并流向光电晶体管的发射器。现在比较器的同相输入将高于反相输入。因此,运算放大器的输出变高,并在我们本例中的LED中触发警报。当没有物体存在时,同相输入变为低电平,因此输出也变为低电平。我们还可以通过借助电位计VR1改变基准电压来调节比较器的灵敏度。
零件清单:
您喜欢的 LED 颜色
电阻器 ( 175 欧姆, 10k 欧姆, 1k 欧姆
运算放大器 LM358
红外接近传感器 QRE1113
电位计 10k 欧姆
5V 至 12V 电池
注意:
您可以将输出 LED1 替换为蜂鸣器或扬声器,使其成为发声警报。您还可以将其他电路连接到此输出以扩展其功能。
光电晶体管发射极的下拉电阻将确保不会发生误触发。
