时间:2023-06-24 14:11
人气:
作者:admin
压电加速度计的背景
使用压电元件,压电加速度计产生与施加的加速度成比例的电荷输出。电荷输出是一种难以测量的信号类型,因为它会随着时间的推移通过泄漏电阻逐渐减小。
此外,作为压电加速度计中使用的典型传感元件,这些传感器会产生每牛顿数十或数百皮库仑范围内的少量电荷。因此,通常需要信号调理电路才能成功提取加速度信息,而不会耗散任何电荷。这需要具有大输入阻抗的放大级,以防止产生的电荷通过与传感元件并联的放大器的输入阻抗泄漏。
事实上,尽管皮埃尔和雅克居里于 1880 年发现了压电效应,但直到 1950 年代,由于缺乏具有足够高输入阻抗的放大器,它才具有实际用途。电荷放大器是处理压电传感器输出的技术。电荷放大器将传感器产生的电荷转换为可用的电压信号。
文章“理解和实现压电传感器系统的电荷放大器”和“如何设计压电传感器的电荷放大器”很好地介绍了电荷放大器的基础知识。
下面,我们将简要概述基本概念以及一些额外的细节。
压电传感器等效电路
首先,图 1 显示了两个可用于模拟压电传感器的等效电路。

图 1. 压电传感器的两个示例电路模型 (a) (b) 及其原理图符号 (c)。
压电传感元件由放置在两个电极之间的介电材料组成。当施加机械力时,传感器会产生一些电荷。考虑到这一点,压电加速度计可以建模为在受到加速度时自行充电的电容器。这种用法导致图 1(a) 中的电路模型。在这个等效电路中,电荷源 q p与传感器的电容 C p并联放置。电阻器 R p模拟传感器的绝缘电阻,为产生的电荷创建泄漏路径。
另一方面,图 1(b) 描绘了另一种电路模型,该模型使用与传感器电容器串联的电压源来考虑产生的电荷的影响。开路压电传感元件的输出电压等于产生的电荷 q p除以电容 C p。在图 1(b) 中,结合了 V eq以产生传感器的开路电压。,图 1(c) 显示了压电传感器的典型示意图符号。
电荷放大器配置——确定输出电压
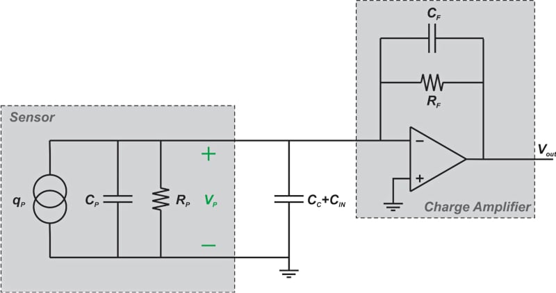
电荷放大器的基本配置如图 2 所示。

图 2. 显示传感器内电荷放大器配置的示意图。
在此图中,电容器 C C + C IN模拟电缆电容加上电荷放大器的输入电容。当传感器受到加速时,传感器产生的电荷 q p出现在电容器 C p和 C C + C IN上。
传感器的输出电压试图改变运算放大器反相输入的电位。但是,我们知道,由于负反馈机制和运放的高增益,运放的反相输入保持在虚地。
运算放大器实际上将一些电荷转移到反相输入,以使传感器的输出电压为零,并将反相输入保持在虚地。该电荷与传感器产生的电荷相等,极性相反。运算放大器通过反馈路径提供此电荷,即通过 R F和 C F的组合。
使用适当设计的电荷放大器,RF在感兴趣的频率范围内远大于 C F的阻抗。因此,C F是反馈路径中的主要元件,放大器传输到反相输入端的电荷是通过反馈电容器提供的。换句话说,电荷放大器补偿传感器产生的电荷 q p ,反馈电容器 C F中具有相反极性的等量电荷。
因此,等于 C F两端电压的输出电压可计算为:
$$V_{, out} = -frac{q_{p}}{C_{F}}$$
使用电荷放大器的主要优点
使用电荷放大器,传感器两端的电压理想情况下为零。因此,任何与传感器并联的绝缘电阻,如电缆的绝缘电阻或传感器的漏电电阻Rp,都不能流过电流。因此,传感器产生的电荷不会消散。此外,输出电压只是反馈电容的函数,因此传感器和电缆电容不能改变电路的增益。
电荷放大器时间常数参数——反馈电阻
反馈电阻R F为放大器的反相输入提供直流通路,并设置该节点的直流电压。但是,添加此电阻器会限制测量直流(或极低频率)加速度信号时的精度。
正如我们上面所讨论的,传感器产生的电荷通过电荷放大器操作转移到反馈电容器。此电荷可通过与 C F并联的反馈电阻器逐渐泄漏。
事实上,放大器的准静态行为由时间常数参数决定:
$$tau=R_{F}C_{F}$$
在电荷放大器的上下文中,准静态(或近静态)行为是指测量在相对较长的持续时间内保持恒定的信号。为了测量非常低频的信号,时间常数应该化。
为了更好地理解时间常数参数对我们测量的影响,请考虑图 3 中所示的波形。

图 3.输出电荷放大器(底部)和传感器信号(顶部)波形。图片由奇石乐提供。
在此图中,顶部波形显示传感器产生的电荷,而底部波形显示电荷放大器的输出。在此示例中,假设充电波形具有固定的直流值以及一些高频分量。输入的高频分量按预期出现在输出中。然而,初接近输入直流值的输出直流值逐渐接近零伏。这种趋势是由于存储在 C F中的静电荷通过 R F泄漏。
如您所见,经过一个 $$tau$$ 的时间间隔后,输出的 DC 值减少到其初始值的 37%。对于某些类型的电荷放大器,可以在不同的反馈电阻值之间切换,以根据加速度信号的低频内容调整时间常数参数。
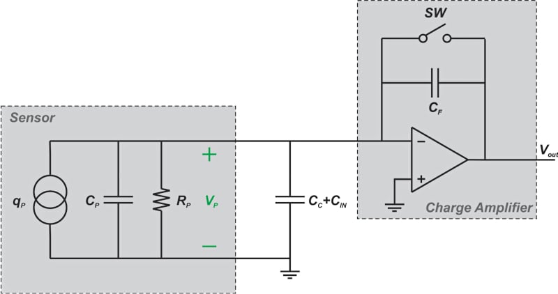
带复位开关的电荷放大器
或者,一些电荷放大器包含一个复位开关而不是反馈电阻器,如图 4 所示,这为我们提供了时间常数值。

图 4. 显示电荷放大器的原理图,使用复位开关,配置有传感器。
在进行测量之前,打开开关以使反馈电容器放电并设置运算放大器反相输入的直流电压。然后,关闭开关以开始测量阶段,如图 5 所示。

图 5. 电荷放大器的电路操作。图片由奇石乐提供
同样,上部曲线显示传感器产生的电荷,下部曲线描述电荷放大器的输出。请注意,当开关打开时,输出为零。结果,复位开关也为随后的测量固定了零点。
虽然合并一个复位开关可以化时间常数,但它会使电路容易出现漂移现象。漂移是指电荷放大器输出在一段时间内发生的变化,而不是由被测物理参数的变化(我们讨论的加速度)引起的。漂移是由几种不同的非理想效应引起的,例如运算放大器的输入偏置电流和失调电压。
为了进一步讨论,应该更详细地评估反馈电阻器对放大器低频响应和漂移行为的影响。