时间:2022-05-07 10:41
人气:
作者:admin
摘要:介绍了霍尔效应,分析了闭环式霍尔电流传感器的工作原理及其主要特点产品特点与选型,研究分析了霍尔电流传感器在变频器中的典型应用以及变频器中的典型电流检测电路,浅谈其在变频器中的典型应用。
01 引言
随着现代工业技术的不断发展,电流检测广泛地应用到工业控制领域,工业控制对电流检测的精度和响应速度的要求较高,同时希望与被检测的对象实现完全隔离,霍尔电流传感器很好地 解决了这些问题。霍尔电流传感器以其优良的性能和精巧的结构,已经成为工业控制领域中电流隔离测量的解决方案,并且被广泛应用于驱动器、变频器、电机绕组和高频大电流测量等场合中。
02 工作原理
霍尔电流传感器是根据霍尔效应制作的一种磁场传感器。它有两种工作方式,即开环(直放式)和闭环(磁平衡式)。直放式霍尔传感器的优点是电路形式简单,成本相对较低;其缺点是精度、线性度较差,响应时间较慢,温度漂移较大。为了克服它的不足,出现了闭环(磁平衡式)霍尔电流传感器。
闭环式霍尔电流传感器又称零磁通式霍尔电流传感器,它是由原边电路、聚磁环、霍尔元件次级线圈、放大器等组成。当原边电流IP产生的磁通通过高品质磁芯集中在磁路中,霍尔元件固定在气隙中检测磁通,通过绕在磁芯上的多匝线圈输出反向的补偿电流,用于抵消原边IP产生的磁通,使得磁路中磁通始终保持为零。经过特殊电路的处理,传感器的输出端能够输出准确反映原边电流的电流变化。
03 产品选型
3.1 产品选型
闭环霍尔电流传感器具有响应时间短、工作频率高、过载能力强、高隔离度等众多优点。一般情况下,根据输入信号、外形、内孔尺寸来选择霍尔电流传感器。在传感器行业内,安科瑞霍尔电流传感器严格按照JB/T 7490-2007《霍尔电流互感器行业标准》规定的各项要求,相对于同行采用插针式接线不同,一律采用绿色可插拔端子,现场接线方便、可靠。常见的品牌产品如图一。

图一
3.2 产品外形
型号:AHBC-LTA

图二
3.3 技术指标
响应时间:≤1us
频宽:100kHz
失调电流:0.1mA
工作温度:-25~70℃
存储温度:-40~80℃
输出负载:根据不同辅助电源、输入信号、输出信号而定
输入过载能力:输入量程值2倍可恢复正常工作
耐压:3.5kV/50Hz/1min
04 产品应用
4.1 传感器应用在变频调速回路

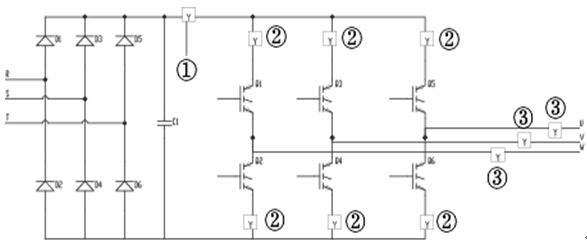
图三 变频调速回路 Y为霍尔电流传感器
图三中①用于检测母线的直流电流,当检测出主回路中出现异常脉冲,或有效值超出标准时,迅速切断逆变触发电路的触发脉冲,保护逆变和整流模块;
图三中②用于检测两桥臂的中的电流差,由于换相失败很容易使一相中上下两桥臂中的IBGT模块因过流而损坏,此时要求短路电流保护在短路检出后10us内切断门驱动电路,这种逆变器采用快速过电流保护装置,可以用霍尔电流传感器检测每个桥臂中的电流,若因换相失败造成上下桥臂同时导电,则相应的两个传感器同时检出电流信号,经与基准电压比较转换成方波后,通过门电路控制封锁所有的逆变触发脉冲,切断短路途径,保护昂贵的IBGT模块;
图三中③用于检测输出电流的波形,接入逆变器的输出回路中,用来检测随频率变化的交流电流,可以更好地控制触发脉冲,也可以提供用电设备的过载信号
4.2 使用注意事项
4.2.1 为了得到较好的动态特性和灵敏度,注意原边线圈和副边线圈的耦合,要耦合得好,可用单根导线且导线完全填满霍尔传感器模块孔径;
4.2.2 使用中当大的直流电流流过传感器原边线圈,且次级电路没有接通电源|稳压器或副边开路,则其磁路被磁化,而产生剩磁,影响测量精度(故使用时要先接通电源和测量端M),发生这种情况时,要进行退磁处理。其方法是次边电路不加电源,而在原边线圈中通过同样等级大小的交流电流并逐渐减小其值;
4.2.3 在大多数场合,霍尔传感器都具有很强的抗外磁场干扰能力,一般在距离模块5-10cm之间存在一个两倍于工作电流Ip的电流所产生的磁场干扰是可以忽略的,但当有更强的磁场干扰时,要采取适当的措施来解决。通常方法有:
① 调整模块方向,使外磁场对模块的影响小;
② 在模块上加罩一个抗磁场的金属屏蔽罩;
③ 选用带双霍尔元件或多霍尔元件的模块;
④ 测量的精度是在额定值下得到的,当被测电流远低于额定值时,要获得精度,原边可使用多匝,即:IpNp=额定安匝数。另外,原边馈线温度不应超过80℃。
05结束语
霍尔电流传感器优点众多,通过对大电流进行准确的检测和控制,保证 了变频器产品安全可靠的运行,使变频器在正常输出的同时,能对异常状况及时处理,提升了变频器 的可靠性,提高了变频器的安全品质。所以霍尔电流传感器在变频器里的优势越来越明显,已成为变频器行业中不可缺少的一部分。
上一篇:数字称重传感器有哪些优点?