时间:2023-06-07 15:12
人气:
作者:admin
本文介绍了不同压力传感器的桥接配置,何时可以使用和不可以使用,以及各自的优缺点。
介绍
惠斯通电桥是Merit Sensor的核心压力传感器由硅蚀刻隔膜上的一组四个电阻器组成。 当压力施加到隔膜时,电阻器会受到应力,从而改变它们的阻值。
在理想设置中,所有电阻器都将完美匹配并且完全不受温度影响。
然而,实际上,每个电阻器的电阻值之间存在差异。 此外,温度也会改变电阻值。 由温度引起的电阻值和整个电桥输出的变化称为电阻温度系数或 TCR。
许多应用都需要独立于温度工作的压力传感器。 此类应用需要补偿压力传感器的 TCR。
TCR 补偿可以通过两种通用方法完成——被动和主动。 在无源补偿中,必须测量每个电桥电阻器的值以确定补偿电阻器所需的值。
在主动补偿中,模拟电路、微控制器或信号调节器记录各种压力和温度条件下的电桥输出,并相应地调整传感器输出。
桥接配置
一种。 关闭– 连接所有电阻器的电桥(见图 1)。

图 1. 闭合桥。
在闭合电桥中,无法测量单个电阻器,因为电桥的其他三个电阻器始终会对它们产生影响。
b. 半开– 半开桥分为两个分支并连接在一端(见图 2)。

图 2. 半开桥。
与闭桥不同,半开桥允许测量每个电阻器,如果需要确定传感器的性能,这是一个优势。 此外,半开桥可以根据需要添加有源或无源补偿。
半开桥需要额外的电气连接。
C。 全开– 全开桥分为两个支路,两端都是开路的(见图3)。

图 3. 全开桥。
与半开桥一样,全开桥也可以对每个电阻进行测量。 它可以使用主动或被动补偿。 此外,桥的每一半都可以独立供电和测量,这是一个优势,因为一些信号调节器通常用于压力传感器应用需要两个独立的分支。
然而,全开桥配置需要额外的电连接,这超出了半开配置所需的连接。
实现示例
一种。 关闭– 由于不可能测量闭合桥中的单个电阻器,因此它可以与有源补偿一起使用,或者用于温度变化引起的传感器输出波动可以接受的应用中。
图 4 显示了具有主动补偿的闭合桥。

图 4. 带接口设备的闭合桥(信号调理 ASIC、微控制器、模拟电路等)
压力开关是适用于封闭桥的一个示例,其中温度独立性并不重要。 在这里,知道已达到压力阈值比测量绝对压力更重要。
b. 半开– 如图 4 所示,可以对半开桥应用主动补偿。 同样,无源补偿也可以应用于半开桥,如图 5 所示。

图 5. 带无源补偿的半开桥。
图 5 显示了具有无源补偿的半开桥的实现,表明添加的组件和额外的电气连接 (V在+) 需要关闭桥梁。 顾名思义,额外的电阻器完成跨度、零和输出阻抗补偿。 在要求的条件下进行开桥测量后,必须添加这些组件。
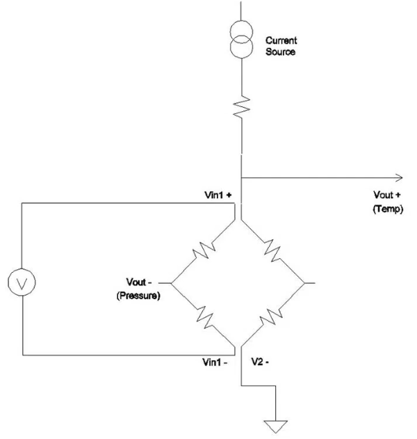
C。 全开– 全开放式桥梁具有广泛的实施范围。 除了用作全开桥外,全开桥还可以用作封闭(图 4)或半开桥(图 5)。 图 6 显示了如何将全开桥用于两个功能——压力和温度。

图 6. 具有两个功能的全开桥。
在这个实现中,桥的一半被用作压力传感器另一个用作温度传感器。 由于只有半个桥的电压摆幅,因此只有一半的压力输出信号会出现。 然而,这提供了测量实际管芯温度的额外好处。 与环境温度测量相比,这种温度测量可以为温度补偿提供更准确的输入。
为应用程序选择合适的配置
在决定桥梁配置时,有必要考虑整个传感系统。 首先,用户必须决定温度独立性是否重要。 如果它很重要,那么他们必须决定是使用被动补偿还是主动补偿。 如果选择有源补偿并使用信号调节器或其他电子设备,则应满足该设备的要求。 必须小心,因为具有类似功能的设备可能有非常不同的要求。
如前所述,每种配置都有自己的优点和缺点。 尽管全开放桥增加的电气连接增加了组装的复杂性,但它提供了更大的灵活性,并且还提供了更轻松地解决桥问题的能力。
最终,必须根据对系统的全面分析来选择网桥配置。
审核编辑:郭婷
下一篇:医疗应用压力传感器