时间:2023-06-09 10:45
人气:
作者:admin
国产车规级霍尔电流传感器CH704是为50A以上大电流检测应用开发的隔离集成式电流传感芯片,具有高精度、增强绝缘耐压、高可靠性、低功耗等优点。
该芯片内部集成一个精密的可编程线性霍尔芯片、一个小型聚磁环以及一个导通电阻为0.1mΩ的铜排,可实现+/-50A,+/-100A,+/-150A,+/-200A的电流检测,并且通过工厂预编程可测量最大400A的浪涌电流。内部的低偏移、斩波稳定的线性霍尔芯片结合独特的温度补偿电路设计,实现CH704全温范围(-40℃到150℃)内良好的温度一致性。出厂前芯片已做好灵敏度和静态(零电流)输出电压的校准,全温度范围内提供 ±1% 的典型高精度。

其主要应用包括:
• 汽车电子:汽车OBC,DC-DC,EPS电机等
• 工业控制:不间断电源(UPS)、焊机/移动通信设备等电源供电等
• 大功率电机:平衡车/独轮车控制器、热泵/制冰机等
• 能源:过程控制、蓄电池检测、能量测量等
测量50A以上电流:意瑞隔离集成式电流传感器CH704 文章中已经介绍了一些相关应用,我们再从其它一些具体应用了解如何使用CH704芯片(具体应用可以点击蓝色链接):
1,一种自动切换过流保护模块的热泵装置保护电路介绍(ACS758/CH704应用案例)
下面将对实施例描述中所需要使用的附图作简单说明。

本例中,电流电压转换单元包括型号为CH704的线性电流传感器芯片U1,线性电流传感器芯片输入端(IP+、IP-)与市电输入端相连,比较单元包括第一电阻R1、第二电阻R2以及运放器A1,第一电阻与第二电阻串联在电源端与地之间,运放器一个输入端与线性电流传感器芯片输出端(VOUT)相连,运放器另一个输入端接在第一电阻与第二电阻之间,运放器输出端与模拟开关控制端相连。线性电流传感器芯片CH704中配置有霍尔传感器,霍尔传感器将电流所产生的磁场信号转化成电压信号输出,与第一电阻和第二电阻中间的电位进行比较,比较结果通过运放器输出,以此实现对市电输入端输入电流的检测及判断。
2,大功率锂电池组BMS(电池管理系统)保护板电路介绍(ACS758/CH704应用案例)
传统的BMS板设计的时候通常采用运放、MOS管等分立原件构成,原理复杂,成本高,不易调试、故障率高等缺点。

采用CH704芯片进行隔离的测量输出电流。CH704芯片将电流信号转换成电压信号输入nrF51822芯片的A/D引脚。CH704的4 ,5串入电池的输出,4脚接+,5脚接-。
对超限电芯进行放电处理是整个BMS板的核心动作,当充电快充满时,由于需要放电的电芯数目比较多,如果一直放电操作,这个时候LTC6803及相关电路会比较热,为了降低温度,我采取了分时平衡算法,利用电芯电压不能突变,即某个时间段平衡电路开始工作,另个时间段关闭平衡电路,这样既使电芯电压平衡了,而且平衡电路部分温度升高的量很少。
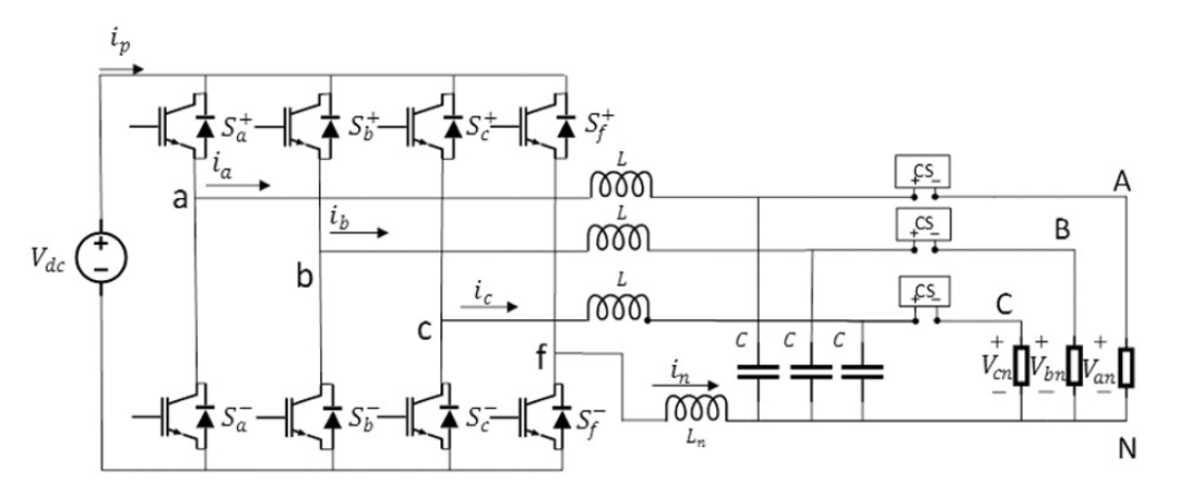
3,霍尔电流传感器ACS758/ACS770/CH704应用于三相四桥臂逆变器的电流检测装置
霍尔电流传感器的两电流检测脚串接在三相四桥臂逆变器的三相输出线路上,所述霍尔电流传感器的信号输出脚连接采样电流处理电路。
霍尔电流传感器可以采用Allegro公司的ACS758或ACS770芯片,也可以采用意瑞半导体的***CH704.

图1 装置原理图。

图2 霍尔电流传感器的安装位置示意图。
三个霍尔电流传感器CS(A)、CS(B)、CS(C),三个采样电流处理电路D和一个数字信号处理器DSP。所述三个霍尔电流传感器分别串接在三相四桥臂逆变器的三相输出线路上,以检测三相输出电流。各个霍尔电流传感器分别与相应的采样电流处理电路连接,然后接至数字信号处理器,以将采集到的电流模拟信号转换为电流数字信号再传输给数字信号处理器。

图3 采样电流处理电路的原理框图。
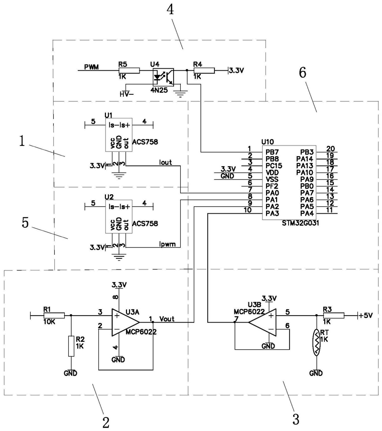
4,通用“别克蓝”智能电驱系统关键元器件分析——霍尔电流传感器ACS758(CH704)在其中的应用

图4 驱动板背面
功率板
1、FS50R07W1E3_B11A (650V,50A),Infineon;
2、ACS758LCB-050B (目前Allegro产品严重缺货,可以选用国产替代产品CH704)
3、R75 MKP (0.33uF,250V) ,Arcotronics;
4、SUYIN针座;
5、IGBT内部集成的陶瓷铝基板表面。
5,用于监测开关电源工作状态的电路(霍尔电流传感器ACS758/CH704的应用案例)
电路包括有开关电源输出电流检测模块1、开关电源输出电压检测模块2、用于检测环境温度的温度检测模块3、用于对开关电源中控制开关管通断的PWM波进行脉宽检测的PWM波脉宽检测模块4、用于对开关电源中流经开关管的电流大小进行检测的开关管电流检测模块5、以及用于对检测数据进行处理的处理器6,所述开关电源输出电流检测模块1检测信号输出端、开关电源输出电压检测模块2检测信号输出端、温度检测模块3检测信号输出端、PWM波脉宽检测模块4检测信号输出端、开关管电流检测模块5检测信号输出端分别与所述处理器6连接。

开关电源输出电流检测模块1采用芯片型号为ACS758(或使用***CH704)的电流传感器U1,电流传感器U1的第4引脚作为检测电流输入端,第5引脚作为检测电流输出端,第3引脚作为所述开关电源输出电流检测模块1的检测信号输出端与所述处理器6连接。
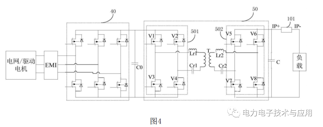
6,储能双向变流器(PCS)设备中的电流检测方法
系统中电池(Bat)侧 1 路输入,输出为三相三线制输出,主功率原理框图如图所示:

储能变流器支持并网和离网两种运行模式。
在并网运行中,储能变流器交流侧连接电网,直流侧连接蓄电池。与电网调度系统配合,参与电网调压调频,实现对电网负荷的削峰填谷。根据选择的运行模式,可对蓄电池进行恒压、恒流和恒功率充放电。
在离网运行中,储能变流器直流侧连接蓄电池,系统运行可输出固定频率和有效值的三相交流电压,实现对交流侧负荷的持续供电。
7,一种新型商用空调逆变器硬件电路方案的研究
由于空调压缩机内部的高温、腐蚀性环境无法安装位置传感器, 压缩机逆变器需要采用无位置传感器的控制方法。在无传感器控制方法中,电动机相电流有效检测是提高控制性能的重要环节。常见三种不同的采样方式,如图2所示。

8,汽车空调系统的核心——空调控制器及其关键元器件
空调控制器连接着车内多个传感器,能够通过这些传感器准确获取车内环境。同时,控制器通过CAN与空调控制面板通讯,可以实时的获取驾驶员对环境的要求。利用内部算法,通过CAN来控制空调压缩机与空调PTC,鼓风机并且通过控制风门电机,阀门等执行器件,来达到对车内环境的精确控制。
详细的空调控制器框图如下:

9,车载燃料电池系统及其启动运行控制方法介绍(霍尔电流传感器CH704200CT应用案例)
通过DC‑DC转换器的开关频率的切换(低‑高),基于电流环与流量环的双闭环调节,实现了车载燃料电池系统在低温启动、高温运行及其切换过程中的升压比与电流精度的多目标优化控制,增强了车载燃料电池系统的环境适应性与可靠性。

数据采集单元进一步包括:
温度传感器,分别设置于整车车厢内、电堆的冷却液入口和冷却液出口处,用于采集当前时刻的环境温度,以及布设位置处的冷却液水温;
流量压力一体传感器,分别设置于空压机的输入端、电堆的空气入口、氢气入口处,用于采集布设位置处通流气体的流量和压力;
电流监测设备,设置于电堆、DC‑DC转换器之间,用于采集电堆的实际输出电流,电流采集使用霍尔电流传感器CH704200CT;

10 比亚迪:电动汽车、车载充电器及其过流保护电路介绍
图2是相关技术中车载充电器的电路拓扑图;

图3是根据本实用新型一个实施例的车载充电器的过流保护电路的方框示意图;

根据本实用新型的一个实施例,电流检测单元10包括电流霍尔传感器101,如图4所示,电流霍尔传感器10连接到DC/DC变换器50的输出端。电流霍尔传感器101可以使用意瑞半导体的双向电流霍尔传感器CH704150CT。
审核编辑:汤梓红
上一篇:拉绳编码器4-20mA与应用介绍