时间:2023-05-16 11:33
人气:
作者:admin
在许多应用中,特别是在汽车应用中,将传感器输出限制为一些预定义的值,也称为输出削波,可以作为重要的诊断工具。MAX1455是低成本、高性能信号调理器,内置削波功能。本文介绍了一种为MAX1452信号调理器实现外部输出削波功能的简单方法。这是通过增加几个电阻并利用片内非专用运算放大器来实现的。
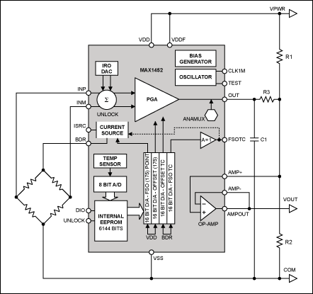
MAX1452(图1)输出信号为模拟电压,范围从VDD轨到VSS轨。该器件可配置为限制(削波)其输出电压,以帮助传感器应用中的系统级诊断。此功能可以检测由接线或连接器伪造引起的开路或短路,并可以检测传感器故障。
强制削波可通过使用集成的非专用运算放大器和几个外部电阻来实现。削波电压范围可设置为与电源电压对称或不对称。削波电压与电源电压完全成比例,保持系统的比例性能。

图1.MAX1452原理图
输出削波电压称为 Clip-Top 用于限制 VDD 附近的上限电压范围,称为 Clip-Bot,用于限制 VSS 附近的较低电压范围。图 2 中可以看到三种不同的剪辑范围设置。所有通常会导致输出电压大于剪辑顶部或低于剪辑机器人的信号都将在剪辑级别被截断。通常会导致饱和的高输出电压或低输出电压的超量程信号会导致削波电压设置下的输出削波。电路的正常或超量程工作不会在削波电压和电源轨之间产生电压输出。系统故障条件(传感器导线短路、开路或连接)将产生超出夹子电压和接近电源轨电压的电压信号。

图2.各种输出诊断剪辑设置。
典型的应用图如图3所示。传感器组件包含一个压力或力传感器和MAX1452信号调理IC。线束将传感器组件连接到主电子控制单元 (ECU)。ECU为传感器提供电源电压(典型值为5V),并从传感器接收模拟电压信号。这三根线束线通常与其他线束捆绑在一起,并可能穿过传感器和ECU之间的多个连接器系统。希望检测电线或连接器中的开路,以便ECU可以采取适当的措施。此操作可能包括关闭子系统、忽略可疑线上的所有测量值或激活警告灯以指示故障情况。

图3.典型的传感器接线配置。
通常的做法是在ECU的Vout线上使用上拉或下拉电阻,当Vout线开路时,该电阻会将线路拉到定义的状态,如图2所示。R 的值濮或 R帕金森已使用2.2KΩ至10KΩ。当Vout线路开路时,电阻将线路拉至电源轨,并保持稳定在该值。如果没有削波诊断功能,Vout 上的电压为 0V 将被视为空载条件。通过将传感器的正常工作输出限制在略微远离电源轨电压的值,电源轨电压被视为异常信号和故障条件(即Vout线路中的开路)。
构成削波功能的三个电阻是R1、R2和R3,如图4所示。通过选择这些电阻的值,可以获得精确的削波电压。运算放大器配置为电压跟随器,为Vout提供驱动能力,并缓冲电阻网络免受Vout线路上负载变化的影响。当 R1=R2 时发生对称削波。将 R1 和 R2 设置为不同的值可控制不对称裁剪。R3控制输出信号Vout向每个供电轨摆动的距离。表1显示了使用三种不同电阻设置创建的三种不同的削波范围条件。

图4.创建削波高和削波低诊断电压限制。
表 1.输出削波电压 VDD = 5.0VDC 时的设置
| R1 (Ω) | R2 (Ω) | R3 (Ω) | 输出 剪辑高 (V) | 输出 削波低 (V) |
| 10K | 10K | 208Z | 4.90 | 0.10 |
| 10K | 10K | 555Z | 4.75 | 0.25 |
| 10K | 10K | 1.25千米 | 4.50 | 0.50 |
| 10K | 5K | 588Z | 4.50 | 0.25 |
审核编辑:沟通