时间:2023-04-06 11:03
人气:
作者:admin
在工业控制领域,只有几件事是确定的;下一个产品将具有更小的外形尺寸,更多的通道,并且每个通道的目标成本更低。期望自上次设计以来,技术已经改进,所有这些都是可能的。在很大程度上,这就是过去事情的发展方式,你的运气可能很好。
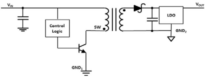
从光耦合器时代到最新的高速低功耗、紧凑型数字隔离器,数据接口一直在稳步改进。在本文中,我们将研究隔离传感器接口的一个方面,该接口受到的关注比应有的少。我们如何为ADC和调理电路提供隔离电源,同时缩小接口尺寸并提高性能?过去,模拟接口板的通道数不高,因此电路板上有足够的空间来设计一个适度的DC-DC转换器,以便为传感器接口供电。功耗不是大问题,因为一个模块只有一个或两个接口。目前,如图1所示,模拟PLC模块可以有16个、<>个甚至<>个独立的隔离通道。适度的DC-DC转换器的多个副本会占用大量空间并产生大量热量。

图1.典型的多通道传感器接口
从讨论功耗开始的好地方是使用通用模拟接口,如图1所示。有源电路由一个信号调理元件(如运算放大器或仪表放大器)和一个带有串行接口的ADC组成,该串行接口可通过数字隔离器通道与FPGA接口。该电路通常需要明显低于150 mW的功率。
为传感器接口供电的基本挑战是优化电源,使其在所需的功率范围内正常工作。在0 mW至150 mW下工作意味着构成电源的控制器和反馈元件的固定静态功耗将占所用总功率的很大一部分,因此效率会降低。这可以从表1中各种电源配置的静态电流值中看出。或者,许多简单的电源设计需要最小负载才能正常工作,因此必须将功率浪费在阻性死负载中,以确保电源正常工作。虽然将555定时器和晶体管放在电路板上并获得一些功率非常简单,但很难制造出在低功率水平下工作的高效可靠的电源。
此功率范围使用的DC-DC转换器有三种基本类别:
非稳压开关电源或模块
稳压开关电源或模块
芯片级电源转换器
这些电源架构中的每一个都需要增加控制电路的复杂性,并且在前两个选项中,需要增加元件数量和解决方案尺寸
不受管制的电源
最简单的解决方案是非稳压DC-DC转换器,如图2所示。

图2.非稳压直流-直流模块
该设计使用固定频率固定占空比输入开关来创建经过整流和滤波的次级侧电源。所选变压器的额定隔离电压需要达到应用所需的隔离电压。隔离要求越高,变压器的PCB尺寸和高度就越大。该解决方案的成本由变压器主导,因此在合理的体积下,分立解决方案的成本低于1.00美元。
实现低成本的代价是输出电压随负载和温度的变化很大,这使得模拟接口的模拟元件的选择更加困难。模拟接口中的所有模拟元件必须具有出色的电源抑制性能,并且负载不能快速变化,否则可能会引起明显的电源变化。这会导致更高的组件成本,或者至少需要更多的工程时间来评估极端条件下的解决方案。非稳压电源可以具有相当高的效率,但电源质量较低。
稳压电源和模块
稳压电源提供更好的输出特性。图3显示了1 W功率范围内的典型DC-DC模块。

图3.稳压直流至直流模块
控制器将电源切换到变压器,类似于上面的非稳压示例。选择变压器的功率电平和匝数比是为了在最大负载下提供足够的电压,使LDO能够将输出电压调节到稳定的水平。该方案在高负载下具有良好的功率效率,但在低负载时效率较差。这正是我们的模拟接口应用程序运行的地方。
有许多有源稳压方案可以在整个负载范围内实现更高的效率,但它们需要更复杂的控制电路,并且大多数都需要跨越隔离栅的反馈通道。这大大增加了设计的成本和尺寸,对于此功率范围内的模块,通常不会这样做。
由于难以将变压器集成到组件中,这些电源的集成尚未超过灌封模块或PCB子卡。制造商在减小这些设备的尺寸方面取得了有限的成功。
芯片级转换器
ADI公司为i耦合器数字隔离器产品开发的芯片级变压器技术创造了一类新的DC-DC转换器。该技术非常适合低功耗、高功能电源设计。变压器是“空气芯”,这意味着变压器中不存在磁性材料。这意味着这些微型变压器的最高Q值约为125 MHz。开关频率如此之高,以至于改变开关信号的占空比来控制功率是不切实际的。相反,控制电路对整个振荡器进行栅极和导通,以调节次级振荡器的电压。®
变压器足够小,可以集成到具有内部分离引线框架的标准IC封装中。隔离栅两侧的正向功率和输出反馈所需的所有组件都可以集成到一对硅芯片中,无需分立的外部组件,并允许实现高级功能。芯片级电源转换器可以包含完全稳压DC-DC电源的所有功能,在低负载条件下提供严格的稳压和良好的效率。

图4.ADuM5010芯片级转换器
比较
让我们看一些实际的例子来说明我们讨论过的设计之间的差异。表1显示了两个功率模块和一个芯片级转换器的特性比较。所选的 TI 模块是最接近传感器接口要求中确定的 0 mW 至 150 mW 范围的常用模块。
| 类型 | 部件号 | 峰值效率 | 10 mA 效率 | 静态电流 | 最大功率 | 负载注册器 | 大小 | 成本 |
| 芯片级转换器 | ADuM5010 | 30% | 27% | 6.8毫安 | 150毫瓦 | 1.3% | 7.4 × 7.4 × 2 | $1.50 |
| 稳压模块 | DCR010505 | 50% | 21% | 18毫安 | 1 瓦 | 3% | 18 × 10 × 2.5 | $5.95 |
| 非稳压模块 | DCH010505 | 72% | 不适用 | 60毫安 | 1 瓦 | 10% | 20 × 8 × 10 | $4.25 |
大多数设计人员需要做出节能设计。表1中跳出的是非稳压解决方案的效率,但选择该解决方案存在缺点。该模块的额定功率为1 W,其数据手册甚至没有将其性能评为低于100 mW。输出电压很可能明显高于额定值,效率迅速下降。
下一个最高效率是稳压模块。它的额定值可在轻负载下使用,并且性能良好。但是,如果我们实际查看稳压模块与芯片级转换器的效率,图5显示,由于芯片级转换器具有有源反馈调节功能,因此其效率上升到最终值的速度要快得多,因此在0 mA至15 mA负载之间,芯片级解决方案实际上效率更高。这是原始模拟接口定义中确定的大部分目标范围。因此,芯片级解决方案是更好的选择,即使它的最大效率最低。

图5.DC-DC稳压模块的效率与芯片级转换器的比较
解决方案大小是下一个比较点。模块化解决方案均为 180 mm2在PCB上,未稳压模块实际上有10毫米高,不仅占用电路板空间,而且可能是电路板上最高的项目,决定了我们理论模块的外壳尺寸。同样,显而易见的选择是采用薄型SSOP20 JEDEC标准封装的芯片级模块,尺寸为55 mm2,加上一些旁路电容器和两个电阻器。
与非稳压解决方案相比,选择稳压解决方案的优势在于模拟前端ADC和放大器的电源抑制。更好的调节允许在选择完成所需测量工作的组件时具有更大的灵活性,而不是将选择限制在具有最佳电源抑制数的器件上。
模块化和分立式解决方案与芯片级解决方案之间的最后一个区别因素是工作频率。开关电流会在电源上产生噪声和纹波。在许多情况下,模块的工作频率范围为200 kHz至1 Mhz,这与许多传感器应用的频率采样率相对应。必须注意正确滤除或消除电源噪声中的数据。芯片级解决方案的主功率振荡器运行频率为125 MHz,远高于大多数工业传感器ADC的采样频率。由于功率振荡器的PWM控制,仍然存在纹波,但最大的噪声源高于ADC的带宽,并且易于滤除。
芯片级转换器的其他优势
仅基于尺寸效率,芯片级转换器是此应用的不错选择。但是,该技术还有许多其他优点。让我们详细了解新型隔离式电源转换器ADuM5010。该器件可在模拟接口所需的低功率范围内提供电信DC-DC转换器的性能。
输出电压无级可调。ADuM5010通过副边的分压器设置输出电压。电压范围为3.15 V至5.5 V。许多模拟ADC和运算放大器采用非标准电源轨工作,因此可以调节电压以利用最佳电源条件。
热关断功能可在短路过载条件下保护电源,尤其是在可能超过最大芯片温度的高环境温度下。热关断在154°C时跳闸,芯片必须冷却10°C,器件才会自动重启。无需外部处理器干预即可重新启动电源。
软启动是通过PWM的初级侧控制来实现的。这允许该器件以可忽略不计的浪涌电流开始。当多个器件同时启动时,浪涌电流会压倒弱的直流输入电源轨,并导致不可预测的操作。
初级侧电源禁用允许转换器关断至非常低的待机状态。此功能与软启动相结合,可以实现节能方案,在测量之间关闭传感器的电源。
初级侧输入电源上的欠压锁定 (UVLO)。该特性可防止转换器在低输入电源轨下启动。这允许输入电源在下游ADuM5010尝试耗电之前进行大量充电。
完全认证的隔离。这可以减少模块的型式测试,并消除生产过程中的在线测试。
结论
模拟传感器接口应用专为大多数PLC应用而设计,需要隔离数字通信和电源。功率水平非常低,低于大多数DC-DC转换器可以高效且可预测地工作。但是,该接口从具有良好调节和性能良好的电源中受益匪浅。ADuM5010隔离式芯片级转换器非常适合隔离式模拟输入的要求,具有150 mW功率和一组通常只有高功率DC-DC转换器才具备的特性。该器件是将电源与隔离数据通道相结合的器件系列的纯电源版本。ADuM521x双通道数据通道器件允许将数据接口组合在一起,从而节省更多空间。随着线路的发展,通道数较高的设备将填充该线路。这允许以最少的设计工作安全简单地施加电源。
审核编辑:郭婷
上一篇:超声波接近检测方案在手机中的应用