时间:2023-04-10 11:08
人气:
作者:admin
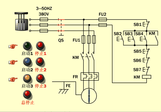
自二十世纪六十年代美国推出可编程逻辑控制器(Programmable Logic Controller,PLC)取代传统继电器控制装置以来,PLC得到了快速发展,在世界各地得到了广泛应用。同时,PLC的功能也不断完善。随着计算机技术、信号处理技术、控制技术网络技术的不断发展和用户需求的不断提高,PLC在开关量处理的基础上增加了模拟量处理和运动控制等功能。今天的PLC不再局限于逻辑控制,在运动控制、过程控制等领域也发挥着十分重要的作用。来学习一下这些动图吧! PLC顺序控制

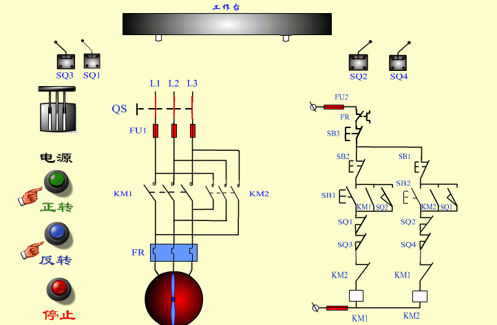
PLC正反转控制

按钮开关

冲孔加工

断电延时型时间继电器

多点控制

滚轮式行程开关

交通信号灯

机械手

交流接触器

热继电器

三相闸刀

时间继电器

手动控制

速度继电器

星三角启动

异步电动机转动原理

自动往返控制

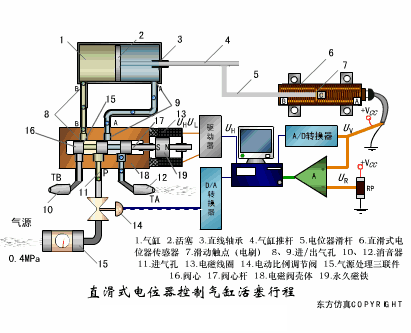
传感器工作原理动图
















































































审核编辑 :李倩