时间:2023-03-25 17:31
人气:
作者:admin
同步计数器和异步计数器是什么,同步计数器和异步计数器的主要区别?
在数字电子产品中,计数器是由一系列触发器组成的时序逻辑电路。顾名思义,计数器用于计算输入在负或正边沿转换中出现的次数。根据触发触发器的方式,计数器可以分为两类:同步计数器和异步计数器。了解这两种计数器的工作原理以及它们之间的区别。

一、什么是同步计数器?
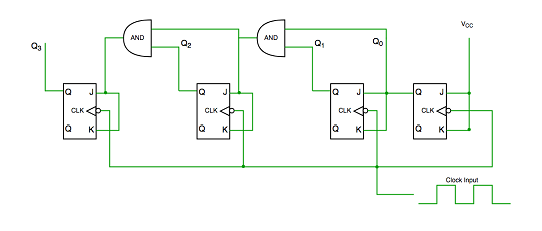
如果“时钟”脉冲同时施加到计数器中的所有触发器,则这种计数器称为同步计数器。
·在同步计数器中,所有构成的触发器同时使用相同的时钟输入进行计时。这些也称为并行计数器。
·基本上,同步计数器中的所有触发器都以级联方式排列,每个触发器都单独连接到一个外部时钟。它允许使用相同的时钟输入同时为所有触发器提供时钟。这意味着每个触发器的输出与时钟输入同步变化。
·因此,公共时钟信号会同时导致每个单独触发器的状态发生变化。结果它不会导致纹波效应,因此在同步计数器中没有传播延迟。
·逻辑门在同步计数器中用于控制计数序列。
二、什么是异步计数器?
异步计数器也称为串行计数器,因为构成计数器的触发器是串联连接的,输入时钟脉冲提供给连接中的第一个触发器。
·第一个触发器的输出充当正向下一个相邻触发器的输入。以这种方式,时钟输入通过计数器波动。因此,这些计数器也被称为纹波计数器。
·由于纹波效应,异步计数器中的定时信号在通过每个触发器时会延迟一定量。因此,它会导致传播延迟。
三、同步计数器和异步计数器之间的主要区别
·扳机:——(1)在同步计数器的情况下,所有组成的触发器同时用相同的时钟触发。(2)在异步计数器的情况下,会触发具有不同时钟的不同触发器。
·运算速度:——(1)与异步计数器相比,同步计数器的运算速度更快。(2)异步计数器的运算速度比同步计数器慢。
·容易出错:——(1)同步计数器不易出错;它们几乎不会产生任何解码错误,因为每个触发器都是单独计时的。(2)异步计数器更容易出错并在系统中产生解码错误。
·复杂性:——(1)同步计数器中的所有触发器都与时钟协调,因此与异步计数器相比,其设计和实现复杂。(2)在异步计数器中,一个触发器的输出作为下一个触发器的输入,因此其设计和实现非常简单。
·顺序:——(1)同步计数器可以在任何所需的计数序列中运行,因为它可以通过更改时钟序列来进行操作。(2)异步计数器只能以固定的计数顺序运行,即UP和DOWN。
·延迟:——(1)在同步计数器的情况下没有观察到传播延迟。(2)在异步计数器的情况下,从一个触发器到另一个触发器存在后续传播延迟。
同步计数器中的所有触发器都使用相同的时钟输入同时计时。相反,异步计数器的组成触发器在不同的时刻用不同的输入信号计时。
审核编辑:刘清