时间:2023-03-28 17:46
人气:
作者:admin
熔体压力传感器(变送器)
是一种精确的测量设备,采用高性能核心元件,数模一体电路设计,通过程序实现线性补偿,可获得其高测量精度,只有妥善处理,它们的使用寿命才会更长。在安装传感器(变送器)之前要小心谨慎,以下介绍一些高温熔体压力传感器(变送器)的安装使用注意事项,正确连接调试,以确保无故障的操作。
01
安装方式
安装
在安装压力传感器(变送器)时,必须注意传感器(变送器)的孔是在下面图纸标注的尺寸要求范围里。装配精度可以通过测试螺栓来检查。图“a”是正确的安装位置,图“b”和“c”都是错误的安装位置,在安装传感器(变送器)之前,首先要清理孔内及螺纹牙之间的杂质,然后在传感器(变送器)螺纹上涂上螺纹防卡油,因不锈钢材质的外螺纹和内螺纹很容易螺牙咬死,涂上螺纹防卡油后可以避免螺牙咬死,在安装传感器(变送器),安装的力量是至关重要的,传感器(变送器)的安装扭矩只能作用在轴上(六边形),不要对传感器(变送器头)部施加任何力。

传感器(变送器)的外壳部分需要远离高温区域,采用安装支架将外壳部分固定在支架上(可参照图“D”)。法兰安装方式,根据介质的特性,应在密封面处加上适合的密封垫圈。
1/2-20 UNF /M14×1.5= 最大的启动扭矩:40Nm
M18 x 1.5 =最大的启动扭矩:50 Nm
法兰安装=最大的启动扭矩:50 Nm

卸载
压力传感器(变送器)的拆卸必须在加热的条件下完成(塑料熔化点)。在拆卸传感器(变送器)时,请注意膜片没有接触压力。卸载传感器(变送器)的力必须只施加在轴上(六边形),不要对传感器(变送器)头部施加任何力。
螺纹安装方式开孔

02
注意事项
#1
适用范围
熔体压力传感器(变送器)是专为压力监测高温下的液体、气体或糊状物质的产品,它们必须是液态、气态或粘流状态,正常使用下压力不超过测量范围上限,瞬时压力不超过测量范围上限 150% (基于膜片表面)。任何超出上述应用范围的使用不符合规定。
危险区域
在熔体压力传感器(变送器)的安装密封区域,如果压力变送器没有被正确安装或卸载,会出现介质泄漏的风险。
安全和储存
压力传感器(变送器)通常是单独包装,在刚性杆前端螺纹处,感应膜片由保护帽保护,这个保护帽应该在储存的任何时候都要拧紧,只有在使用安装时再打开。
03
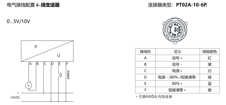
调零功能和接线方式
调零功能
压力传感器(变送器)已经安装到管线上之后,电气连接必须按照下面接线图所示的连接方式进行。CM 系列压力变送器配有一个集成的放大电路(传感器没有放大电路),清零过程必须是管线被加热且压力为零时进行,零点通过激活自动归零功能调整,自动归零功能是通过相应导线的短连接来启动的(参见接线)。同时也可以采用磁性笔,靠在外壳清零标志处 3-5s 实现清零(参见下图);mV 信号暂无此功能,可以通过后端仪表归零。然后对输出信号进行 80%的检测 (见接线图),压力传感器(变送器)将提供一个标准 80%测量值的信号。
接线方式
变送器系列 :0-10v 4-20mA


传感器系列 : 3.33mV/V

电缆线需采用带屏蔽层电缆,每芯线约 0.3mm2,耐热温度不小于 105℃,每芯线连接接线柱应用热缩管隔离保护,屏蔽线要与插件金属连接,电缆焊接时应特别小心、否则可能会导致信号传输错误或损坏产品、建议使用 GRAEFF 已焊接好的专用电缆线。对电缆线内多余的线,每根线需单独使用绝缘胶带包好。

审核编辑:刘清