时间:2023-03-29 11:30
人气:
作者:admin
以前写过一个激光打蚊子:激光打蚊子.上
最近有朋友找我复现,这里就小小的写一下相关的知识。
首先是如何使用程序输出真实世界的坐标位置。
使用OpenCV来实时输出感兴趣物体的位置 加载分类器:使用OpenCV中的Haar分类器或Cascade分类器来检测感兴趣物体的位置。这些分类器是使用机器学习方法训练得到的,可以在图像中检测出目标物体的位置。识别感兴趣物体并绘制边界框:使用OpenCV中的cv2.rectangle函数来绘制矩形边界框,标识出感兴趣物体的位置。可以通过调整边界框的颜色、宽度和样式来改变其外观。实时显示感兴趣物体的位置:使用OpenCV中的cv2.imshow函数来实时显示视频帧和感兴趣物体的位置。
importcv2
# 加载分类器
classifier=cv2.CascadeClassifier('path/to/classifier.xml')
# 加载视频
cap=cv2.VideoCapture(0)
while True:
# 读取视频帧
ret,frame=cap.read()
# 转换为灰度图像
gray=cv2.cvtColor(frame,cv2.COLOR_BGR2GRAY)
# 检测感兴趣物体的位置
objects=classifier.detectMultiScale(gray,scaleFactor=1.1,minNeighbors=5,minSize=(30,30))
# 绘制矩形边界框
for (x, y, w, h) in objects:
cv2.rectangle(frame,(x,y),(x+w,y+h),(0,255,0),2)
# 显示视频帧和感兴趣物体的位置
cv2.imshow('frame', frame)
# 按下q键退出循环
if cv2.waitKey(1) & 0xFF == ord('q'):
break
# 释放视频流和关闭窗口
cap.release()
cv2.destroyAllWindows()
加载了一个分类器(可以使用Haar分类器或Cascade分类器),然后使用VideoCapture类从摄像头读取视频帧。然后将视频帧转换为灰度图像,并使用分类器检测感兴趣物体的位置。最后,使用cv2.rectangle函数在视频帧上绘制矩形边界框,标识出感兴趣的物体位置。
驱动的打击结构:
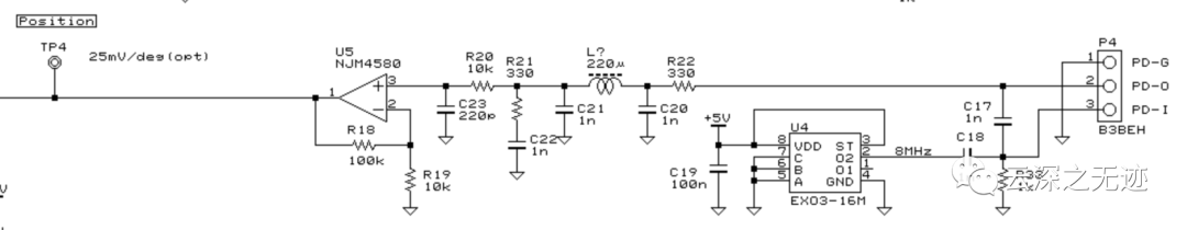
激光振镜是一种利用振动镜片来改变激光光路方向的设备。它通常由两个互相垂直的振镜组成,每个振镜由一个电极控制。当电极施加电场时,振镜会产生振动,从而改变激光光路的方向。激光振镜的原理基于两个物理效应:声光效应和光栅效应。声光效应是指激光和声波相互作用的效应。当激光穿过一个晶体时,它会在晶体中产生声波,这个声波将导致晶体中的折射率发生变化。这种变化会使激光的传播速度和光程发生改变,从而产生了一个偏转角度。这个偏转角度可以通过控制电极施加电场的方式来改变。光栅效应是指在光学器件中引入周期性的折射率变化,从而产生衍射现象。当激光穿过这种光栅时,它会在光栅中产生衍射,从而产生一个空间中的光束阵列。这些光束可以通过控制电极来改变其角度和位置。激光振镜通常通过控制其电极来实现振动和方向控制。一般来说,激光振镜的电极由一个电路控制器驱动,该控制器可以接收来自计算机或其他外部设备的信号并控制振镜的振动状态和方向。控制激光振镜的电路一般包括一个振镜驱动器和一个信号发生器。振镜驱动器通过控制电极施加电场来驱动振镜振动,同时还可以通过电压调节来控制振幅和频率。信号发生器则用于产生控制振镜振动的信号,这个信号可以是一个正弦波、方波、三角波等。MCP4922是一款由Microchip公司生产的12位数模转换器(Digital-to-Analog Converter,DAC),它可以将数字信号转换成相应的模拟电压或电流输出。MCP4922的工作电压范围为2.7V至5.5V,具有双通道输出,每个通道的输出范围为0V至Vref(即参考电压),Vref的范围为2.048V至5.5V。这个是XY位置输出给DAC,详细的后面说。

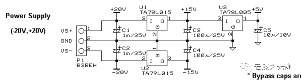
这个就是我们可以看到的激光振镜的方案

输入的是一个正负电压的结构,后面是三端稳压器
LM675T是一种高性能功率放大器,通常用于需要高输出功率的应用,如音频放大、激光控制等。与NJM4580不同,LM675T可以提供更高的电流和功率输出能力,因此可以更好地控制激光振镜。使用LM675T和多块NJM4580组合控制激光振镜是可能的,这需要一些额外的电路和编程工作。通常,可以将LM675T用作功率放大器,将NJM4580用作信号放大器和过滤器,从而实现对激光振镜的控制。具体实现方法可能因具体的设计需求和实际情况而有所不同,以下是一些可能的设计方案:使用LM675T作为激光振镜控制器的输出放大器,将NJM4580作为输入信号的放大器和过滤器。在这种方案中,NJM4580可以对输入信号进行放大和滤波,从而提高信号质量和稳定性;然后,将放大后的信号输入到LM675T中进行功率放大,从而驱动激光振镜。使用多个NJM4580组成激光振镜控制器的信号放大器和过滤器,然后将放大后的信号输入到LM675T中进行功率放大。在这种方案中,每个NJM4580可以负责放大和滤波不同的输入信号,从而提高控制的灵活性和可靠性。

这个方案的一些批注我看不懂

后面是用了一个这样的方案

使用了一个CMOS的晶振来给整个电路



这两个是以色列打蚊子哪个东西,下篇继续写
审核编辑 :李倩
下一篇:防爆安全光栅 安全光幕厂家