时间:2023-03-20 10:24
人气:
作者:admin
电感式传感器被大量应用在各行各业。特别是机床行业,以及汽车制造等行业更是应用广泛。
电感式传感器
利用电磁感应原理将被测非电量转换成线圈自感系数或互感系数的变化,再由测量电路转换为电压或电流的变化量输出,这种装置称为电感式传感器。

电感式传感器是利用线圈自感或互感的改变来实现测量的一种装置。通常由振荡器、开关电路及放大输出电路三大部分组成。其结构简单,无活动电触点,工作寿命长。而且灵敏度和分辨力高,输出信号强。线性度和重复性都比较好,能实现信息的远距离传输、记录、显示和控制。可以测量位移、振动、压力、流量、比重等参数。
电感式传感器的核心部分是可变的自感或互感,在将被测量转换成线圈自感或互感的变化时,一般要利用磁场作为媒介或利用铁磁体的某些现象。这类传感器的主要特征是具有电感绕组。
电感式传感器的特点
(1)结构简单:没有活动的电触点,寿命长。
(2)灵敏度高:输出信号强,电压灵敏度每毫米能达到上百毫伏。
(3)分辨率大:能感受微小的机械位移与微小的角度变化。
(4)重复性与线性度好:在一定位移范围内,输出特性的线性度好,输出稳定。
(5)电感式传感器的缺点是存在交流零位信号,不适宜进行高频动态测量。
电感式传感器的类型
电感式传感器可分为自感式传感器、差动变压式传感器和电涡流传感器三种类型。

自感式传感器
1、自感式传感器的结构
自感式传感器由线圈、铁芯和衔铁三部分组成。铁芯与衔铁由硅钢片或坡莫合金等导磁材料制成。

自感式传感器结构图
2、自感式传感器的工作原理
自感式传感器是把被测量变化转换成自感L的变化,通过一定的转换电路转换成电压或电流输出。
传感器在使用时,其运动部分与动铁心(衔铁)相连,当动铁芯移动时,铁芯与衔铁间的气隙厚度δ发生改变,引起磁路磁阻变化,导致线圈电感值发生改变,只要测量电感量的变化,就能确定动铁芯的位移量的大小和方向。

自感式传感器的工作原理示意图
当线圈匝数N为常数时,电感L仅仅是磁路中磁阻的函数,只要改变δ 或S均可导致电感变化。因此变磁阻式传感器又可分为变气隙δ厚度的传感器和变气隙面积S的传感器。
如果S保持不变,则L为 δ 的单值函数,可构成变气隙型自感传感器;如果保持δ 不变,使S随位移而变,则可构成变截面型自感传感器;如果在线圈中放入圆柱形衔铁,当衔铁上下移动时,自感量将相应变化,就构成了螺线管型自感传感器。
变气隙式自感传感器

变气隙式自感传感器结构
变面积式自感传感器

变面积式自感传感器结构
由于漏感等原因,其线性区范围较小,灵敏度也较低,因此,在工业中应用得不多。
螺管式自感传感器
传感器工作时,衔铁在线圈中伸入长度的变化将引起螺管线圈电感量的变化。
对于长螺管线圈l>>r,当衔铁工作在螺管的中部时,可以认为线圈内磁场强度是均匀的,线圈电感量L与衔铁的插入深度l大致上成正比。

螺管型电感传感器
这种传感器结构简单,制作容易,灵敏度较低,适用于测量较大的位移量。
3、差动式自感传感器
由于线圈中通有交流励磁电流,因而衔铁始终承受电磁吸力,会引起振动和附加误差,而且非线性误差较大。外界的干扰、电源电压频率的变化、温度的变化都会使输出产生误差。
在实际使用中,常采用两个相同的传感线圈共用一个衔铁,构成差动式自感传感器,两个线圈的电气参数和几何尺寸要求完全相同。
这种结构除了可以改善线性、提高灵敏度外,对温度变化、电源频率变化等的影响也可以进行补偿,从而减少了外界影响造成的误差,可以减小测量误差。
a、差动式自感传感器的结构

(a)变气隙式;(b)变面积式;(c)螺管式差动式自感传感器
b、差动式自感传感器的特点
差动气隙式电感传感器由两个相同的电感线圈1、2和磁路组成。
测量时,衔铁通过测杆与被测位移量相连,当被测体上下移动时,导杆带动衔铁也以相同的位移上下移动,使两个磁回路中磁阻发生大小相等,方向相反的变化,导致一个线圈的电感量增加,另一个线圈的电感量减小,形成差动形式。
自感系数特性曲线如图所示。

自感系数特性曲线图
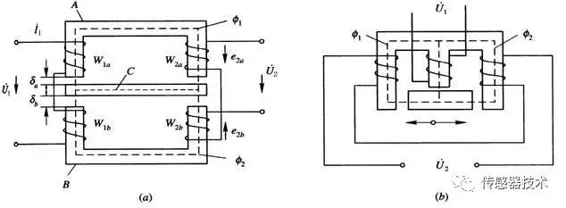
差动变压器式传感器
把被测的非电量变化转换为线圈互感量变化的传感器称为互感式传感器。这种传感器是根据变压器的基本原理制成的,把被测位移量转换为一次线圈与二次线圈间的互感量变化的装置。
当一次线圈接入激励电源后,二次线圈就将产生感应电动势,当两者间的互感量变化时,感应电动势也相应变化。由于两个二次线圈采用差动接法,故称为差动变压器式传感器,简称差动变压器。
1、差动变压器的结构
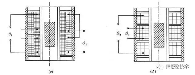
差动变压器结构形式较多,有变隙式、变面积式和螺线管线等。
a、b两种结构的差动变压器,衔铁均为板形,灵敏度高,测量范围则较窄,一般用于测量几微米到几百微米的机械位移。

(a)、(b)变间隙式差动变压器
对于位移在1mm至上百毫米的测量,常采用圆柱形衔铁的螺管型差动变压器,如c、d两种结构。

(c)、(d)螺线管式差动变压器
e、f两种结构是测量转角的差动变压器,通常可测到几秒的微小位移。Ø非电量测量中,应用最多的是螺线式差动变压器,它可以测量范围内的机械位移,并具有测量精度高、灵敏度高、结构简单、性能可靠等优点。

(e)、(f)变截面式差动变压器
2、差动变压器的工作原理
差动变压器的结构由铁芯、衔铁和线圈三部分组成。其结构虽有很多形式,但其工作原理基本相同。
差动变压器上下两只铁芯均有一个初级线圈1和一个次级线圈2。上下两只初级线圈串联后接交流激励电压,两只次级线圈则按电势反相串接。

三段式螺管差动变压器结构示意图
将两个匝数相等的次级绕组的同名端反向串联,当初级绕组加以激磁电压时,根据变压器的作用原理在两个次级绕组和中就会产生感应电势;
如果工艺上保证变压器结构完全对称,则当活动衔铁处于初始平衡位置时,输出电压为零。
当活动衔铁向某一个次级线圈方向移动时,则该次级线圈内磁通增大,使其感应电势增加,差动变压器有输出电压,其数值反映了活动衔铁的位移。
三段式螺管差动变压输出电压曲线如图所示。

差动变压器输出电压曲线
电涡流式传感器
1、电涡流式传感器的结构
电涡流式传感器结构比较简单,主要由一个安置在探头壳体的扁平圆形线圈构成。

电涡流传感器的内部结构
2、电涡流式传感器的工作原理
根据法拉第电磁感应原理,块状金属导体置于变化的磁场中,导体内将产生呈涡旋状的感应电流,称之为电涡流或涡流,这种现象称为涡流效应。
电涡流传感器是利用电涡流效应,将位移、温度等非电量转换为阻抗的变化或电感的变化从而进行非电量电测的。Ø目前生产的变间隙位移传感器,器量程范围为300m~800mm。

电涡流式传感器示意图
将块状金属导体置于通有交变电流的传感器线圈磁场中。根据法拉第电磁感应原理,由于电流的变化,在线圈周围就产生一个交变磁场,当被测导体置于该磁场范围之内,被测导体内便产生电涡流,电涡流也将产生一个新磁场,和方向相反,抵消部分原磁场,从而导致线圈的电感量、阻抗和品质因素发生变化。
电感式传感器的应用
1.电感式滚柱直径分选装置

电感式滚柱直径分选装置实物

电感式滚柱直径分选装置结构原理
2. 变气隙式差动电感压力传感器
变气隙式差动电感压力传感器主要由C形弹簧管、衔铁、铁芯和线圈等组成。

变气隙式差动电感压力传感器
3、其他应用
电感式传感器还可以应用于磨加工主动测量、测量长度位移量和制做电子测微仪。

4、差动变压器式传感器
可以直接用于位移测量,也可测量与位移有关的任何机械量,如力、力矩、压力、压差、振动、加速度、应变、液位等。
力和力矩的测量

差动变压器式力传感器
压力测量

1接头2膜盒3底座4线路板5差动变压器6衔铁7罩壳
这种变送器可分档测量(–5×105~6×105)N/m2压力,输出信号电压为(0~50)mV,精度为1.5级。
加速度传感器
用于测定振动物体的频率和振幅时其激励频率必须是振动频率的十倍以上,才能得到精确的测量结果。可测量的振幅为(0.1~5)mm,振动频率为(0~150)Hz。
5、电涡流式传感器的应用
电涡流式传感器具有测量范围大、灵敏度高、结构简单、抗干扰能力强和可以非接触测量等优点,被广泛应用于工业生产和科学研究各个领域中。
电磁炉
电磁炉是我们日常生活中必备的家用电器之一,涡流传感器是其核心器件之一,高频电流通过励磁线圈,产生交变磁场;在铁质锅底会产生无数的电涡流,使锅底自行发热,烧开锅内的食物。

电磁炉工作示意图
电涡流探雷器
电涡流式接近开关
能在一定的距离(几毫米至几十毫米)内检测有无物体靠近。当物体接近到设定距离时,就可发出“动作”信号。接近开关的核心部分是“感辨头”,它对正在接近的物体有很高的感辨能力。这种接近开关只能检测金属。

利用新材料更优异的性能来提高电感式传感器的性能是未来发展趋势之一。例如电感式接近开关其内部结构是在铁氧体磁芯上绕制线圈作为电感线圈,而铁氧体磁芯自身的限制使得电感式传感器不可能在已有的设计理念下发展,那么只能寻找新材料用来替代铁氧体线圈,从而生产出有更好性能的传感器。
基于MEMS硅微加工技术,电感式传感器具有体积小、低功耗等特点,易于集成在各种模拟和数字电路中,便于在应用在各个领域。这也是所有传感器的主要发展方向之一。
电感式传感器发展的另一大特点是向着集成化、智能化方向发展。集成传感器优势明显,其将辅助电路中的元件与传感元件同时集成在一块芯片上,使之具有校准、补偿、自诊断和网络通信的功能,它可降低成本、增加产量。
审核编辑:刘清
下一篇:一文浅析换能器的分类