时间:2023-03-20 11:27
人气:
作者:admin
随着碲镉汞(MCT)材料制备工艺的改进和提升,芯片组件的暗电流得到一定程度的抑制,红外探测器芯片组工作温度上升成为发展趋势。高工作温度器件的发展推动着小型低温斯特林制冷机向更小尺寸、更小重量、更低功耗、更低成本、更好性能的方向发展。
据麦姆斯咨询报道,近期,昆明物理研究所研究团队在《红外技术》期刊上发表了以“HOT器件用旋转式斯特林制冷机研究进展”为主题的文章。该文章第一作者为赵文丽工程师,主要从事旋转式斯特林低温制冷机的研发与生产的研究工作;通讯作者为孙皓研究员级高级工程师,主要从事低温斯特林制冷机的研发与生产的研究工作。
该文章介绍了HOT器件用斯特林制冷机的SWaP3设计理念,薄壁管短冷指、高效小尺寸控制器、综合热管理、可靠性预测等设计技术,总结了近年国内外HOT器件用旋转式斯特林制冷机的研制进展。
HOT器件用制冷机的设计理念
HOT器件用小型低温斯特林制冷机的设计遵循SWaP3准则,SWaP3是1999年由唐纳德·里高等人提出的高性能、低成本的思想基础上发展而来,即更小的尺寸、更小的重量、更低的功耗、更低的成本、更好的性能,主要的性能指标包括制冷量、功耗和降温时间。
用于HOT器件的微型旋转式斯特林制冷机由于工作温度升高,制冷机热力学效率提升,对制冷量的需求相对降低。制冷机的制冷系数COP定义为制冷量Qc与净输入功Qe之比。制冷机的整体效率不仅取决于斯特林循环的效率,还取决于其他子系统,其效率由热循环效率、机械效率、电机效率、控制器效率组成。
器件的工作温度升高以后,斯特林循环的制冷系数和蓄冷器填料的比热容会有所提升,故热力学循环的效率会随之提升;冷头温度升高,其漏热损失会降低,沿杜瓦轴向的温度梯度减小,轴向导热损失、穿梭损失等热损失都会降低,制冷机的效率会整体提升。
HOT器件用制冷机设计技术
在上述设计理念指导下,相比于常规液氮温区制冷机,除了制冷量需求降低引起的压缩副尺寸减小等变化以外,当前HOT器件用斯特林制冷机技术的发展有以下几个重要的方面。
薄壁管短冷指设计技术
HOT器件用制冷机通常匹配专门的冷指,通过对冷指材料、几何形状和制造工艺进行优化,以减小冷指的尺寸、壁厚及冷端厚度,在保证冷指刚度的同时减少其漏热。常规冷指与短冷指的主要差异包括:(1)冷指长度不同,HOT器件用制冷机通常匹配短冷指;(2)冷指壁厚不同,冷指漏热主要来源是杜瓦瓶与外界环境的热传导、热对流和热辐射。与冷指进行匹配的杜瓦瓶内部抽真空,对流换热导致的热损失忽略不计,抛光冷指外表面可大量减少热辐射,因此主要漏热来源于热传导。传导漏热与杜瓦材料导热系数和材料厚度有关。
传热速率Q是厚度t的线性函数,因此减小厚度会降低整个冷指管的传导散热。如图1所示为RICOR公司不同材料及壁厚的冷指在95 K工作温度时的漏热大小,可见管壁厚度增加会导致漏热增加。图2为RICOR公司HOT器件用冷指漏热随壁厚变化及RICOR公司冷指壁厚的设计范围。对于冷指的设计,在尺寸要求占主导地位的应用中,可缩短冷指及对蓄冷器进行优化,在功耗要求占主导地位的应用中,冷指壁厚可从80~100 μm的范围减小到50~60 μm。

图1 不同材料的冷指管从300 K到95 K的热负载大小

图2 不同材料的冷指管从300 K到150 K的热负载大小
高效小尺寸控制器技术
与常规控制器相比,HOT器件用小型紧凑制冷机匹配的高效轻质控制器,应具有更小的尺寸重量,更高的控温精度以及更高的效率。HOT器件制冷机配置的控制器,在以下几个方面取得了一定进展:(1)控制器采用双PCB构,以减小外部尺寸;(2)采用数字化控制器,控制精度和效率都有所提升,同时减小了驱动控制电路的尺寸与重量。(3)以“电压控制电路”原理控制电机,从而实现转速的电机调控,能一定程度上改善PWM波调制对控制器效率的影响,提高控制器的效率。(4)比起常规制冷机控制器,驱动电压范围更宽泛。同时,用于HOT器件的制冷机配置的控制器还有以下提升方向:无传感器调控方案或ADUC处理器控制无刷直流电机的有传感器调控方案;用户自主可调控温点等。常规液氮温区制冷机配置的控制器、RICOR在2019年报道的用于HOT器件的K580制冷机所用控制器及HOT器件用制冷机控制器设计指标如表1所示,可以看到RICOR控制器效率的提升和尺寸重量的减小。
表1 HOT器件用制冷机控制器主要特性

制冷机综合热管理技术
制冷机是集成度较高的机电产品,同时内部含有压缩机进行热力学循环,导致机体发热较明显。制冷机的表面温度会直接影响其性能,系统的热管理对于低温制冷机的功耗和冷却能力至关重要。优化热力学过程、改进热管理,是提高温度环境适应性的重要措施。制冷机的主要发热源为压缩机部件、电机部件、控制器部件。压缩机部件发热源于热力学循环中压缩过程产热及冷指端换热,电机部件发热来源于绕阻焦耳热,控制器部件发热源于电子元器件发热。不加散热夹具时,散热面主要集中在制冷机安装基准面(约占40%)、压缩机缸盖(约占30%)、电机表面(约占30%),一般要求机体表面温度不高于环境温度10 ℃。HOT器件用制冷机由于功耗更低,散热要求更低一些,设计应充分考虑散热条件,全温区内机体表面温度与环境温度的温差越小越有利于制冷机性能的释放。考虑到制冷机散热设计中由于机体与环境温差较小,同时整体内部空间相对密闭,辐射散热与对流散热作用都较弱,设计过程应充分强化制冷机几个主要散热面与光学平台之间的热传导进行散热,条件允许时增加热沉强化散热。RICOR为满足高环境温度及机载战斗机的严酷振动水平开发了K544旋转集成式斯特林制冷机,并在制冷机层面强化了散热设计,主要包含3个方面:(1)电机和压缩机外壳之间要有足够的热耦合;(2)PCB内部设计专门散热路径;(3)冷指法兰和低温制冷机安装表面之间有足够的热耦合。该机型可在102 ℃环境温度、95 K工作温度下输出1.3 W的制冷量,温度环境适应性提升显著。
可靠性预测
旋转式低温制冷机主要故障机制是运动部件的机械磨损,影响制冷机内部机械部件磨损的一个重要因素制冷机的转速,转速直接影响活塞/气缸部件的线速度和制冷机中不同轴承的转速,从而直接影响这些部件的磨损。旋转制冷机常规的寿命终止模式是磨损导致的轴承故障,消除或减缓磨损可以提高制冷机可靠性。常规旋转制冷机活塞耐磨技术是依靠镀层对活塞实施保护。DLC和TiN硬质镀层微观结构致密,硬度高、摩擦系数低,可以较好地保护活塞,提高耐磨寿命。
关于制冷机可靠性的预测,RICOR报道过他们的一般预测方法,此后没有太大变化。预测模型是一个乘法模型,在规定工作条件下给定制冷机的实际MTTF(θPR)是通过将来自寿命测试或现场数据的基线MTTF值(θb)乘以一系列转换因子(π)得到的。
MTTFbase_RM为制冷机在典型条件(标准工作温度为77 K,环境温度为20℃)下的基线MTTF,MTTFA20 test Weibull是Thales在A20剖面测得的加速寿命试验的结果,RPMA20是Thales的制冷机在A20加速寿命测试中制冷机的转速,RPM20℃是典型条件下制冷机的转速。Thales的研究表明,HOT器件用制冷机工作温度从110 K到150 K时,制冷机的负载整体降低,转速会降低约30%。在110 K制冷温度和+20℃环境温度下,若制冷温度升高导致转速降低30%。制冷温度的升高对制冷机的可靠性有重要影响。制冷机转速降低30%时(相当于制冷温度从110 K到150 K),预计制冷机的MTTF可增加70%。
国内外HOT器件用旋转式斯特林制冷机
旋转式斯特林制冷机由旋转电机驱动,具有结构紧凑、效率高、启动快等特点,但是整机结构较复杂、振动噪音较大,尤其是运动部件的相互磨损、制冷工质的污染和泄漏使得制冷机的工作寿命受到一定的限制。传统用于红外探测器的旋转式斯特林制冷机工作温度在70~80 K,重量多在250~1000 g范围。用于HOT器件的微型旋转式斯特林制冷机主要设计改进为:(1)使用更高效率和性能的控制器电机;(2)冷指材料、结构改进以减小冷指尺寸和热损失;(3)降低充气压力。典型结构与性能参数为:(1)重量在200 g以下;(2)室温下稳态功耗低于2 W;(3)降温时间在3 min以内;(4)工作电压在6~7 V;(5)控制器效率提高到90%以上;(6)MTTF>15000 h。以色列RICOR、法国Thales等公司都在持续不断地做微型旋转式斯特林制冷机的研制。
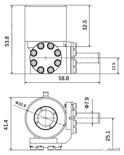
以色列RICOR公司2012年在SPIE报道的K562S型旋转式斯特林制冷机的改型,将冷指长度由原来的45 mm降低到22.5 mm,工作温度在130~150 K,充气压力从20 Bar降至16 Bar,该制冷机在23℃环境温度150 K工作温度,热负载为160 mW时稳态功耗为1.9 W。如图3、图4为RICOR公司K562S short & K562S斯特林制冷机及其外型尺寸图。K562S short制冷机的质量能做到135 g。若对功耗要求较高,冷指壁厚还可从80~100 μm降到50~60 μm。RICOR另外的产品K563型旋转式斯特林制冷机工作温度从77 K升至130~150 K之后,充气压力从18 Bar降低至6~8 Bar,室温下稳态功耗在1.55~1.64 W。RICOR将常规77 K工作的常规旋转式斯特林制冷机K561工作温度从77 K升至150~200 K,充气压力从20 Bar降低至10 Bar,在23℃环境温度@200 K控温点,测得稳态功耗低于1.2 W。在功耗、质量等方面均有了较大的提升。

图3 K562S short & K562S制冷机

图4 K562S short & K562S制冷机外形图
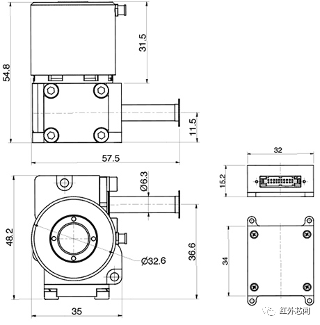
RICOR公司2015年报道的K562SI是为HOT探测器设计的旋转整体式低温制冷机,它基于K562作了如下改进:(1)更高效率和性能的新型电机;(2)冷指更薄更短,以减小漏热。改进之后,热负载为190 mW时,在140 K时的功耗低于2.5 W;降温时间少于3 min 30 s;71℃环境温度@150 K控温点时的总制冷量为500 mW,重量低于185 g,如图5、图6所示。

图5 K562SI制冷机外形图

图6 K562SI制冷机实物
RICOR公司开发的K580型旋转集成式制冷机,如图7所示。RICOR对其进行了较多性能测试及寿命测试,在150 K控温点、150 mW热负载、23℃环境温度下控温功耗约1.5 W,150 J热负载下降温时间约3 min,在71℃环境温度、150 K控温点下的最大制冷量为600 mW。

图7 K580制冷机外形图
Thales公司针对HOT器件开发了RM1制冷机,如图8所示,其性能测试结果显示,在常温下,工作温度每上升20 K,制冷机的降温时间加快约15%,稳态输入功耗约降低15%。武汉高德红外公司基于RS046旋转集成式斯特林制冷机开发的RS046H旋转分置式斯特林制冷机,适配φ6.4 mm的冷指,可在-45℃~+85℃的环境温度范围下工作,比起其他公司的HOT器件用制冷机,环境适应性有所提升,能在100 K控温点@20℃环境温度下输出400 mW冷量。表2对比了几种用于HOT器件的旋转式斯特林制冷机的主要参数。

图8 RM1制冷机外形图
表2 HOT器件用旋转式斯特林制冷机

结论
本文主要阐述了HOT器件用旋转斯特林制冷机的SWaP3设计理念、设计技术,总结了近年国内外HOT器件用斯特林制冷机开发的进展。HOT器件用小型低温斯特林制冷机的设计应遵循SWaP3准则,以SWaP3准则为指导发展薄壁管短冷指、高效小尺寸控制器、制冷机综合热管理、可靠性预测等设计技术。目前半导体理论体系基本上没有太多的变化,其工作温度需求的提升得益于材料器件制造工艺的提升。随着器件制造工艺的不断提升,在现有基础理论下探测器工作温度不断提高已经成为明确的发展方向,未来的制冷机市场也必将是HOT制冷机的市场。
论文信息:
http://hwjs.nvir.cn/cn/article/id/cd979469-9204-48ee-9c6c-2545d0792d39
审核编辑 :李倩