时间:2023-02-08 14:19
人气:
作者:admin
1
湿度测量电路检测电路的选择
1、电源选择
一切电阻式湿度传感器都必须使用交流电源,否则性能会劣化甚至失效。
电解质湿度传感器的电导是靠离子的移动实现的,在直流电源作用下,正、负离子必然向电源两极运动,产生电解作用,使感湿层变薄甚至被破坏;在交流电源作用下,正负离子往返运动,不会产生电解作用,感湿膜不会被破坏。
交流电源的频率选择是,在不产生正、负离子定向积累情况下尽可能低一些。在高频情况下,测试引线的容抗明显下降,会把湿敏电阻短路。另外,湿敏膜在高频下也会产生集肤效应,阻值发生变化,影响到测湿灵敏度和准确性。
2、温度补偿
湿度传感器具有正或负的温度系数,其温度系数大小不一,工作温区有宽有窄。所以要考虑温度补偿问题。
对于半导体陶瓷传感器,其电阻与温度的的关系一般为指数函数关系,通常其温度关系属于NTC型,即

H:相对湿度;T:绝对温度;
R0:在T=0℃相对湿度H=0时的阻值;
A:湿度常数;B:温度常数。


湿度温度系数=

若传感器的湿度温度系数为0.07%RH/℃,工作温度差为30℃,测量误差为0.21%RH/℃,则不必考虑温度补偿;若湿度温度系数为0.4%RH/℃,则引起12%RH/℃的误差,必须进行温度补偿。
3.线性化
湿度传感器的感湿特征量与相对湿度之间的关系不是线性的,这给湿度的测量、控制和补偿带来了困难。需要通过一种变换使感湿特征量与相对湿度之间的关系线性化。下图为湿度传感器测量电路原理框图。

湿度传感器测量电路原理框图
2
典型电路
电阻式湿度传感器,其测量电路主要有两种形式:
1.电桥电路
振荡器对电路提供交流电源。电桥的一臂为湿度传感器,由于湿度变化使湿度传感器的阻值发生变化,于是电桥失去平衡,产生信号输出,放大器可把不平衡信号加以放大,整流器将交流信号变成直流信号,由直流毫安表显示。振荡器和放大器都由9V直流电源供给。电桥法适合于氯化锂湿度传感器。


便携式湿度计的实际电路
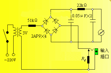
2.欧姆定律电路
此电路适用于可以流经较大电流的陶瓷湿度传感器。由于测湿电路可以获得较强信号,故可以省去电桥和放大器,可以用市电作为电源,只要用降压变压器即可。其电路图如图。

3.带温度补偿的湿度测量电路
在实际应用中,需要同时考虑对湿度传感器进行线性处理和温度补偿,常常采用运算放大器构成湿度测量电路。下图为湿度测量电路中Rt是热敏电阻器(20kΩ, B=4100K);RH为H204C湿度传感器,运算放大器型号为LM2904。该电路的湿度电压特性及温度特性表明:在(30%~90%)RH、 15℃~35℃范围内,输出电压表示的湿度误差不超过3%RH。

审核编辑 :李倩
下一篇:CMOS传感器的概念