时间:2023-01-13 15:33
人气:
作者:admin
许多技术可供需要测量系统内温度的设计人员使用。热敏电阻、热电偶、RTD和温度传感器IC在任何给定情况下都有优点和缺点。本文比较了最流行的温度传感技术。它讨论了每种技术是否适合监控常见目标,例如 PC 板、环境空气和高功率电路(如 CPU 和 FPGA)。
温度传感技术
传感器通常用于电子系统中,以监测温度并提供防止温度过度偏移的保护。下面列出了在系统内最常用的技术。
热电偶是通过连接两根不同金属线制成的。导线之间的接触点产生与温度大致成比例的电压。特性包括宽温度范围(高达1250°C)、低成本、极低输出电压(K型约为每°C40μV)、合理的线性度和中等复杂的信号调理(冷端补偿和放大)。有几种热电偶类型,由字母表示。Maxim生产的IC(MAX6674和MAX6675)为K型热电偶提供信号调理功能,简化了设计任务,显著减少了放大、冷端补偿和数字化热电偶输出所需的元件数量。热电偶有探头和裸引线。
RTD本质上是电阻器(通常由铂线制成),其电阻随温度变化。特性包括宽温度范围(高达750°C)、出色的精度和可重复性、合理的线性度以及信号调理需求。RTD的信号调理通常由精密电流源和高分辨率ADC组成。成本可能很高。RTD 采用探头、表面贴装封装和裸引线。
热敏电阻是与温度相关的电阻器,通常由导电材料模制而成。最常见的热敏电阻具有负温度系数(NTC)电阻。特性包括中等温度范围(高达150°C)、低至中等成本(取决于精度)、较差但可预测的线性度,以及需要一些信号调理。热敏电阻采用探头、表面贴装封装、裸引线和各种专用封装。Maxim生产的IC可将热敏电阻转换为数字形式。
IC温度传感器是完整的硅基传感电路,具有模拟或数字输出。特性包括中等温度范围(高达约150°C)、低成本、出色的线性度以及信号调理、比较器和数字接口等附加功能。数字格式多种多样,包括3线和4线(如SPI™)、2线(I²C和SMBus™)和单线(1线®、PWM、频率和周期)。请注意,信号调理、模数转换和恒温功能都会增加其他检测技术的成本,但通常包含在传感器 IC 中。IC温度传感器主要采用表面贴装封装。
为系统测量目标选择合适的温度传感器
选择正确的传感器技术首先要了解需要测量温度的目标的特性和要求。下面列出了一些常见的温度测量目标,并在表1中进行了总结。
印刷电路板
表面贴装传感器最适合 PC 板测量。RTD、热敏电阻和 IC 传感器采用表面贴装封装,温度范围与检测 PC 板的温度兼容。RTD非常精确,可产生高度可重复的测量,但与热敏电阻和IC相比可能成本高昂。热敏电阻是非常非线性的,但非线性是可预测的。当在较窄的温度范围内使用时,通常只需一两个外部电阻即可合理地线性化。如果精度不是关键,热敏电阻可能很便宜;但是,精密热敏电阻可能价格适中。如果必须使用线性化计算或查找表,系统成本和复杂性可能会显著增加。IC具有出色的线性度和附加功能,例如数字接口或恒温器功能。在测量 PC 板温度时,这些特性通常使它们在系统成本、设计复杂性和性能方面优于其他传感器技术。
准确测量 PC 板温度的关键之一是将传感器定位在正确的位置。通常测量特定组件或组件组的温度,以确保温度不超过安全工作范围,或补偿温度引起的组件性能变化。当传感器的位置至关重要时,请寻找小型封装的温度传感器,例如SOT23,这些传感器可以轻松放置在适当的位置,而不会干扰布局。当传感器需要位于可能电噪声较大或远离其他温度相关电路的场所时,数字输出非常有用。
| 测量目标 | 最佳传感器类型 | 优势 | 弊 |
| 印刷电路板 | 集成电路(模拟) | 成本、线性度 | |
| 集成电路(数字) | 成本、数字输出、线性度 | ||
| 热敏电阻 | 成本 | 非线性 | |
| 即热处理 | 重复性 | 成本 | |
| 空气 | 热敏电阻 | 成本高,热质量低 | 非线性 |
| 热电偶 | 成本高,热质量低 | 信号调理(增加成本) | |
| 即热处理 | 重复性 | 成本 | |
| IC(模拟或数字) | 成本、线性度 | 表面贴装IC难以与PC板温度隔离 | |
|
CPU、FPGA、功率 器件、模块等 (在器件下方或 附近测量) |
集成电路(模拟) | 成本、线性度 | |
| 集成电路(数字) | 成本、数字输出、线性度 | ||
| 热敏电阻 | 成本 | 非线性 | |
| 即热处理 | 重复性 | 成本 | |
|
CPU、FPGA、功率 器件、模块等( 触点) |
热敏电阻 | 成本高,热质量低 | 非线性 |
| 热电偶 | 成本高,热质量低 | 信号调理(增加成本) | |
| 即热处理 | 重复性 | 成本 | |
|
CPU、FPGA、功率 器件、模块等 (带热敏二极管) |
IC(远程数字温度传感器) | 线性度、数字输出、响应时间、精度 |
环境空气
环境空气温度很难测量,因为传感器的温度必须受到空气的影响,但与可能处于不同温度的其他组件(PC 板、电源、CPU)隔离。热敏电阻、热电偶和RTD采用长引线,将传感元件与印刷电路板温度隔离开来。如果引线足够长,则传感元件将处于环境温度,尽管引线连接到印刷电路板,而印刷电路板可能处于不同的温度。图1(a)显示了安装在印刷电路板表面上方以测量环境空气温度的热敏电阻示例。
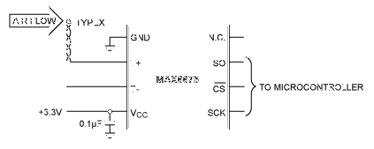
IC 可帮助对其他类型的传感器进行信号调理。例如,MAX6603为RTD提供方便的模拟接口,MAX6691、MAX6697等具有热敏电阻数字功能,MAX6674和MAX6675将K型热电偶信号转换为数字信号。图1(b)所示为MAX6675和K型热电偶测量环境温度。
表面贴装IC更难用于测量环境温度,因为IC传感器的最佳热路径是通过其引线,其温度与印刷电路板相同。如果印刷电路板未处于环境温度(例如,如果它包含耗散足够功率以提高其温度的组件),则表面贴装IC将不会测量环境温度。但是,由于IC温度传感器具有额外的系统功能,例如数字输出或恒温器功能,因此有时用于环境空气温度传感。这通常是通过将它们放置在环境温度下的小型“卫星”PC 板上来完成的。
请注意,即使是传统的IC封装,如TO-92s,也将IC传感器抬高到印刷电路板上方,通过其引线导热,测得的温度实际上等于印刷电路板温度。采用 TO-92 封装的一个极好解决方案是将封装安装在电路板上方一对细长的双绞线末端,如图 1(c) 所示。DS18S20是一款采用Maxim的1-Wire数字接口的精密传感器,用于测量环境温度。

图 1(a).热敏电阻监测空气温度。请注意,长热敏电阻引线提供与电路板表面的热隔离。热敏电阻温度可通过MAX6697或MAX6691等IC转换为数字形式。

图 1(b).MAX6675使用热电偶检测环境温度,提供冷端补偿,并将热电偶的输出直接转换为数字形式。

图 1(c).DS18S20精密1-Wire温度传感器IC安装在一对双绞线的末端,用于将传感器与印刷电路板隔离。在这种情况下,DS18S20由数据线供电。数据和电源由微控制器的I/O引脚控制。
CPU、图形处理器、FPGA、电源器件、模块等
大功率元件的温度通常可以通过器件附近或下方的表面贴装传感器(热敏电阻、IC或RTD)来测量。如果这不切实际,或者如果设备具有散热器或其他必须测量的表面,则可以将带有长引线(热电偶、RTD 和热敏电阻)的传感器与要测量的表面接触。如果要测量的温度超过约150°C,热电偶或RTD是最佳选择。接近或高于750°C,热电偶成为唯一的选择。
CPU、图形处理器、FPGA、功率器件、模块等(带板载热敏二极管)
一些组件,尤其是高性能IC,如CPU、图形处理器(GPU)和FPGA,包括一个二极管连接的双极晶体管,用于感测温度。由于热检测晶体管位于IC芯片上,因此测量精度远远优于其他传感技术,并且热时间常数非常小。
Maxim生产多款IC专用于精确测量热二极管的温度并将其直接转换为数字形式。其中一些IC测量单个热二极管,而其他IC则测量多达四个。信号电平很小(大约为每°C200μV),但仍大于热电偶。内部和外部滤波,加上布局上的合理谨慎,使远程二极管传感器能够广泛用于计算机、服务器和工作站等电气噪声设备。这些IC中的大多数都提供保护目标IC的附加功能,例如过热报警引脚,如果温度超过目标的安全工作限值,可用于关闭系统。远端二极管传感器(MAX6642)的示例如图2所示。该 IC 可测量热敏二极管温度及其自身温度高达 150°C,还提供过热报警输出,其跳闸温度可通过 SMBus 编程。

图2.MAX6642是世界上最小的远端温度传感器。它具有一个 ALERT 引脚,可用作中断或系统关断信号,以保护目标 IC 免受过热损坏。
结论
系统设计人员可以使用几种不同的温度传感技术。正确的技术取决于要测量的目标温度,以及其他系统要求,如成本、电路尺寸和设计时间。Maxim全面的温度检测IC系列可帮助设计人员解决常见的温度测量问题,具有出色的性能和较低的总成本。
审核编辑:郭婷
上一篇:热电偶的结构及其工作原理
下一篇:科普一下光栅式位移计使用注意事项