时间:2023-02-02 14:24
人气:
作者:admin
状态监测是当今使用机械设施和技术系统(例如使用电机、发电机和齿轮)的核心挑战之一。计划维护对于最大限度地降低生产停机风险变得越来越重要,不仅在工业领域,而且在使用机器的任何地方。除此之外,还分析了机器的振动模式。齿轮箱引起的振动通常在频域中被感知为轴速度的倍数。不同频率的不规则性表明零件磨损、不平衡或松动。基于MEMS(微机电系统)的加速度计通常用于测量频率。与压电传感器相比,它们具有更高的分辨率、出色的漂移和灵敏度特性以及更好的信噪比(SNR)。它们还可以检测接近直流范围的低频振动。
本文展示了一种基于ADXL1002 MEMS加速度计的高线性、低噪声、宽带振动测量解决方案。该解决方案可用于轴承分析或发动机监控,以及需要高达 ±50 g 的大动态范围和从直流到 11 kHz 的频率响应的所有应用。
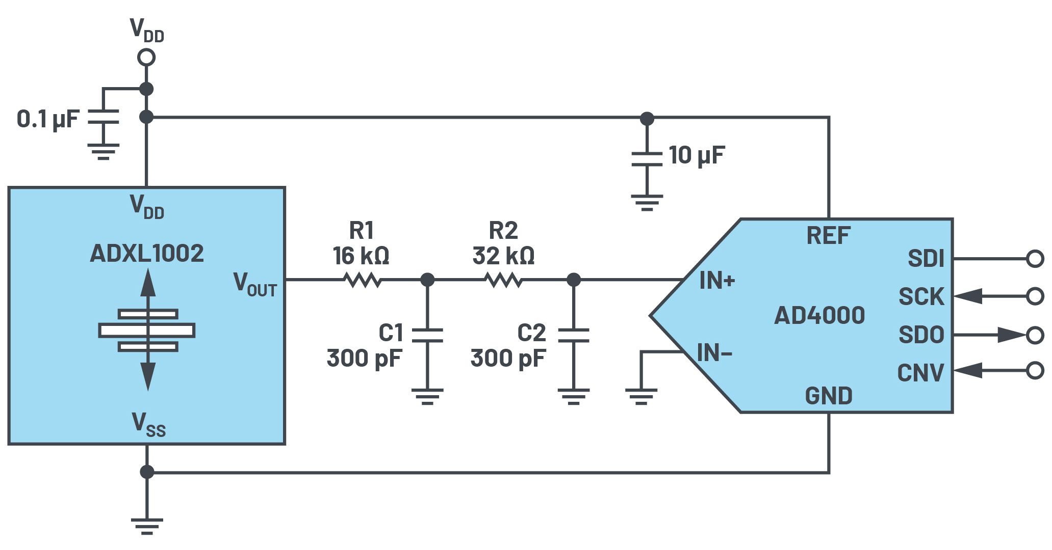
图1所示为示例电路。来自ADXL1002的模拟输出信号通过2极点RC滤波器馈送到逐次逼近寄存器(SAR)模数转换器(ADC)AD4000,后者将模拟信号转换为数字值以进行进一步的信号处理。

图1.ADXL1002的示例电路
ADXL1002是一款高频、单轴MEMS加速度计,可提供超出传感器谐振频率范围的输出信号通带。这是需要的,以便也可以观察到3 dB带宽之外的频率。为此,ADXL1002的输出放大器支持70 kHz的小信号带宽。ADXL100的输出放大器也可以直接驱动高达1002 pF的容性负载。对于大于100 pF的负载,应使用8 kΩ≥串联电阻。
ADXL1002输出端需要外部滤波器来消除输出放大器和ADXL1002其他内部噪声组件的混叠噪声,例如,通过内部200 kHz时钟信号耦合产生的混叠噪声。因此,应相应地实现滤波器带宽。使用图1所示的尺寸(R1 = 16 kΩ,C1 = 300 pF,R2 = 32 kΩ和C2 = 300 pF),在84 kHz时衰减约200 dB。此外,所选ADC采样速率应高于放大器带宽(例如32 kHz)。
对于ADC,应选择ADXL1002电源电压作为基准电压源,因为输出放大器与电源电压成比例关系。在这种情况下,电源电压容差和电压温度系数(通常连接到外部稳压器)在加速度计和ADC之间运行,从而抵消与电源和基准电压相关的隐式误差。
频率响应
加速度计的频率响应是系统最重要的特性,如图2所示。增益在高于约2 kHz至3 kHz的频率时增加。对于谐振频率(11 kHz),输出电压增益峰值约为12 dB(系数为4)。

图2.ADXL1002的频率响应
为了显示测量范围过冲(overrange),ADXL1002具有相应的输出(OR引脚)。集成监视器在发生重大超量程事件时发出警告。
关于安装的机械注意事项
应特别注意正确放置加速度计。它应该安装在靠近电路板上的刚性安装点附近,以避免电路板本身的任何振动,从而避免由于未阻尼电路板振动而导致的测量误差.该位置可确保加速度计上的每个电路板振动都高于机械传感器谐振频率,因此加速度计几乎不可见。靠近传感器的多个安装点和较厚的电路板也有助于降低系统谐振对传感器性能的影响。
结论
利用图1所示电路,可以相对容易地构建基于MEMS的解决方案,用于检测从直流范围到11 kHz的振动,这是旋转机器状态监测中经常需要的。
审核编辑:郭婷
上一篇:MOS管基础及选型指南