时间:2023-02-07 10:06
人气:
作者:admin
作者:Andy Jenkins and Jeff Lewis
TMP03 是单片硅芯片上的完整温度数据采集系统。该器件包括一个硅基传感器、内部基准电压源和 Σ-Δ A/D 转换器,适合采用 3 引脚(电源、公共和输出)TO-92 晶体管封装。其数字输出为低频可变占空比串行数据流,可通过集电极开路供电,提供 5mA 灌电流。配套产品 TMP04 完全相同,但具有兼容 CMOS/TTL 的输出。+1 V(3.5至4 V范围)时的静态功率要求为5.7 mA。

图1.TMP03 / TMP04 及其 Σ-Δ 调制器的功能框图
将整个温度至数字链集成到单个芯片上可节省空间、设计时间和资金。此外,数字输出和少量引线提高了可靠性,并大大简化了隔离和远程操作。误差源越少,误差预算的计算就越容易。TMP03 的数字输出允许轻松构建多通道系统(其他传感器共享一个单通道低成本数字多路复用解码器)。我们的 TMP03 评估板是低成本多通道温度采集的一个例子。
TMP03 的典型应用存在于“无处不在”;一些示例包括隔离传感器、环境控制系统、计算机热监控、热保护、工业过程控制和电源系统监视器。
设备说明:ADI公司的带隙基准电压源产生恒定电压和PTAT(与绝对温度成比例)电压。在TMP03中,它们用作一阶Σ-Δ调制器的输入。器件输出为35 Hz(标称)精确标记空间调制数字信号,对频率不敏感。TTL/CMOS 兼容输出允许 TMP03 直接连接到标准逻辑。
因此,TMP03 和 TMP04 非常适合直接连接到微控制器定时器/计数器输入端口和可编程逻辑阵列。TMP04 提供高输出电流逻辑输出,能够驱动 1000 pF 的负载电容,开关边沿定义损耗最小。
系统规格:由于 TMP03/TMP04 是完全独立的,因此其规格接近最终系统规格。TMP03/04 的单一温度精度规格结合了传感器传递函数、信号调理和转换引起的误差。典型精度(-25至+100°C)在1.5%以内(最大值为4%),非线性度为0.5°C,电源灵敏度为0.7°C/V(最大值为1.2°C/V)。该器件的工作温度范围为 -55°C 至 +150°C。
远程操作: 传统的低电平电压输出温度传感器的输出,当位于远端时,将不可避免地由于噪声拾取和/或欧姆损耗而遭受信号衰减和错误。一些传感器方案依靠模拟输出调理来产生用于长距离传输的电流输出(例如,传统的4-20 mA电流环路)。电流输出消除了欧姆信号损耗,但额外的级在误差预算计算中增加了另一个项。
TMP03/04 设计的数字输出格式允许该温度传感器远离主机系统,而不会降低系统精度;35Hz 低频输出进一步确保长距离数据完整性。TMP03 与其主机之间的电缆电容当然会绕过方波输出的上升沿和下降沿,但相对于 29ms 时钟周期,微秒级的延迟会增加可以忽略不计的误差。在大多数应用中,温度是一个缓慢变化的变量,35 Hz载波对测量动态精度几乎没有影响。
如果选择100 ×更高的输出频率,例如3 kHz,则输出电路需要将高电流驱动到负载电容中,以保持逻辑转换的短时间令人接受;上升和下降时间之间1 ms的不对称性会增加约1°C的误差。高输出电流要求也会增加所需的电源电流。高频、低电平传感器输出的替代解决方案:即,添加本地RS-232(或RS-485)接口来驱动长电缆,再次增加所需的远程供电电流。
下表比较了基于 TMP03 的温度测量系统中的误差源与基于传统模拟温度传感器的系统中的误差源:
| 热电偶、热敏电阻、RTD等 | TMP03 | |
|
传感器误差: 非线性、迟滞、 长期漂移 |
X |
X |
|
信号调理: 非线性、冷结补偿漂移、迟滞、增益漂移、失调(在整个温度范围内) |
X |
那 |
|
数字化: 非线性、迟滞、漂移、缺失 代码、偏移、电荷转移、基准漂移 |
X |
X |
|
参考: 随温度漂移;随时间漂移 |
X |
那 |
| 信号随距离推移而衰减 |
X |
那 |
| 多路复用器错误(多通道系统) |
X |
那 |
TMP03 中的误差预算计算只需要两个项:数据手册温度测量误差规范和外部数字解码电路的量化误差。电子表格计算可用于为外部数字解码电路选择所需的计数器分辨率。12位数字计数器解码方案仅引入0.5°F量化误差。
TMP03 输出解码:TMP03 传感器使用标记空间比调制(图 2),体现了关系

其中 TH和 TL是方波输出的高低周期。

图2.标记空间比调制方波输出
使用基本的 TMP03 传感器误差规格,测量 T 时引入的误差H和 TL是确定系统精度所需的唯一其他参数。例如,如果 TH和 TL使用 125kHz 时钟频率和 12 位计数器进行测量,由方波输出的边缘选通,量化误差小于 0.5°F。 TH和 TL可以使用分立计数器、可编程逻辑阵列或带有板载定时器/计数器端口的微处理器方便地进行测量。如果需要绝对温度,可以使用微处理器或PC进行计算。下表显示了用于建立 T 的典型计数器分辨率H和 TL值,以及各种时钟速率下的关联误码值。TMP03/TMP04 数据手册中描述了计算方法。
表 1.计数器大小和时钟频率对量化误差的影响
| 可用最大计数 | 最高温度要求。 | 最大频率 | 量化误差(25°C) |
量化误差(77°F) |
| 4096 | 125°C |
94千赫 |
0.284°摄氏度 |
0.512°华氏度 |
| 8192 |
125°C |
188千赫 |
0.142°摄氏度 |
0.256°华氏度 |
| 16384 |
125°C |
376千赫 |
0.071°摄氏度 |
0.128°华氏度 |
评估板使用125 kHz频率;它允许温度测量温度高达85°C(加上~10°C的超量程),并提供大约0.3°C的分辨率。

图3.TMP03 评估板框图
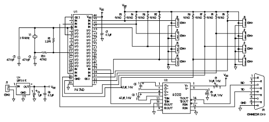
TMP03 设计示例 – 评估板:使用可编程逻辑器件构建了一个温度测量系统,用于输入多路复用(TMP03信号)并导出TH和 TL、一个 5V RS-232 转换器和一个最多可容纳 03 个 TMP3 的连接器(图 8)。这种 03 通道温度测量系统连接到与 IBM 兼容的个人计算机的串行端口,并允许从远程安装的 TMP<> 传感器收集和记录温度数据。PC选择温度传感器,记录数据并执行温度计算。
PC首先发送通道选择字节。来自 TMP03 的数字编码温度信息(TH/TL方波)使用可编程逻辑器件进行解码,并将TH和 TL计数值以串行方式发送到 PC。计算机使用公式1计算温度。基于 Windows 的软件包提供了一个图形界面来显示数据,并允许用户将数据保存到磁盘。图 4 显示了解码器架构的功能框图。

图4.评估板的解码器架构
这些功能块在可编程逻辑器件(ICT, Inc. PA7140 PEEL 阵列)中实现:用于通道选择的传感器地址寄存器;两个 12 位定时器 TH和 TL量化);串行数据检测和同步,用于传输到PC;输出串行 TH和 TL计数数据;传感器开路/短路检测器。
本来可以使用微控制器,但ICT PEEL阵列作为系统控制设备具有明显的优势:
易于开发、原型制作、仿真和调试,降低开发和生产成本。
在确定性、寄存器丰富的并行硬件架构中精确控制时序
无需外部数字多路复用器即可容纳八个传感器。通过使用所需数量的数字多路复用器或可编程逻辑器件,可以添加更多通道。例如,一个 144 通道的系统将使用 10 个外部 PLD。
TMP03 提供了“易于设计”的温度采集系统功能。凭借其多路复用评估板的低成本和易于扩展的特点,从远程工业温度检测到家庭温度检测的应用现在都具有成本效益,因为每通道成本低且易于集成。由于易于设计和规格,上市时间很短。
审核编辑:郭婷