时间:2022-06-14 16:11
人气:
作者:admin
来源:Digi-Key
作者:Jeff Shepard
降压 DC/DC 转换器广泛应用于许多电子系统,如 5G 基站、工厂自动化 (FA) 设备和物联网 (IoT) 设备,以有效降低高电压。例如,电池或配电总线的 12 VDC 或 48 VDC 等电压往往需要转换为较低的电压,以便为数字 IC、模拟传感器、射频 (RF) 元器件和接口设备供电。
虽然设计人员可以实现分立降压转换器,并在性能特点和电路板布局方面针对特定设计进行优化,但依然存在挑战,包括选择适当的功率 MOSFET、设计反馈和控制网络、电感器设计,以及选择异步或同步拓扑。此外,设计还需要包含诸多保护功能,提供最大效率,以及较小的解决方案尺寸。同时,设计人员必须缩短设计时间、降低成本,因此需要找到更合适的电源转换器替代方案。
除了采用分立路线,设计人员可以使用集成电源 IC,这些 IC 将 MOSFET 与必要的反馈和控制电路结合在一起,其中控制电路已针对高效降压转换器进行了优化。
本文回顾了异步和同步降压 DC/DC 转换器之间的性能权衡,以及它们如何适应具体的应用需求。文中以 ROHM Semiconductor 的集成异步降压 IC 和同步降压转换器 IC 解决方案为例,探讨了实施方面的考虑因素,包括输出电感器和电容器的选择以及印刷电路板布局,还探讨了评估板,以帮助设计人员入门。
为什么使用降压转换器?
在只需要几安培 (A) 电流的应用中,降压转换器是比线性稳压器更有效的选择。线性稳压器的效率约为 60%,而异步降压转换器的效率可达 85% 以上。
基础型异步降压转换器包括 MOSFET 开关、肖特基二极管、电容器、电感器和控制器/驱动器电路(图中未显示),用于打开和关闭 MOSFET(图 1)。降压转换器接收直流输入电压 (VIN),将其转换为二极管整流的脉冲交流电流,然后由电感器和电容器滤波,产生调制直流输出电压 (VO)。电感器的电压与输入电压相反或对输入电压“降压”,这种拓扑结构由此得名。

图 1:异步降压转换器拓扑结构,不含 MOSFET 控制器/驱动器电路。(图片来源:ROHM Semiconductor)
控制器/驱动电路感应到输出电压,定期打开和关闭 MOSFET,以将输出电压保持在所需水平。随着负载的变化,控制器/驱动器会改变 MOSFET 的导通时间,按需增加或减少向输出端提供的电流,以维持(调节)输出电压。MOSFET 在一个完整开/关周期内的导通时间百分比被称为占空比。因此,占空比越高,支持的负载电流越大。
同步降压
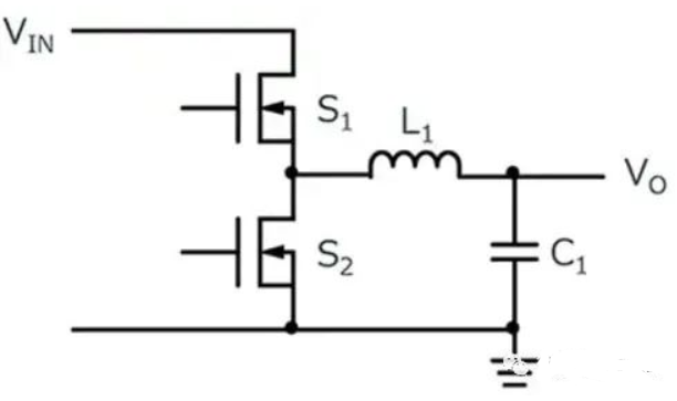
对于效率需求不能通过异步降压得到满足的应用,设计人员可以采用同步降压转换器,其中肖特基二极管由同步 MOSFET 整流替代(图 2)。同步 MOSFET (S2) 的导通电阻明显低于肖特基电阻,因此损耗更小,效率更高,但成本较高。
这就带来了一个挑战,即现有两个 MOSFET,需要协调开关。如果两个 MOSFET 同时导通,就会造成短路,输入电压直接接地,破坏或损毁转换器。要阻止这种情况就会增加控制电路的复杂性,相比异步设计,成本和设计时间均有所增加。
在同步降压中,这种控制电路在开关转换的中间加入了“空载时间”,即两个开关在很短的时间内均关闭,以防同时导通。幸运的是,设计人员现在可以选择电源 IC,其中集成了形成降压转换器所需的功率 MOSFET 和控制电路。

图 2:同步降压转换器拓扑结构,其中肖特基二极管由同步整流 MOSFET (S2) 替代。(图片来源:ROHM Semiconductor)
集成降压转换器 IC
高度集成的降压转换器 IC 示例包括 ROHM 的 BD9G500EFJ-LA(异步)和 BD9F500QUZ(同步)器件,分别采用 HTSOP-J8 和 VMMP16LX3030 封装(图 3)。BD9G500EFJ-LA 的耐压为 80 V,适用于 5G 基站、服务器和类似应用中 48 V 电源总线,也适用于采用 60 V 电源总线的系统,如电动自行车、电动工具、FA 和物联网设备。降压转换器 IC 的输出电流高达 5 A,在 2 至 5 A 的输出电流范围内,转换效率高达 85%。内置功能包括软启动、过压、过流、热关断和欠压锁定保护。

图 3:BD9G500EFJ-LA 异步降压转换器 IC 采用 HTSOP-J8 封装,BD9F500QUZ 同步降压 IC 采用 VMMP16LX3030 封装。(图片来源:ROHM Semiconductor)
由于 BD9F500QUZ 同步降压电源 IC 的击穿电压为 39 V,因此对于采用 24 V 电源总线的系统,设计人员可以减少 FA 系统(如可编程逻辑控制器 (PLC) 和变频器)中的安装面积和元器件数,从而降低系统成本。BD9F500QUZ 将解决方案的尺寸减少了约 60%,最大开关频率为 2.2 MHz,因此能使用小型 1.5 μH 电感器。在 3 A 的输出电流下,这种同步降压工作效率高达 90%。
采用高效且能提高散热效率的封装,意味着其无需任何散热装置即可达到约 60 °C 的工作温度,从而节省空间、提高可靠性并降低成本。内置功能包括输出电容器放电功能、过压、过流、短路、热关断和欠压锁定保护。
选择电感器和电容器
虽然 BD9G500EFJ-LA 和 BD9F500QUZ 集成了功率 MOSFET,但设计人员仍然需选择最佳输出电感器和电容器,它们是相互关联的。例如,为了获得电感器和输出电容器的最小组合尺寸,以及足够低的输出电压纹波,最佳电感值非常重要。瞬态要求也很重要,这因系统而异。负载瞬态振幅、电压偏差限制和电容器阻抗都影响瞬态性能和电容器的选择。
设计人员有多种电容器技术选择,每种技术的成本和性能权衡各不相同。通常,降压转换器的输出电容使用多层陶瓷电容器 (MLCC),但有些设计使用铝电解电容器或导电聚合物混合电解电容器更有益处。
ROHM 简化了电感器和电容器的选择过程,在这些电源 IC 的规格书中为设计人员提供了完整的应用示例电路,包括:
· 输入电压、输出电压、开关频率和输出电流
· 电路原理图
· 建议的物料清单 (BOM),包括数值、零件编号和制造商
· 工作波形
BD9G500EFJ-LA 的三个详细应用电路,其开关频率均为 200 kHz,包括:
· 7 至 48 VDC 输入,5 A 时输出为 5.0 VDC
· 7 至 36 VDC 输入,输出为 3.3 VDC 和 5 A
· 18 至 60 VDC 输入,输出为 12 VDC 和 5 A
BD9F500QUZ 的七个详细应用电路包括:
· 12 至 24 VDC 输入,输出为 3.3 VDC 和 5 A,开关频率 1 MHz
· 12 至 24 VDC 输入,输出为 3.3 VDC 和 5 A,开关频率 600 kHz
· 5 VDC 输入,输出为 3.3 VDC 和 5 A,开关频率 1 MHz
· 5 VDC 输入,输出为 3.3 VDC 和 5 A,开关频率 600 kHz
· 12 VDC 输入,输出为 1.0 VDC 和 5 A,开关频率 1 MHz
· 12 VDC 输入,输出为 1.0 VDC 和 5 A,开关频率 600 kHz
· 12 VDC 输入,输出为 3.3 VDC 和 3 A,开关频率 2.2 MHz
此外,ROHM 为设计人员提供了一份应用说明:“实现开关稳压器平滑输出的电容器类型及其注意事项”。
评估板加速了设计进程
为了进一步加快设计进程,ROHM 为 BD9G500EFJ-LA 和 BD9F500QUZ 提供了 BD9G500EFJ-EVK-001 和 BD9F500QUZ-EVK-001 评估板(图 4)。

图 4:BD9G500EFJ-EVK-001(左)和 BD9F500QUZ-EVK-001(右)分别为 BD9G500EFJ-LA 和 BD9F500QUZ 降压转换器 IC 的评估板,帮助设计人员快速确保该器件满足要求。(图片来源:ROHM Semiconductor)
BD9G500EFJ-EVK-001 输出 5 VDC,输入 48 VDC。BD9G500EFJ-LA 的输入电压范围为 7 至 76 VDC,其输出电压可通过外部电阻器配置为 1 VDC 至 0.97 x VIN。此外,也可以使用外部电阻器将工作频率设定在 100 至 650 kHz 之间。
BD9F500QUZ-EVK-001 评估板输出 1 VDC,输入 12 VDC。BD9F500QUZ 的输入电压范围为 4.5 至 36 VDC,其输出电压可通过外部电阻器配置为 0.6 至 14 VDC。该电源 IC 有三种可选择的开关频率:600 kHz、1 MHz 和 2.2 MHz。
电路板布局考虑
使用 BD9G500EFJ-LA 和 BD9F500QUZ 时,印刷电路板布局一般要考虑:
· 续流二极管和输入电容器应与 IC 端子在同一层印刷电路板上,并尽可能地靠近 IC。
· 应尽量包括热通孔,以改善散热。
· 尽可能将电感器和输出电容器放置在 IC 附近。
· 让返回路径的电路印制线远离噪声源,如电感器和二极管。
有关更具体的布局详细信息,请参阅器件规格书和 ROHM 有关“降压转换器的 PCB 布局技术”的应用说明。
总结
如图所示,在各种 FA、物联网和 5G 应用中,相比线性稳压器,异步和同步降压转换器可以提供更高的转换效率。虽然能根据给定设计要求设计定制降压转换器,但这是一项复杂和耗时的任务。
相反,设计人员可以选择将功率 MOSFET 与控制和驱动电路集为一体的电源 IC,以实现紧凑而经济的解决方案。