时间:2022-07-01 15:52
人气:
作者:admin
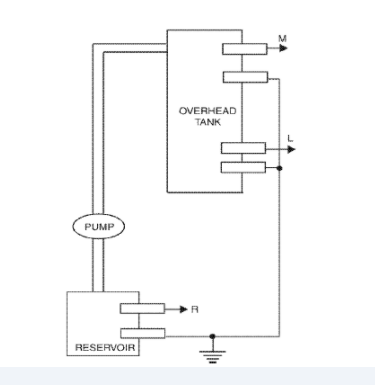
这里是低成本水泵控制器的电路图。自动泵控制器最大限度地减少了对安装的水泵进行任何手动切换的需要,以实现将水从水库抽水到顶置水箱的功能。一旦水箱内的水位低于特定的低水位 (L),它会立即打开泵,前提是水箱中的水位高于特定的水位 (R)。随后,由于水箱中的水位上升到上位(M),泵立即关闭。仅当水箱中的水位再次低于 L 水位时,泵才会再次打开,前提是水箱内的水位高于 R。
该电路旨在“忽略”水位的瞬态振荡,否则会触发逻辑快速且不必要地修改其状态。该电路通过使用单个 CMOS 芯片 (CD4001) 进行逻辑处理来工作。
没有利用水位传感器内的任何移动机电元件。这确保了快速反应、无磨损和无机械问题。电路图可以在上图中看到。该装置在与 0.5 HP 电机和泵一起进行的试运行中表现令人满意。
应用于电路的传感器可以是任何两个导电探头,最好是耐电解腐蚀的。例如,在最简单的情况下,适当密封的音频插孔可用作传感器。

该回路也可以像恒定液位保持器一样使用。为此,探头 M 和 L 彼此非常靠近,以确保液位保持在 M 和 L 水平内。
该系统的好处是它可以应用于任何体积的罐/水库。即便如此,该电路也不能应用于纯非导电流体。对于非导电流体,必须对液位传感器进行一些修改。另一方面,电路可以保持完整。