时间:2022-04-12 15:27
人气:
作者:admin
物联网被认为是继计算机、互联网、移动通信网络之后的第三次信息产业浪潮,其中集传感器技术、嵌入式技术、网络通信技术以及数据处理技术于一体的传感网已经成为“智慧地球”建设的关键技术之一。为顺应未来测控技术的发展趋势,为人们带来一种更加智能化的生活方式,本文提出了一种基于无线传感网的嵌入式远程测控系统的整体架构和技术解决方案,并成功地将该方案应用于家居智能化系统中。它具有较好的实时性、较宽的监控范围和较广的适应性。
0 引言
本文将介绍一种无线传感器网络的新型网络系统。这是一种由多个具有计算处理、无线通信、传感或控制能力的单节点构成的无限传感器网络是当前国际上倍受关注的、多学科前沿热点研究领域,它具有信号采集、实时监测、信息传输、协同处理、信息服务等功能,使网络技术得到了极大的拓展,并使通过网络实时监控各种环境和设施成为可能。传感网是物联网的,主要应用于物联网中的信息感知层,用于跟踪、监测和决策支持,实现智能感知和管理。
嵌入式系统是以应用为中心,以计算机技术为基础,软硬件可裁剪,适用于应用系统对可靠性、成本、体积、功耗等功能有严格要求的专用计算机系统。它一般由硬件和软件组成。其中,硬件包括嵌入式微处理器和外围设备;软件包括嵌入式操作系统与特定的应用程序。嵌入式技术可广泛用于对其他设备的控制、监视或管理功能。
测控技术指对某一特性的监测与控制。远程测控管理人员在异地通过计算机网络联通需被控制的设备,通过本地计算机对远方设备进行查询、配置、修改等工作。远程测控技术能够实现办公自动化与工业自动化的无缝连接,且已成为新兴的研究热点。随着网络的需求与发展,B/S模式迅速发展。利用此模式,客户端只需安装Web浏览器即可简单通过浏览器从Web服务器上程序到本地来执行,由此实现远程测控。
计算机技术、通信技术和微电子技术的飞速发展,让测控系统领域也正在进行着一场巨大的变革,网络化和信息化已经成为了测控系统的发展方向。综合传感网技术、嵌入式技术与工业测控技术,构建一个基于Web方式的远程测控系统可使测控产品的实时性、安全性、可维护性等方面得到大幅度的提高,同时也更利于实现集中监视、统一调度与优化管理。本文结合各项技术介绍了一个基于Web方式的嵌入式远程测控系统,并利用该方案成功实现了一智能家居系统。
1 远程监控系统的总体结构设计
基于Web方式的嵌入式远程测控系统的基本架构如图1所示。该远程测控系统主要由嵌入式测控单元、本地服务器与远端管理主机这三部分组成。

图1远程测控系统基本构架
位于层的嵌入式测控单元主要分布在各个测控节点上,由中央处理器、传感器、执行器、网络接口、GPS模块、GPRS模块等组成,负责采集现场的环境参数,并将各参数与设定值比较,若超出规定范围,则会利用报警器报警,并让各执行器工作,以获得正常参数范围,且将测试数据通过订制协议传送到本地服务器,从而到达远端管理器显示。GPS模块可清楚定位发生故障的设备,GPRS模块作为无线收发模块可在有线网络出现故障时实现高质量的数据传送,为把嵌入式系统应用到远程测控系统中提供了非常现实可行的意义。
位于中间作为桥梁的是本地服务器,主要接收各测控单元上传的监测参数,并保存到数据库中,定时查询与分析测控单元的状态,如果发现它出现错误,则立即短信通知用户。同时,服务器也需定时将数据库中的数据及时反馈给远端管理器,使用户在时间监测到各测控设备的情况,并实现管理器对各测控单元的操作。
顶层则是远端管理器,它可以系统地对各测控单元进行分析、查询和管理,可以接收测控服务器上传的各种信息,也能发出命令对底层的单元进行控制与处理,且可根据IP地址直接控制某一特定的测控单元,对各设备进行统一管理。当有线网络出现故障时,还可以通过GPRS进行无线连接操作,从而使得用户任何时候都能对其进行控制。
该系统通过前端传感器模块和信息接收模块收集各节点的参数,送入嵌入式系统进行处理和存储,并定时将监测信息传送到测控服务器,通过服务器反映到管理机上,从而实现对各测控设备的控制。该远程测控系统实现了将小设备挂到Internet上,可以及时地监测每一设备的运行情况。对监控系统来说,网络监控方式灵活,系统施工和维护造价相对低廉,可保存的数据量更大,数据存储方式更多,系统集成度更高。以网络为基础的远程监控突破了时间、地域的限制,只要在有网络存在的地方,用户在授权的情况下,就可以不受限制地随时按需监控,实现即插即用。
2 关键技术研究
2.1 嵌入式系统设计
嵌入式测控单元相当于传感网的各个节点,主要负责信息的采集,并将其他如光信号、化学信号转化为电信号,并送给微控制器,对其进行处理。该测控设备是由嵌入式技术研发的具有智能检测与控制的系统,它以中央微处理器为,配以SDRAM、NANDFLASH、网络接口RJ-45、4线触摸屏接口、串行接口、LCD、USB口、SD卡存储接口与A/D和D/A转换器。使用UART1和UART2通过SP3243ECA芯片将TTL电平转化为RS232电平,可实现GPS和GPRS通信。该系统硬件框图如图2所示。

图2嵌入式系统硬件框图
软件系统则主要考虑启动程序、各种驱动程序、操作系统与应用程序。Linux操作系统开放源代码,可以裁剪内核,并且已经在Motorola,NEC,ARM等多种硬件平台上稳定、高效运行,具有强大的网络功能和卓越的文件系统支持功能等优点。故选择Linux操作系统,并根据具体应用,经裁剪和交叉编译后,形成ARM可执行文件,借助串行口和网络口到FLASH之中。测控单元的应用程序主要包括数据采集模块、液晶显示模块、键盘控制模块、网络服务模块、通信服务模块与控制执行模块等。为了构建更好的人机界面,将QT/Embedded图形用户界面支持系统移植到Linux中,并开发相应的图形用户界面。
2.2 Web应用技术
该系统采用B/S模式,为了能够从测控服务器或测控管理机通过浏览器直接访问智能测控单元,在智能测控单元中必须具备Web服务器功能。在嵌入式Linux平台下,使用Boa作为Web服务器,可以使系统稳定高效地在目标系统中运行,并且使用和维护方便,可靠性高。嵌入式Web服务器Boa和普通Web服务器一样,能够完成接收客户端请求、分析请求、响应请求、向客户端返回请求结果等任务。与其他传统的Web服务器不同的是Boa具有很高的HTTP请求处理速度和效率,在嵌入式系统中具有很高的应用价值。
Boa程序的移植主要分为以下几个步骤:
(1)针对ARM-Linux系统Boa源码并解压之;
(2)生成并修改Makefile文件,
(3)配置Boa服务器后Boa服务器。将编译后的二进制文件到FLASH之中后Web服务器则具有了Web服务器功能。
2.3 数据通信技术
该系统的通信主要包括有线网络、无线网络、GPRS,GPS和定制协议通信。
由于GPRS具有众多的优点,在数据通信业务中得到了非常广泛的应用,所以在该系统的设计中选用了西门子公司的GPRS模块MC35来传输采集的数据。
MC35模块支持GSM900和GSM1800双频网络,接收速率可达86.20Kb/s,发送速率可达21.5Kb/s,并且很容易集成,它和ARM2440处理器的UART1接口经TTL232电平转换后连接。
安装GPS卫星定位系统,可以随时确定智能测控单元的位置。该系统的GPS接收模块采用Motorala公司的M12+ONCORE,该模块的串行通信参数为波特率4800b/s;8位数据位;1位停止位。
测控单元与本地服务器以及远程管理机的通信则通过TCP/IP协议,但TCP/IP协议族中的协议数量庞大,而嵌入式系统的资源有限。因此,合理地对TCP/IP协议族进行裁剪更具意义。TCP/IP协议的简化应该遵循两个原则:一是不能改变其面向连接的特性;二是它的简化必须能配合其应用层所采用的协议。本地服务器和远程管理机则通过智能测控单元中的动态网页实现与智能测控单元的通信,进而读取信息,发布执行指令。
3 应用实例及分析
随着传感器技术、半导体制作技术和嵌入式处理技术等的发展,无线传感器网络的研究和发展取得了突飞猛进的成果。其应用领域也开始从单一军事领域朝多元化的方向发展,特别是一些大公司的加入,使无线传感网络在环境监控、工业控制、智能城市和智能家居[11]等领域取得了实际可行的应用成果。在电子技术越来越发达的今天,电子产业也掀起了一场革命,而人们对生活便捷性的要求也越来越高。针对该现象,本文在此给出一套基于传感器网络与ARM的智能家居平台,其主要目的是对住房内的火警、雨水等环境参数和各种设备进行监控与控制,使住户无需亲临现场就可以对分布在不同位置的设备进行远程控制。
3.1 嵌入式测控单元器件选择与设计
嵌入式测控单元分布在住房内的各个地方,主要负责对现场的信息进行采集和对其进行控制,其主要功能包括采集住房内温湿度等环境因素,对各用电器进行检测与控制,实现与测控服务器的网络通信与实现Web服务器功能。
该系统主要采用的传感器包含测量湿度与烟雾两部分。湿度传感器安装在窗户上,负责采集湿度,根据是否下雨来控制窗体的开关。本方案采用HM1500作为湿度采集单元,它具有较宽的湿度测量范围,具体为0%~100%,且不受水浸影响,有极低的温度依赖性与良好的线性度。火警测量传感器采用NIS09C,它适合各种高灵敏度烟雾探测与火灾报警。
当检测到湿度高于所规定范围时,则调用执行器关闭窗户,反之,则不进行操作;当检测到烟雾时,也可控制灭火器的开关与门窗的开合,同时报警器报警,通过短信通知住户来对火灾进行有效的避免。
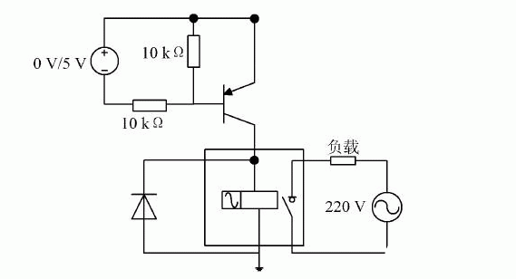
用电器的远程控制开关是通过一个控制电路实现的,其电路图如图3所示。

图3远程控制开关控制电路
微控制器的输出信号经晶体管驱动后作为继电器的输入信号。当微控制器的输出为低电平时晶体管饱和,驱动继电器通电吸合,负载通电;当微控制器输出为高电平时,晶体管截止,继电器断电释放,负载断电。因此通过远端管理机可以控制用电器的开关。
3.2 软件设计要点
对该方案而言,需将湿度、烟雾的监测与蜂鸣器、短信的控制驱动程序进行编写,在Linux交叉开发平台中进行配置,裁剪多余的驱动,留下对本平台有用的驱动,保存后重新编译,将其到FLASH当中,而其他的测控服务器软件则无需改变即可使用。
经多次测试与实验,验证了该方案的可行性。利用中间件技术对其进行相应的配置,则可使此远程测控平台比较宽泛地应用于各个领域,对于不同的情况,实际上只是需要更换传感器和相应的驱动程序,而作为上层的数据传输及各种应用程序都无需变化。
4 结语
介绍了一种基于传感器网络的嵌入式远程测控平台的通用Web远程测控架构,阐述了系统结构和系统所涉及的关键技术,包括嵌入式技术、通信技术和服务器技术等,并在一家智能家居系统中的成功应用证明了该方案的可行性。本系统具有安全性强、成本低、智能化强、报警及时、有利于节能等特点,可以看出,研究远程监控系统,发挥网络优势,实现人工智能对社会进步的重要性。